+ Lisa oma töö      

Otsid ehitajat "Ehitusprojektid" valdkonnast?

Parima pakkumise ja teostaja leidmiseks lisa oma töö.

Hange on lõppenud!

Võitjaks osutus kasutaja ID 77668

Korraldaja hinnang tehtud tööle

2.0
04.05.2024
Töökiirus: 12345
Kvaliteet: 12345
Hind: 12345

Lepingu tähtaeg oli 01.05.2024 ja 15.04. võtsin ise firmaga ühendust, et küsida, kas leping saab tähtaegselt täidetud, firma lubas hakata täitma alates 18.04., kuid lubadust ei ole täidetud. Ühendust ei ole võetud, et teavitada, täitmise hilinemisest, mina olen kirjutanud kaks kirja, kuid neile ei ole vastatud. Firma soovis ettemaksu 50% ja nüüd pean hakkama raha tagasi nõudma. - Eve P.

Vee- ja kanalisatsiooni projekteerimine 8 korteriga majale

ID 89471

563 vaatamist

Prindi

  • check Pakkumiste tegemine
    kuni 28.02.2024
  • check Võitja valik kuni
    06.03.2024
  • 3 Töö teostamine
    ja hinnang
Hanke lõpp: K, 28. veebruar, 2024
Maakond: Harjumaa
Muu asula: Vasalemma
Tööde algus: N, 01. veebruar, 2024 (Soovituslik)
Tööde lõpp: N, 29. veebruar, 2024 (Soovituslik)
Ehitusmaterjalid: Töö tellija poolt
Soovin pakkumisi: Summa kogu projektile

Töö sisu

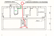
Vajame hoone plaane DWG formaadis selleks, et projekteerida uut vee- ning kanalisatsiooni keldrikorruse osas (kortereid muutma ja ümber ehitama ei hakata).
Hoone ehitusaasta 1962, seinad tellis, vundament paekivi, vahelaed monoliitne raudbetoon, 8 korterit, vesi tuli kaevust ja olemas on veemõõdusõlm koos korterite veearvestitega (veemõõtjad on vajalikud teadmaks reoveepaakide täituvust), hoonel on kolm reoveepaaki. Veemõõdusõlmes on olemas 200L hüdrofor.

KOV on rajanud uue vee- ja kanalisatsioonitrassi ja me soovime uue süsteemiga liituda, välisosa projekteerija on olemas, kuid otsime siseosa projekteerijat.

Pildid, video ja failid

Hanke korraldaja: korteriühistu ID53724

Pakkumised

Pakkumisi kokku: 3

Ettevõte Summa Käibemaks Lisatud Vestlus
Kasutaja ikoon ID53301
Pakkuja profiil Väike nool paremale
3 000€ Ei ole KMKR Ei ole KMKR 29.01.2024 Vestlus (0)

Pakkumise kirjeldus:

Tere,
Pakkumises arvestatud DWG VK projekt keldri korrusele

Kasutaja ikoon ID77668
Pakkuja profiil Väike nool paremale
1 400€ KM lisandub KM lisandub 31.01.2024 Vestlus (0)
Kasutaja ikoon ID79490
Pakkuja profiil Väike nool paremale
1 200€ KM lisandub KM lisandub 01.02.2024 Vestlus (0)

Pakkumise kirjeldus:

Tere!
Pakkumine on tehtud hoone veevarustuse- ja kanalisatsiooni projekteerimisele põhiprojekti mahus.
Pakkumine ei sisalda arhitektuursete jooniste tegemist (need peaks olema mujalt hangitud või eraldi läbirääkida meiega)

Küsimused hanke korraldajale

Hanke korraldajale ei ole veel küsimusi esitatud.

Lisa küsimus

Lisa küsimus

Minu pakkumine

Reeglid

Pakkumise kirjelduse väli on mõeldud pakkumise detailsemaks lahti kirjutamiseks. Pikema teksti mugavaks sisestamiseks klikkige kasti paremal ülaservas oleval ikoonil.
Pakkumist tehes on keelatud postitada enda kontaktandmeid (nimi, telefon, aadress jne). Me jälgime ja analüüsime pakkumisi, et vältida pettuseid ja reeglite rikkumisi.
Rikkumise puhul kasutajakonto blokeeritakse.

 

Teisi töid samas valdkonnas

Valdkonnas "Ehitusprojektid" on 6 aktiivset tööd

no-img Pilt puudub

Ehitusinsener tase 7 vastutav allikiri

Asukoht: Pärnumaa, Pärnu
Aega jäänud: 21h 2 min
Tehtud pakkumisi: 2

Korteri elektri projekt

Asukoht: Harjumaa, Tallinn
Aega jäänud: 2p 21h
Tehtud pakkumisi: 2

Vanemad teated:

Vaata kõiki

Sellel veebilehel kasutatakse küpsiseid. Kasutamist jätkates nõustute küpsiste kasutamisega.

Sulge
 
Minu pakkumine

Reeglid

Pakkumise kirjelduse väli on mõeldud pakkumise detailsemaks lahti kirjutamiseks. Pikema teksti mugavaks sisestamiseks klikkige kasti paremal ülaservas oleval ikoonil.
Pakkumist tehes on keelatud postitada enda kontaktandmeid (nimi, telefon, aadress jne). Me jälgime ja analüüsime pakkumisi, et vältida pettuseid ja reeglite rikkumisi.
Rikkumise puhul kasutajakonto blokeeritakse.