+ Lisa oma töö      

Otsid ehitajat "Elektritööd" valdkonnast?

Parima pakkumise ja teostaja leidmiseks lisa oma töö.

Korteri jaotuskilbi paigaldus ja ühendamine

ID 87366

532 vaatamist

Prindi

  • check Pakkumiste tegemine
    kuni 17.10.2023
  • check Võitja valik kuni
    24.10.2023
  • 3 Töö teostamine
    ja hinnang
Hanke lõpp: T, 17. oktoober, 2023
Maakond: Harjumaa
Linn: Tallinn
Tööde algus: E, 23. oktoober, 2023 (Soovituslik)
Tööde lõpp: E, 20. november, 2023 (Soovituslik)
Ehitusmaterjalid: Töö tellija poolt
Soovin pakkumisi: Summa kogu projektile

Töö sisu

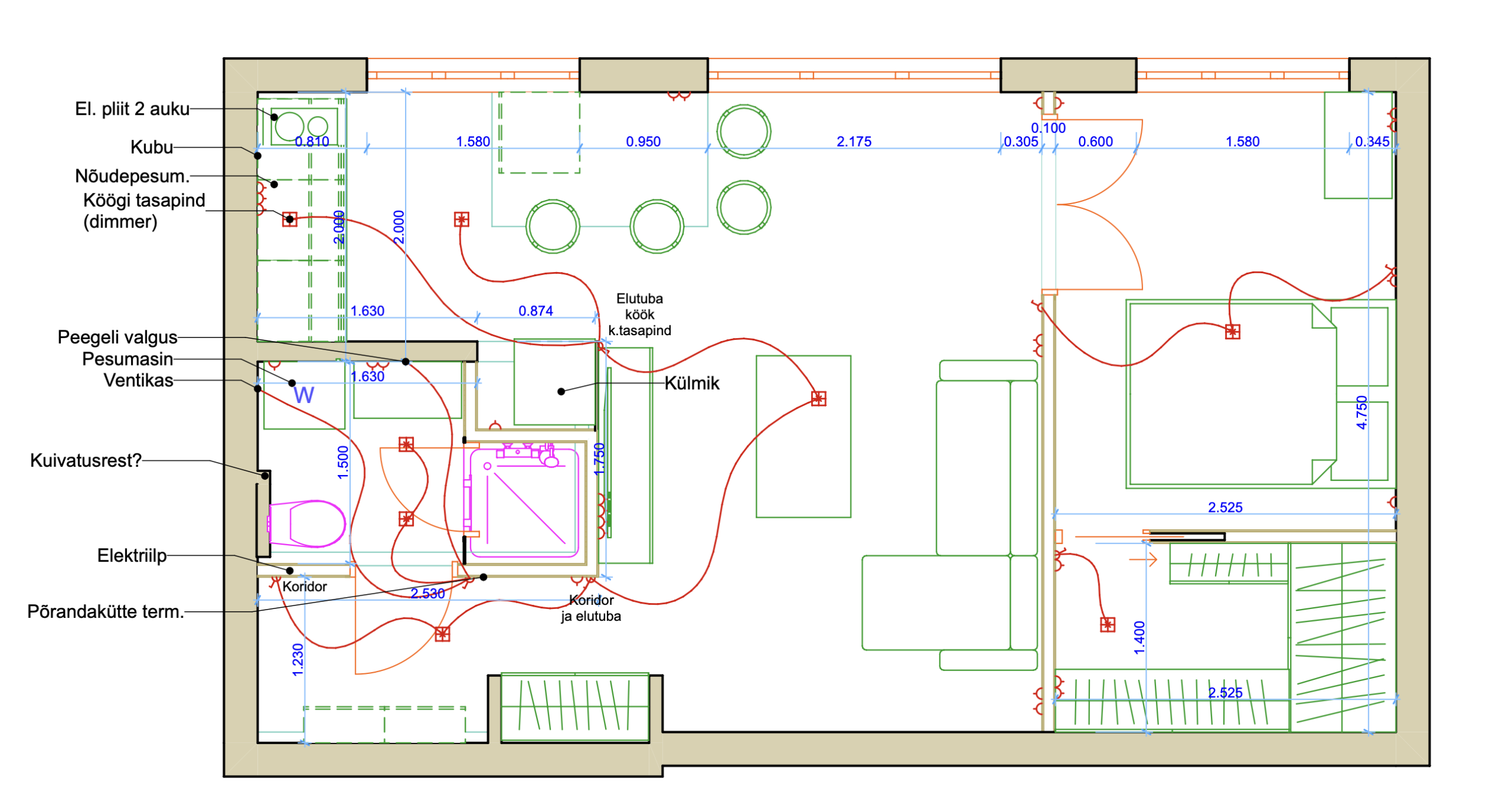
2- toaline korter asub Tallinna kesklinnas hruštšovka tüüpi hoones.

Korteris tehakse täielik renoveerimine, kus uued juhtmed juba veetud, kuid tuleks kokku panna korterisisene jaotuskilp (3-faasi).

Vajaminev töö:
•korteri jaotuskilbi koostamine, paigaldus ja ühendamine.

Pildid, video ja failid

Hanke korraldaja: eraisik ID77743

Pakkumised

Pakkumisi kokku: 0

Küsimused hanke korraldajale

Küsimus: private ID72054   17.10.2023 15:55
Tere, kas saate lisada pilt kus planneritud kilbi paigalus.

Teavita reeglite rikkumisest

Korraldaja vastus: 17.10.2023 15:56

Mul hetkel pilti ole lisada, aga plaani pealt jääb see koridori ja vannitoa vahele. Tegemist on kipskarkass seinaga.

Teavita reeglite rikkumisest

Küsimus: private ID19451   17.10.2023 21:43
Tere!
Kas korterisse on veetud ka uus toitekaabel 5- e sooneline? Kus asub arvesti?
Tänan.

Teavita reeglite rikkumisest

Korraldaja vastus:
Hanke korraldaja ei ole küsimusele veel vastanud

Küsimus: private ID19451   17.10.2023 21:45
Teil on kirjas- materjalid tellija poolt? Kuidas sellest aru saada? Kas kilbi komponendid, kesta, juhtmed, aut. kammid ja kõik muu tarnite teie?

Teavita reeglite rikkumisest

Korraldaja vastus:
Hanke korraldaja ei ole küsimusele veel vastanud

Lisa küsimus

Lisa küsimus

Minu pakkumine

Reeglid

Pakkumise kirjelduse väli on mõeldud pakkumise detailsemaks lahti kirjutamiseks. Pikema teksti mugavaks sisestamiseks klikkige kasti paremal ülaservas oleval ikoonil.
Pakkumist tehes on keelatud postitada enda kontaktandmeid (nimi, telefon, aadress jne). Me jälgime ja analüüsime pakkumisi, et vältida pettuseid ja reeglite rikkumisi.
Rikkumise puhul kasutajakonto blokeeritakse.

 

Teisi töid samas valdkonnas

Valdkonnas "Elektritööd" on 5 aktiivset tööd

Vana talu elektrisüsteemi uuendamine (kilp, pistikud, välivalgustus, EV valmidus)

Asukoht: Raplamaa, Suurekivi
Aega jäänud: 1p 13h
Tehtud pakkumisi: 5

Kaablite vahetus paneelmaja korteris ja siseviimistlus

Asukoht: Harjumaa, Tallinn
Aega jäänud: 6p 13h
Tehtud pakkumisi: 3

Vanemad teated:

Vaata kõiki

Sellel veebilehel kasutatakse küpsiseid. Kasutamist jätkates nõustute küpsiste kasutamisega.

Sulge
 
Minu pakkumine

Reeglid

Pakkumise kirjelduse väli on mõeldud pakkumise detailsemaks lahti kirjutamiseks. Pikema teksti mugavaks sisestamiseks klikkige kasti paremal ülaservas oleval ikoonil.
Pakkumist tehes on keelatud postitada enda kontaktandmeid (nimi, telefon, aadress jne). Me jälgime ja analüüsime pakkumisi, et vältida pettuseid ja reeglite rikkumisi.
Rikkumise puhul kasutajakonto blokeeritakse.