+ Lisa oma töö      

Otsid ehitajat "Eramu ehitus" valdkonnast?

Parima pakkumise ja teostaja leidmiseks lisa oma töö.

Hange on lõppenud!

Võitjaks osutus kasutaja ID 50329

Maja ehitus

ID 84707

819 vaatamist

Prindi

  • check Pakkumiste tegemine
    kuni 16.08.2023
  • check Võitja valik kuni
    16.08.2023
  • 3 Töö teostamine
    ja hinnang
Hanke lõpp: K, 16. august, 2023
Maakond: Harjumaa
Muu asula: Tiskre
Tööde algus: E, 02. oktoober, 2023 (Soovituslik)
Tööde lõpp: R, 01. märts, 2024 (Soovituslik)
Ehitusmaterjalid: Töö tellija poolt
Soovin pakkumisi: Summa kogu projektile

Töö sisu

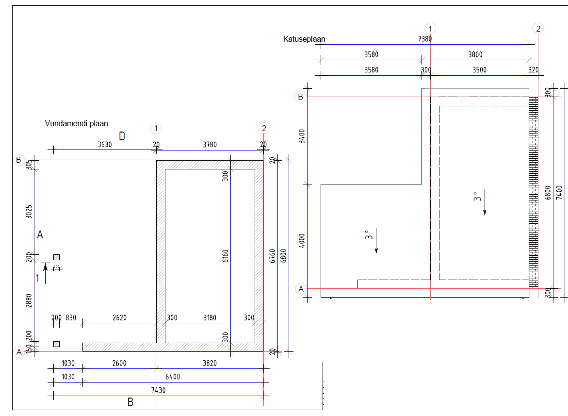
Maja ehitus (2 korrust, siseviimistluseta) Tiskre külas, 192 m2 + saunamaja 20 m2, mõlemad fibo plokk. Ehitusluba olemas, arhitektuursed projektid ka.

Pildid, video ja failid

Hanke korraldaja: eraisik ID76283

Pakkumised

Pakkumisi kokku: 1

Ettevõte Summa Käibemaks Lisatud Vestlus
Kasutaja ikoon ID50329
Pakkuja profiil Väike nool paremale
89 900€ KM lisandub KM lisandub 10.08.2023 Vestlus (10)

Küsimused hanke korraldajale

Küsimus: private ID59528   01.08.2023 16:48
Tere,

Oleme huvitataud teie maja ehituseks hinnapakkumise tegemisest

Parimat,

Erik

Teavita reeglite rikkumisest

Korraldaja vastus: 01.08.2023 17:02

Tere,

Kas saab tutvuda teie firma andmetega?

Teavita reeglite rikkumisest

Küsimus: private ID59528   01.08.2023 17:03
Meie profiili alt näete meie poolt tehtud töid ja klientide poolt antud hinnanguid

Parimat,

Erik

Teavita reeglite rikkumisest

Korraldaja vastus: 01.08.2023 17:11

Tänan info eest. Saatsin meilile lisainfot.

Teavita reeglite rikkumisest

Küsimus: private ID50329   02.08.2023 07:35
Добрый день,
Пришлите проекты мы тоже сделаем вам предложение,

Teavita reeglite rikkumisest

Korraldaja vastus: 02.08.2023 13:16

Добрый день,

Файлы добавлены.

Teavita reeglite rikkumisest

Küsimus: private ID50329   03.08.2023 19:27
Добрый вечер,
А в DWG формате есть чертежи?

Teavita reeglite rikkumisest

Korraldaja vastus: 03.08.2023 21:55

Добрый вечер,

Добавил, что было.

Teavita reeglite rikkumisest

Lisa küsimus

Lisa küsimus

Minu pakkumine

Reeglid

Pakkumise kirjelduse väli on mõeldud pakkumise detailsemaks lahti kirjutamiseks. Pikema teksti mugavaks sisestamiseks klikkige kasti paremal ülaservas oleval ikoonil.
Pakkumist tehes on keelatud postitada enda kontaktandmeid (nimi, telefon, aadress jne). Me jälgime ja analüüsime pakkumisi, et vältida pettuseid ja reeglite rikkumisi.
Rikkumise puhul kasutajakonto blokeeritakse.

 

Teisi töid samas valdkonnas

Valdkonnas "Eramu ehitus" on 2 aktiivset tööd

Eramu ehitus

Asukoht: Viljandimaa, Viljandi
Aega jäänud: 7p 1h
Tehtud pakkumisi: 0

no-img Pilt puudub

Eramu ehitus. Karp kinni.

Asukoht: Lääne-Virumaa
Aega jäänud: 5p 1h
Tehtud pakkumisi: 0

Vanemad teated:

Vaata kõiki

Sellel veebilehel kasutatakse küpsiseid. Kasutamist jätkates nõustute küpsiste kasutamisega.

Sulge
 
Minu pakkumine

Reeglid

Pakkumise kirjelduse väli on mõeldud pakkumise detailsemaks lahti kirjutamiseks. Pikema teksti mugavaks sisestamiseks klikkige kasti paremal ülaservas oleval ikoonil.
Pakkumist tehes on keelatud postitada enda kontaktandmeid (nimi, telefon, aadress jne). Me jälgime ja analüüsime pakkumisi, et vältida pettuseid ja reeglite rikkumisi.
Rikkumise puhul kasutajakonto blokeeritakse.