+ Lisa oma töö      

Otsid ehitajat "Projekteerimine" valdkonnast?

Parima pakkumise ja teostaja leidmiseks lisa oma töö.

Eramu ja abihoone projekteerimine

ID 78461

674 vaatamist

Prindi

  • check Pakkumiste tegemine
    kuni 01.02.2023
  • check Võitja valik kuni
    08.02.2023
  • 3 Töö teostamine
    ja hinnang
Hanke lõpp: K, 1. veebruar, 2023
Maakond: Tartumaa
Linn: Tartu
Tööde algus: E, 06. veebruar, 2023 (Soovituslik)
Tööde lõpp: T, 28. veebruar, 2023 (Soovituslik)
Ehitusmaterjalid: Töö tellija poolt
Soovin pakkumisi: Summa kogu projektile

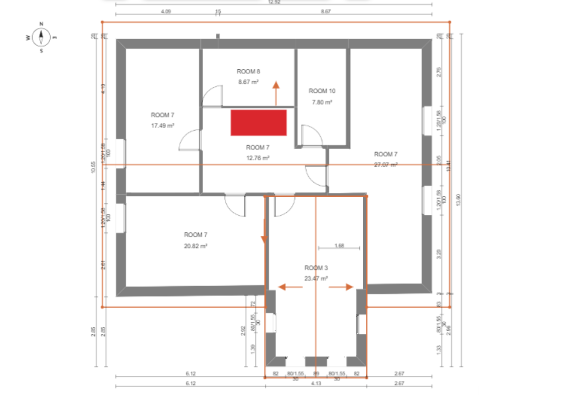
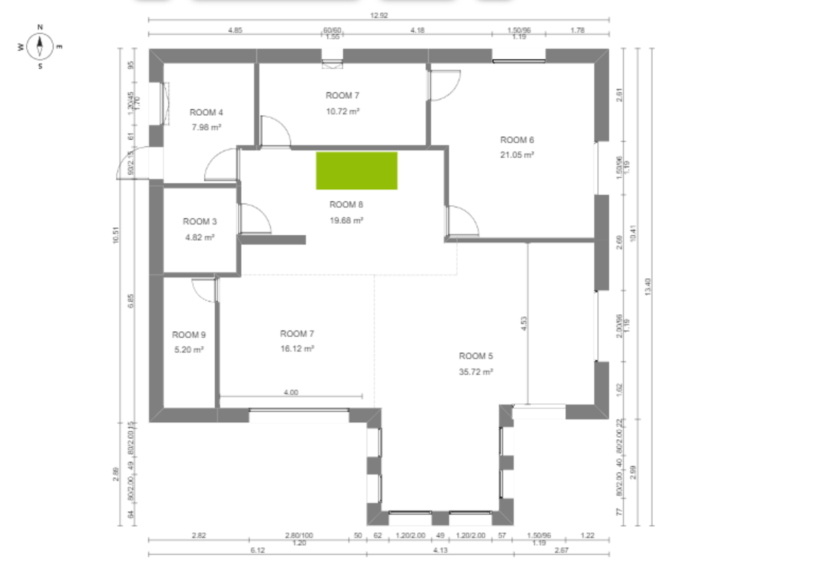
Töö sisu

Tere!
Oleks vaja projekteerida üksikelamu, 1,5 kordne viilkatusega, hoonealuse pinnaga ca 140-150m2 ja abihoone (59m2 garaaz), koos kõige vajaminevate dokumentidega kuni ehitusloani välja.

Olemas värske geoalus.
Manuses projekteerimistingimused, planeeritud eramu eskiis.
Palun pakkumises välja tuua kõik osad mida vaja vastavalt projekteerimistingimustele edukaks ehitusloa taotlemiseks, sh. energiamärgis jms.

Pildid, video ja failid

Hanke korraldaja: eraisik ID72434

Pakkumised

Pakkumisi kokku: 4

Ettevõte Summa Käibemaks Lisatud Vestlus
Kasutaja ikoon ID42152
Pakkuja profiil Väike nool paremale
1 800€ Ei ole KMKR Ei ole KMKR 25.01.2023 Vestlus (0)

Pakkumise kirjeldus:

Elamu ja abihoone ehitusprojekt eelprojekti staadiumis (arh-eh osa koos eriosadega)
PAkkumishind sisaldab:
Seletuskiri
Energiaarvutused
Asendiplaan
Vund ja korruste plaanid
KAtuse plaan
Hoone lõige
Hoone vaated
Avatäidete joonised
Jm asjakohased vajalikud joonised

Kooskõlastused ehitusloa saamiseks
Ehitusloa taotluse esitamine KOV
Suhtlus K ... Rohkem

Kasutaja ikoon ID26988
Pakkuja profiil Väike nool paremale
2 200€ Sisaldab KM Sisaldab KM 26.01.2023 Vestlus (0)

Pakkumise kirjeldus:

Pakkumine sisaldab mõlema hoone projekti ehitusloa taotlemiseks vajalikus mahus, vastavalt normidele ja standartidele ning Teie kirjeldusele. Kõik kooskõlastused ja asjaajamised kuni ehitusloani. Vajadusel konsultatsioonid . Projekt digitaalselt Teile sobivates formaatides, 3D-visualiseering.
Võimalikud seotud asutuste menetlemise tasud ei kuulu pak ... Rohkem

Kasutaja ikoon ID5128
Pakkuja profiil Väike nool paremale
3 400€ KM lisandub KM lisandub 30.01.2023 Vestlus (0)

Pakkumise kirjeldus:

geoalus ei ole hinnas, kuna puudub info vajaliku aluse suuruse ja keerukuse kohta. Projektis sisalduvad eelprojekti staadiumis arhitektuur -seletuskiri ja joonised. Inseneriosades ainult seletuskirjad: ehituskonstruktsioonid, veevarustus ja kanalisatsioon, küte ja ventilatsioon, energiamärgis elamule. HInnas ei ole teede ja liikluse projekteerija kaas ... Rohkem

Kasutaja ikoon ID48870
Pakkuja profiil Väike nool paremale
2 450€ Ei ole KMKR Ei ole KMKR 01.02.2023 Vestlus (0)

Pakkumise kirjeldus:

Ehitusprojekt eelprojekti staadiumis ehitisregistrile esitamiseks
Pakkumishind sisaldab:
Seletuskiri,Korruste plaanid, Katuse plaan,Hoone lõige, Hoone vaated, Avatäidete joonised, jm asjakohased vajalikud joonised, Asendiplaan
Kooskõlastused ehitusloa saamiseks
Ehitusloa taotluse esitamine ehistisregistrisse
Kui arve tuleb eraisikule siis saab ka ilm ... Rohkem

Küsimused hanke korraldajale

Hanke korraldajale ei ole veel küsimusi esitatud.

Lisa küsimus

Lisa küsimus

Minu pakkumine

Reeglid

Pakkumise kirjelduse väli on mõeldud pakkumise detailsemaks lahti kirjutamiseks. Pikema teksti mugavaks sisestamiseks klikkige kasti paremal ülaservas oleval ikoonil.
Pakkumist tehes on keelatud postitada enda kontaktandmeid (nimi, telefon, aadress jne). Me jälgime ja analüüsime pakkumisi, et vältida pettuseid ja reeglite rikkumisi.
Rikkumise puhul kasutajakonto blokeeritakse.

 

Teisi töid samas valdkonnas

Valdkonnas "Projekteerimine" on 6 aktiivset tööd

no-img Pilt puudub

1-kordse 120 m2 elumaja põhiprojekt

Asukoht: Harjumaa, Metsanurme
Aega jäänud: 8p 18h
Tehtud pakkumisi: 4

no-img Pilt puudub

Saunamaja eelprojekt ehitusteatiseks

Asukoht: Lääne-Virumaa
Aega jäänud: 1p 18h
Tehtud pakkumisi: 3

Vanemad teated:

Vaata kõiki

Sellel veebilehel kasutatakse küpsiseid. Kasutamist jätkates nõustute küpsiste kasutamisega.

Sulge
 
Minu pakkumine

Reeglid

Pakkumise kirjelduse väli on mõeldud pakkumise detailsemaks lahti kirjutamiseks. Pikema teksti mugavaks sisestamiseks klikkige kasti paremal ülaservas oleval ikoonil.
Pakkumist tehes on keelatud postitada enda kontaktandmeid (nimi, telefon, aadress jne). Me jälgime ja analüüsime pakkumisi, et vältida pettuseid ja reeglite rikkumisi.
Rikkumise puhul kasutajakonto blokeeritakse.