+ Lisa oma töö      

Otsid ehitajat "Üldehitus" valdkonnast?

Parima pakkumise ja teostaja leidmiseks lisa oma töö.

Ava kandvasse seina. Projekt olemas

ID 66111

538 vaatamist

Prindi

  • check Pakkumiste tegemine
    kuni 21.10.2021
  • check Võitja valik kuni
    28.10.2021
  • 3 Töö teostamine
    ja hinnang
Hanke lõpp: N, 21. oktoober, 2021
Maakond: Harjumaa
Linn: Tallinn
Tööde algus: E, 01. november, 2021 (Soovituslik)
Tööde lõpp: P, 20. veebruar, 2022 (Soovituslik)
Ehitusmaterjalid: Töö tegija poolt
Soovin pakkumisi: Summa kogu projektile

Töö sisu

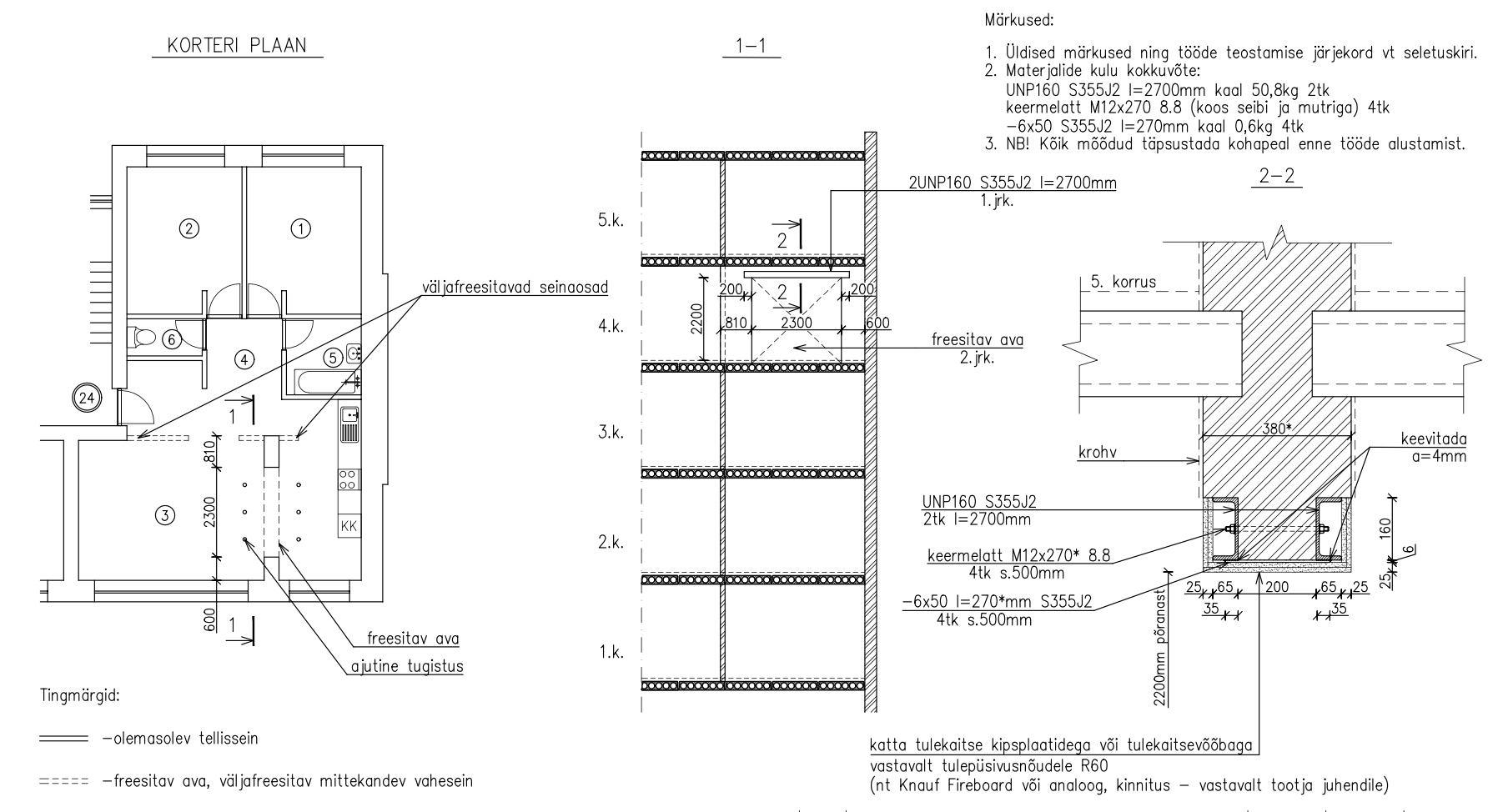
Korteri köögi ja elutoa ühendamiseks on vaja ehitada 2,3 m x 2,2 m ava koos toestusega kandvasse seina. Ehitusprojekt on olemas ning linnavalitsusega kooskõlastatud - saab kohe tööle asuda.

Koos kandva seina ava tegemisega on tarvis eemaldada ka mittekandvaid seinaosi. Tööde täpne kirjeldus leitav manustatud failides.

Tööde teostamisel tuleb arvestada järgnevaga:
1. Enne ava freesimist kindlaks teha elektrijuhtmete asukohad freesitavas seinas. Läbilõigatavad juhtmed vooluvõrgust lahti ühendada.
2. Enne ava freesimist toestada laed ajutise tugistusega.
3. Paigaldatavate teraskonstruktsioonide asukohas krohv maha taguda.
4. Teraselemendid puhastada roostest ja kruntida.
5. Ava lõikamisel tuleb kasutada vibratsioonivaba tehnoloogiat (teemantsaagimine) ja minimeerida naaberkorteritesse ja koridori kanduvat müra ja tolmu. Freesimistöid võib teostada ehitusettevõte mis omab vastavat registreeringut Majandustegevuse Registris.
6. Freesida ühel pool seina horisontaalvagu UNP160 tala toetamiseks (vt joonis EK-7-01 Lõige 1-1 jrk. 1).
7. Paigaldada üks UNP160 tala ning kiiluda ta kinni tugedelt.
8. Freesida teisele poole seina horisontaalvagu, paigaldada teine UNP160 tala ning kiiluda ta kinni tugedelt.
9. Talad peavad olema tihedalt kiilutud vastu toetuspinda kogu toetuspinna ulatuses.
10. Talad ühendada omavahel keermelattidega M10x270* 8.8 s.500mm.
11. Freesida välja ülejäänud seinaosa (vt joonis EK-7-01 Lõige 1-1 jrk. 2).
12. Freesitud seinaosade materjal tuleb koheselt välja vedada.
13. Ajutised tugistused võib eemaldada peale UNP160 terastalade paigaldamist.
14. Tugevduste teraskonstruktsioonide tulele avatud pinnad tuleb katta tulekaitse kipsplaatidega või tulekaitsevärviga vastavalt tulepüsivusnõudele R60.
15. Rekonstrueerimistööde käigus ei muudeta hoone tehnosüsteeme.
16. Ehitusobjektil tagada ehituse käigus tekkivate jäätmete liigiti kogumine ja üle andmine vastavat jäätmekäitlusluba omavale vedajale.

Pildid, video ja failid

Hanke korraldaja: eraisik ID64862

Pakkumised

Pakkumisi kokku: 0

Küsimused hanke korraldajale

Hanke korraldajale ei ole veel küsimusi esitatud.

Lisa küsimus

Lisa küsimus

Minu pakkumine

Reeglid

Pakkumise kirjelduse väli on mõeldud pakkumise detailsemaks lahti kirjutamiseks. Pikema teksti mugavaks sisestamiseks klikkige kasti paremal ülaservas oleval ikoonil.
Pakkumist tehes on keelatud postitada enda kontaktandmeid (nimi, telefon, aadress jne). Me jälgime ja analüüsime pakkumisi, et vältida pettuseid ja reeglite rikkumisi.
Rikkumise puhul kasutajakonto blokeeritakse.

 

Teisi töid samas valdkonnas

Valdkonnas "Üldehitus" on 29 aktiivset tööd

Maja värvimine

Asukoht: Harjumaa, Saue
Aega jäänud: 1p 19h
Tehtud pakkumisi: 6

Vanemad teated:

Vaata kõiki

Sellel veebilehel kasutatakse küpsiseid. Kasutamist jätkates nõustute küpsiste kasutamisega.

Sulge
 
Minu pakkumine

Reeglid

Pakkumise kirjelduse väli on mõeldud pakkumise detailsemaks lahti kirjutamiseks. Pikema teksti mugavaks sisestamiseks klikkige kasti paremal ülaservas oleval ikoonil.
Pakkumist tehes on keelatud postitada enda kontaktandmeid (nimi, telefon, aadress jne). Me jälgime ja analüüsime pakkumisi, et vältida pettuseid ja reeglite rikkumisi.
Rikkumise puhul kasutajakonto blokeeritakse.