+ Lisa oma töö      

Otsid ehitajat "Korterite remont" valdkonnast?

Parima pakkumise ja teostaja leidmiseks lisa oma töö.

Paneelmaja 1-toalise korteri (33,1 m²) kapitaalremont.

ID 56019

2787 vaatamist

Prindi

  • check Pakkumiste tegemine
    kuni 30.01.2021
  • check Võitja valik kuni
    03.02.2021
  • 3 Töö teostamine
    ja hinnang
Hanke lõpp: L, 30. jaanuar, 2021
Maakond: Tartumaa
Linn: Tartu
Tööde algus: T, 09. veebruar, 2021 (Soovituslik)
Tööde lõpp: K, 31. märts, 2021 (Soovituslik)
Ehitusmaterjalid: Töö tegija poolt
Soovin pakkumisi: Summa kogu projektile

Töö sisu

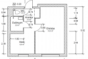
Hankija otsib kapitaalremondi teostajat paneelmaja 1. korruse 1-toalisele korterile arvutusliku kogupinnaga 33,1 m². Tänaseks hetkeks on likvideeritud ja utiliseeritud elutoa, köögi ja koridori põrandakate ning tapeet (vt täpsemalt lisatud pilte). Allpool on täpsustatud põranda-, seina- ja laeviimistluse materjale ning teostamist nõudvad ehitustööd. Hankele on lisatud pildid korterist ja joonised.

Üldine:

⁃ vanade uste (2 tk) demontaaž;
⁃ uste (3 tk) paigaldus;
⁃ elektrijuhtmestiku vahetus kogu korteris (vanad elektrijuhtmed paiknevad kaablisoontes/-torudes seinte sees);
⁃ põrandate tasandamine;
⁃ kogu korteri seinte ja lae viimistlemine värvimiseks, tasandamine;
⁃ seinte ja lae värvimine;
⁃ parketi ja põrandaliistude paigaldamine (S = 29 m², P = 38 m);
⁃ uute laelampide paigaldus ja vanade eemaldus ja utilisatsioon elutoas, köögis ja koridoris;
⁃ ehitusprügi utilisatsioon.

Köök:

⁃ ukseseina osaline lammutamine (vt joonist – punasega on tähistatud lammutatav osa);
⁃ elektripistikute lisamine (P.Pesa Sedna 1-ne maandusega kaitsega valge);
⁃ vana aknalaua eemaldus;
⁃ uue aknalaua paigaldus;
⁃ ventilatsioonilõõri kinnikatmine.

Vannituba:

⁃ vannitoakarbi lammutamine ja utiliseerimine;
⁃ uue kipskarkassi ehitamine;
⁃ vannitoa seinte ettevalmistamine plaatimiseks (hüdroisolatsioon);
⁃ seinte ja põranda plaatimine;
⁃ vanni paigaldus;
⁃ torutööd (vajadusel torude nihutamine parema visuaali tagamiseks);
⁃ vana käterätikuivati eemaldus ja uue paigaldus (soojaveetoru);
⁃ veekindla pistiku paigaldamine pesumasina jaoks;

Laelampe ja ripplage ei ole tarvis paigaldada – tellija paigaldab ise.

WC:

⁃ WC karbi lammutamine ja utiliseerimine;
⁃ uue kipskarkassi ehitamine;
⁃ vana vesikloseti eemaldamine ja utiliseerimine;
⁃ uue vesikloseti tagaseina ehitamine;
⁃ üleliigsete torude peitmine seina taha;
⁃ seinte ja põranda plaatimine;
⁃ ventilatsioonisüsteemi paigaldamine.

Laelampe ja ripplage ei ole tarvis paigaldada – tellija paigaldab ise.

Koridor:

⁃ seinasüvendisse metallist riidepuu paigaldamine;
⁃ osalise kivipõranda paigaldamine välisukse ette (~ 1,5 m²);
⁃ fonoluku juhtme peitmine.

Elutuba:

⁃ vana aknalaua eemaldus ja utiliseerimine;
⁃ uue aknalaua paigaldus;
⁃ internetikaabli paigaldamine.

Siseviimistluse spetsifikatsioonid:

⁃ PV01 Laminaatparkett Extreme 12mm Tamm Guanare 33/AC5;
⁃ PV02 Põrandaplaat 45x45 Rock Moonlight;
⁃ PV03 Põrandaplaat 42x42 Rustyk Brown;
⁃ Liist01 (koos PV01-ga) Põrandaliist PVC M135 22x59x2500mm Premium;
⁃ LV01 laevärv valge;
⁃ LV02 ripplagi;
⁃ SV01 seinavärvi toon Y435 Jääkenttä (Tikkurila);
⁃ SV02 seinavärvi toon F428 Ketju (Tikkurila);
⁃ SV03 seinavärvi toon X381 Aaloe (Tikkurila);
⁃ SV04 Seinaplaat 25x40 Calacatta White 227.

Hinnapakkumises näidata, millise osa moodustab materjalikulu ja millise osa tööraha.

Pildid, video ja failid

Hanke korraldaja: eraisik ID58878

Pakkumised

Pakkumisi kokku: 3

Ettevõte Summa Käibemaks Lisatud Vestlus
Kasutaja ikoon ID58725
Pakkuja profiil Väike nool paremale
9 870€ Sisaldab KM Sisaldab KM 10.01.2021 Vestlus (0)
Kasutaja ikoon ID57417
Pakkuja profiil Väike nool paremale
13 240€ Ei ole KMKR Ei ole KMKR 16.01.2021 Vestlus (0)
Kasutaja ikoon ID40905
Pakkuja profiil Väike nool paremale
9 500€ Sisaldab KM Sisaldab KM 30.01.2021 Vestlus (0)

Pakkumise kirjeldus:

hinnapakkumine vastavalt kirjeldusele.

Küsimused hanke korraldajale

Küsimus: private ID47188   12.01.2021 15:21
Tere,

Oleks paar täpsustavat küsimust:
millega on plaan tasandada põrandad, kas tasandusseguga või põrandaplaadiga, kas elektritööde hulka kuulub ka korteri sisese , uue kilbi paigaldus(soovitatav), kas netikaabel elutuppa ,(arvatavasti algab püstaku kilbist) on plaanis süvistada seina sisse? Ventilatsiooni süsteem imiklapiga ripplaest?

Parimat
Üllar

Teavita reeglite rikkumisest

Korraldaja vastus: 12.01.2021 17:30

Tänan küsimuse eest!

1. Põrandad võiks tasandada kergkruusaga + OSB plaat (2 kihti) - see on ehk kõige kuluefektiivsem ja ajasäästlikum. Kui leiate, et mõni muu alternatiiv oleks parem ja odavam, andke teada.
2. Korterisisene kilp ei teeks paha, jah. Oleks ilmselt mugavam.
3. Internetikaabel võiks joosta põrandaliistu alt.
4. Jah, ventilatsioon imiklapiga ripplaest.

Tänuga
Alex

Teavita reeglite rikkumisest

Lisa küsimus

Lisa küsimus

Minu pakkumine

Reeglid

Pakkumise kirjelduse väli on mõeldud pakkumise detailsemaks lahti kirjutamiseks. Pikema teksti mugavaks sisestamiseks klikkige kasti paremal ülaservas oleval ikoonil.
Pakkumist tehes on keelatud postitada enda kontaktandmeid (nimi, telefon, aadress jne). Me jälgime ja analüüsime pakkumisi, et vältida pettuseid ja reeglite rikkumisi.
Rikkumise puhul kasutajakonto blokeeritakse.

 

Teisi töid samas valdkonnas

Valdkonnas "Korterite remont" on 2 aktiivset tööd

Vannitoa lampide paigaldus + erinevad pisiparandused korteris

Asukoht: Harjumaa, Tallinn
Aega jäänud: 1p 10h
Tehtud pakkumisi: 3

Korteri kapitaalremont ja ümberehitus (täielik siseviimistlus + elektritööd)

Asukoht: Järvamaa
Aega jäänud: 12p 10h
Tehtud pakkumisi: 0

Vanemad teated:

Vaata kõiki

Sellel veebilehel kasutatakse küpsiseid. Kasutamist jätkates nõustute küpsiste kasutamisega.

Sulge
 
Minu pakkumine

Reeglid

Pakkumise kirjelduse väli on mõeldud pakkumise detailsemaks lahti kirjutamiseks. Pikema teksti mugavaks sisestamiseks klikkige kasti paremal ülaservas oleval ikoonil.
Pakkumist tehes on keelatud postitada enda kontaktandmeid (nimi, telefon, aadress jne). Me jälgime ja analüüsime pakkumisi, et vältida pettuseid ja reeglite rikkumisi.
Rikkumise puhul kasutajakonto blokeeritakse.