+ Lisa oma töö      

Otsid ehitajat "Projekteerimine" valdkonnast?

Parima pakkumise ja teostaja leidmiseks lisa oma töö.

Eramu renoveerimis- ja laiendusprojekti koostamine

ID 112479

1093 vaatamist

Prindi

  • check Pakkumiste tegemine
    kuni 11.04.2025
  • check Võitja valik kuni
    18.04.2025
  • 3 Töö teostamine
    ja hinnang
Hanke lõpp: R, 11. aprill, 2025
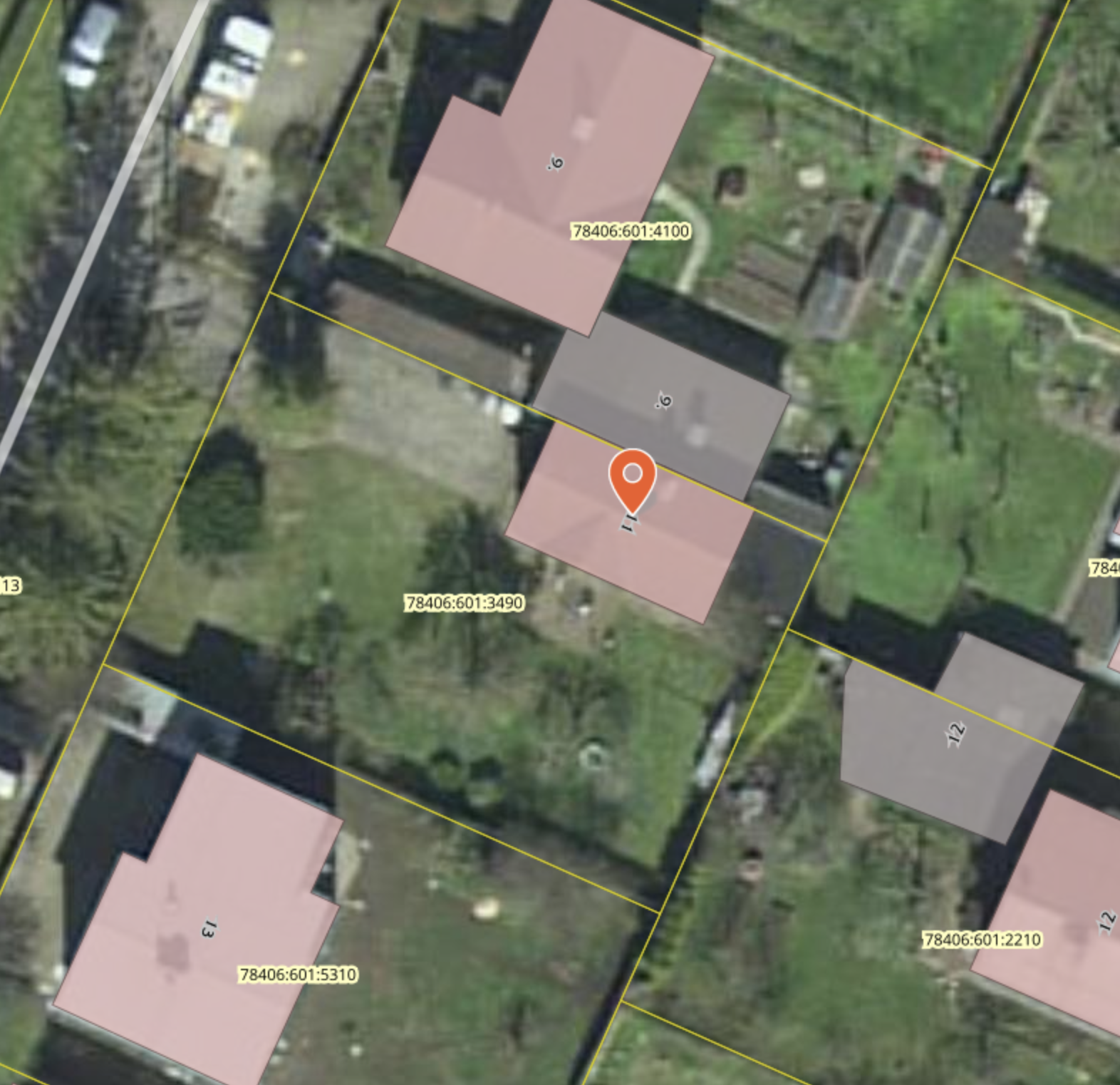
Maakond: Harjumaa
Linn: Tallinn
Tööde lõpp: Kokkuleppel
Ehitusmaterjalid: Töö tellija poolt
Soovin pakkumisi: Summa kogu projektile

Töö sisu

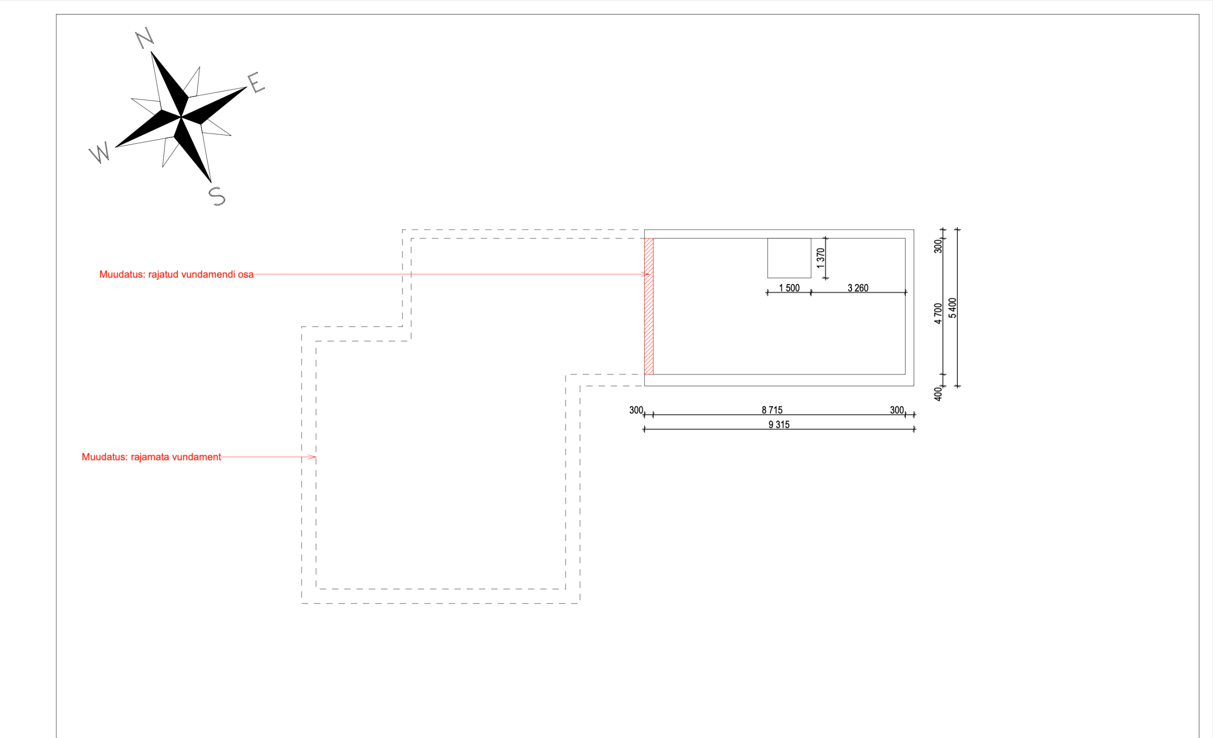
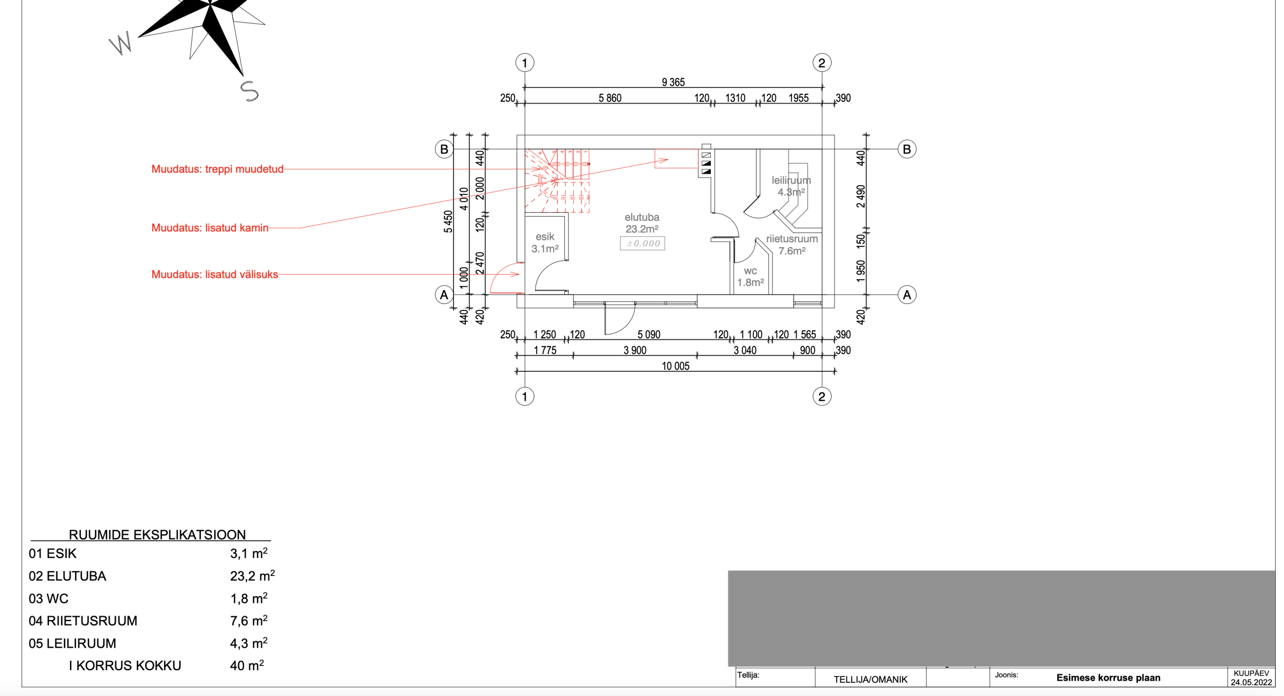
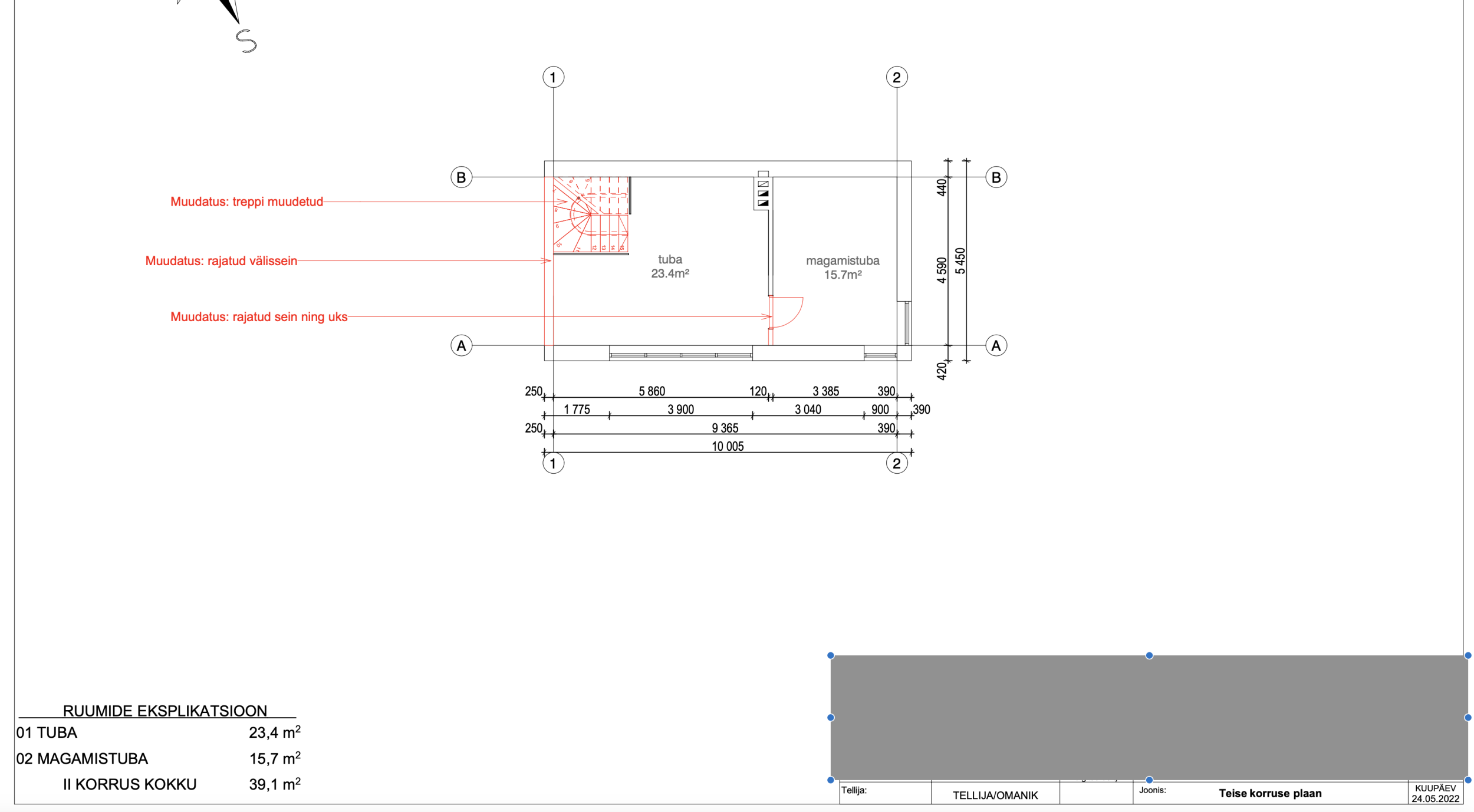
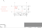
Soovime laiendada olemasolevat kahekordset 79rm eramut esimesel korrusel ca 30rm ning muuta täielikult maja siseplaneeringut. Maja on ehitatud 2004.a.

Olemas on eskiisprojekti põhi, mis on vaja lõpetada ja vormistada.
Lisaks vaja koostada teised vajalikult projektid (eelprojekt kindlasti) et saaks linnalt ehitusloa ning mille baasil saaks ehitama hakata.

Pildid, video ja failid

Hanke korraldaja: eraisik ID88997

Pakkumised

Pakkumisi kokku: 6

Ettevõte Summa Käibemaks Lisatud Vestlus
Kasutaja ikoon ID78425
Pakkuja profiil Väike nool paremale
4 900€ KM lisandub KM lisandub 31.03.2025 Vestlus (0)

Pakkumise kirjeldus:

Oleme 15 aastase projekteerimiskogemusega arhitektuuribüroo ning teinud sadu projekte üle eesti ning omame 10 spetsialisti näol piisavalt kompetentsi.
Arhitektuurne eelprojekt (asendiplaan, seletuskiri, korruste plaanid, vaated, lõiked) 3500-
Olemasolevate jooniste põhjal Archicad 3D mudeli ülesse ehitamine 700-
Ehitusloa taotlus ja menetlus (Proj ... Rohkem

Kasutaja ikoon ID40011
Pakkuja profiil Väike nool paremale
2 100€ Ei ole KMKR Ei ole KMKR 31.03.2025 Vestlus (0)

Pakkumise kirjeldus:

Pakkumine elamu eelprojektile koos menetlusega KOVis, hind ei sisalda riigilõive, geo-alust.

Kasutaja ikoon ID43351
Pakkuja profiil Väike nool paremale
1 950€ Ei ole KMKR Ei ole KMKR 07.04.2025 Vestlus (0)

Pakkumise kirjeldus:

Pakkumine sisaldab väikeelamu laiendamise eelprojekti vastavalt kliendi lähteülesandele ning ehitusteatise edukat esitamist KOV-le.

Projekti koosseis:
seletuskiri, k. a. eriosad jmt;
asendiplaan;
üldplaanid;
üldvaated;
üldlõiked;
sõlm- ja detailijoonised;
3d illustratsioonid;
energiaarvutused (u-arvud)
jm nõutavad materjalid.

Võimali ... Rohkem

Kasutaja ikoon ID26988
Pakkuja profiil Väike nool paremale
1 900€ Ei ole KMKR Ei ole KMKR 10.04.2025 Vestlus (0)

Pakkumise kirjeldus:

Pakkumine sisaldab projekti ehitusloa taotlemiseks / ehitusteatise esitamiseks vajalikus mahus, vastavalt normidele ja standartidele ning Teie kirjeldusele. Kõik kooskõlastused ja asjaajamised kuni ehitusloani / ehitusteatise registreerimiseni. Vajadusel konsultatsioonid ja mõõdistamine. Projekt digitaalselt Teile sobivates formaatides, 3D-visualiseerin ... Rohkem

Kasutaja ikoon ID77238
Pakkuja profiil Väike nool paremale
1 450€ Ei ole KMKR Ei ole KMKR 10.04.2025 Vestlus (0)

Pakkumise kirjeldus:

Meie spetsialiseerumisvaldkonnaks on elamute projekteerimine, rekonstrueerimine ja energiatõhususe parandamine, pöörates erilist tähelepanu esteetilistele küsimustele.
Koostame ehitusprojekte vastavalt standardile EVS 932:2017 ning majandus- ja kommunikatsiooniministri määrusele nr 97 „Nõuded ehitusprojektile“. Omame vastavat MTR-i registreering ... Rohkem

Kasutaja ikoon ID48870
Pakkuja profiil Väike nool paremale
2 450€ Ei ole KMKR Ei ole KMKR 11.04.2025 Vestlus (0)

Pakkumise kirjeldus:

Tere
Ehitusprojekt eelprojekti staadiumis ehitisregistrile esitamiseks
Pakkumishind sisaldab:
Seletuskiri,Korruste plaanid, Katuse plaan,Hoone lõige, Hoone vaated, Avatäidete joonised, jm asjakohased vajalikud joonised, Asendiplaan
Kooskõlastused ehitusloa saamiseks
Ehitusloa taotluse esitamine ehistisregistrisse
Kui arve tuleb eraisikule siis saab ... Rohkem

Küsimused hanke korraldajale

Hanke korraldajale ei ole veel küsimusi esitatud.

Lisa küsimus

Lisa küsimus

Minu pakkumine

Reeglid

Pakkumise kirjelduse väli on mõeldud pakkumise detailsemaks lahti kirjutamiseks. Pikema teksti mugavaks sisestamiseks klikkige kasti paremal ülaservas oleval ikoonil.
Pakkumist tehes on keelatud postitada enda kontaktandmeid (nimi, telefon, aadress jne). Me jälgime ja analüüsime pakkumisi, et vältida pettuseid ja reeglite rikkumisi.
Rikkumise puhul kasutajakonto blokeeritakse.

 

Teisi töid samas valdkonnas

Valdkonnas "Projekteerimine" on 7 aktiivset tööd

no-img Pilt puudub

1-kordse 120 m2 elumaja põhiprojekt

Asukoht: Harjumaa, Metsanurme
Aega jäänud: 8p 8h
Tehtud pakkumisi: 4

no-img Pilt puudub

Saunamaja eelprojekt ehitusteatiseks

Asukoht: Lääne-Virumaa
Aega jäänud: 1p 8h
Tehtud pakkumisi: 3

Vanemad teated:

Vaata kõiki

Sellel veebilehel kasutatakse küpsiseid. Kasutamist jätkates nõustute küpsiste kasutamisega.

Sulge
 
Minu pakkumine

Reeglid

Pakkumise kirjelduse väli on mõeldud pakkumise detailsemaks lahti kirjutamiseks. Pikema teksti mugavaks sisestamiseks klikkige kasti paremal ülaservas oleval ikoonil.
Pakkumist tehes on keelatud postitada enda kontaktandmeid (nimi, telefon, aadress jne). Me jälgime ja analüüsime pakkumisi, et vältida pettuseid ja reeglite rikkumisi.
Rikkumise puhul kasutajakonto blokeeritakse.