+ Lisa oma töö      

Ettevõte ID 24084

Ettevõtte kontaktid on peidetud

Ettevõtte kontaktandmeid näeb hanke korraldaja juhul, kui on kuulutanud antud firma hanke võitjaks või kasutanud "ava pakkujate kontaktid" teenust.

Liitunud: 13.05.2010

******* **

Firma nimi

********

Registrikood

****** *** ****** ********

Juriidiline aadress

******** *******

Kontaktisik

*******************

E-mail

********

Telefon

Tavakasutaja

Antud ettevõte on Hange.ee tavakasutaja

Vaata pakette

Majandustegevuse info

Andmed on pärit Maksu- ja Tolliametist ning Äriregistrist

67 026,00€

Maksustatav käive (periood 01.01.2026 - 31.03.2026 )

2010

Asutatud

4

Töötajaid (31.03.2026)

Puudub

Maksuvõlg (10.05.2026)

Projekteerimine, Gaasitööd

MTR registreering (01.05.2026)

Keskmine hinnang

1.7

Töökiirus:

12345

Kvaliteet:

12345

Hind:

12345

Viimased hinnangud

Küttesüsteemi rekonstrueerimise projekteerimine

1.7
08.03.2012
Töökiirus: 12345
Kvaliteet: 12345
Hind: 12345

Töö teostamise kiirust ja kvaliteeti saab hinnata peale projeki valmimist. - Tõnu K.

2025 kokkuvõte

-
Hange.ee Keskmine hinnang 2025
-
Hange.ee Võidetud hankeid 2025
- EUR
Võidetud kokku 2025
-
Tehtud pakkumisi 2025
Vaata kõiki aastaid (15)

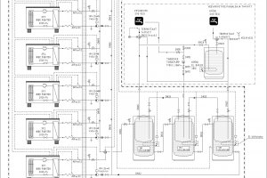
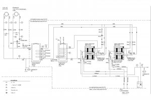
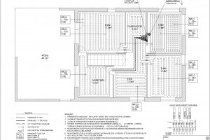
Pildid tehtud töödest

  • Untitled.png
  • Untitled.png
  • P6him6te BASE-Model2.jpg
  • P6him6te BASE-Model.jpg
  • KV-06..08 VENT SKEEMID-Model.jpg
  • KV-01..04 09 PLAANID-Model.jpg
  • Nurmika 4 VENT-Model2.jpg
  • Nurmika 4 VENT-Model.jpg
  • Kesakanni tee 78-Model2.jpg
  • Kesakanni tee 78-Model.jpg

Statistika

Hangetel osalemine

2 622€

Võidetud hangete kogusumma

2

Hankeid võitnud

7

Pakkumisi tehtud

1

Hinnanguid saadud

Hangete korraldamine

0€

Hankeid korraldanud kogusummas

0

Hankeid korraldanud

0

Teistele antud hinnanguid

Vanemad teated:

Vaata kõiki

Sellel veebilehel kasutatakse küpsiseid. Kasutamist jätkates nõustute küpsiste kasutamisega.

Sulge