+ Lisa oma töö      

Otsid ehitajat "Üldehitus" valdkonnast?

Parima pakkumise ja teostaja leidmiseks lisa oma töö.

Plaatvundamendi ehitustöö

ID 92686

898 vaatamist

Prindi

  • check Pakkumiste tegemine
    kuni 18.03.2024
  • check Võitja valik kuni
    25.03.2024
  • 3 Töö teostamine
    ja hinnang
Hanke lõpp: E, 18. märts, 2024
Maakond: Harjumaa
Muu asula: Valkse
Tööde algus: E, 18. märts, 2024 (Soovituslik)
Tööde lõpp: R, 29. märts, 2024 (Soovituslik)
Ehitusmaterjalid: Töö tellija poolt
Soovin pakkumisi: Summa kogu projektile

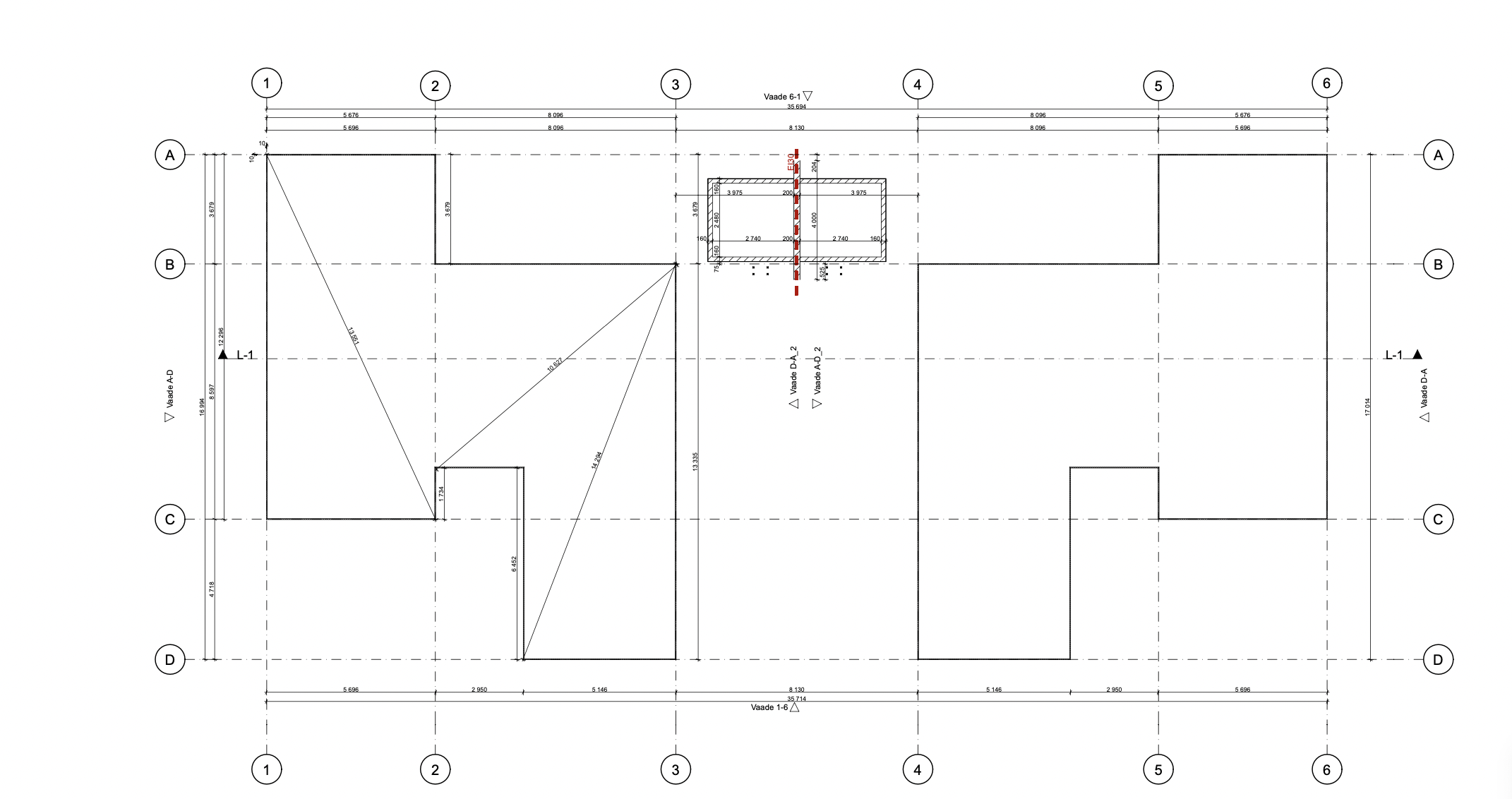
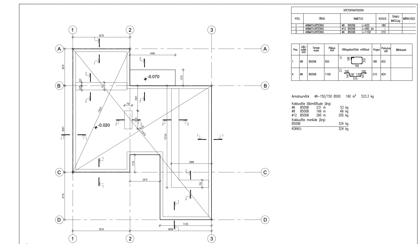
Töö sisu

Tegemist on paarimsjaga. Valmidusastmelt on hetkel tihendatud liivapinnas. Soovime pakkumist kanalisatsioonitorude vedamisele, L-plokkide paigaldamisele, EPS paigaldus, veetorud, kile koos armeeringuga, põrandaküttetorusik koos kollektoriga, valamine.
Materjalid kõik olemas

Pildid, video ja failid

Hanke korraldaja: ettevõte ID80330

Pakkumised

Pakkumisi kokku: 8

Ettevõte Summa Käibemaks Lisatud Vestlus
Kasutaja ikoon ID79832
Pakkuja profiil Väike nool paremale
32 500€ Sisaldab KM Sisaldab KM 11.03.2024 Vestlus (5)

Pakkumise kirjeldus:

Kas radooni kile ja selle jaoks kogu süsteemi on vaja ka?

Kasutaja ikoon ID61081
Pakkuja profiil Väike nool paremale
12 500€ KM lisandub KM lisandub 11.03.2024 Vestlus (0)

Pakkumise kirjeldus:

Tere.

Hinnapakkumine ainult tööle.

Kasutaja ikoon ID72190
Pakkuja profiil Väike nool paremale
28 000€ Sisaldab KM Sisaldab KM 13.03.2024 Vestlus (0)

Pakkumise kirjeldus:

14000,0*2=28000,0 koos käibemaksuga

Kasutaja ikoon ID8633
Pakkuja profiil Väike nool paremale
28 000€ KM lisandub KM lisandub 17.03.2024 Vestlus (0)
Kasutaja ikoon ID8356
Pakkuja profiil Väike nool paremale
15 020€ KM lisandub KM lisandub 18.03.2024 Vestlus (0)
Kasutaja ikoon ID78546
Pakkuja profiil Väike nool paremale
10 000€ KM lisandub KM lisandub 18.03.2024 Vestlus (0)

Pakkumise kirjeldus:

Vaata fotosid.

Kasutaja ikoon ID52293
Pakkuja profiil Väike nool paremale
4 500€ Sisaldab KM Sisaldab KM 18.03.2024 Vestlus (0)

Pakkumise kirjeldus:

Tere
Juhul kui soovite meid valida hanke võitjaks peaks eelnevalt kokku leppima makse tingimustes
Tänud

Kasutaja ikoon ID33806
Pakkuja profiil Väike nool paremale
79 240€ KM lisandub KM lisandub 18.03.2024 Vestlus (0)

Pakkumise kirjeldus:

Tere
Hinnapakkumine plaatvundamendi ehitusele mis sisaldab ka põrandakütte torustikku ning selle paigaldust.
Pakkumine ei sisalda veetorustiku, kanalisatsioonitorustiku ning elektrikaablite põrandasisest paigaldust, kuna puudub VK projekt.

Hinnapakkumine mõlema majaosa plaatvundamendi ehitusele 81240 eurot + km

Küsimused hanke korraldajale

Küsimus: private ID74140   12.03.2024 07:04
Kas võib teha pakkumise ainult kanali,vee ja küttetoru paigaldamiseks?

Parimat soovides

Teavita reeglite rikkumisest

Korraldaja vastus: 18.03.2024 09:33

Tere
Võib küll, vajate selleks vk projketi ma eeldan ?

Teavita reeglite rikkumisest

Küsimus: private ID18214   15.03.2024 08:33
Tere.
Kas kivimaja või puitmaja on pele tulemas ja kas katuse tegijad on olemas.
Lgp
Joel.

Teavita reeglite rikkumisest

Korraldaja vastus:
Hanke korraldaja ei ole küsimusele veel vastanud

Küsimus: private ID74140   18.03.2024 11:03
Tere.

Jah pakkumise tegemiseks vajaksin vk ja kütte joonist.

Ette tänades

Teavita reeglite rikkumisest

Korraldaja vastus: 18.03.2024 11:16

kuhu saata ?

Teavita reeglite rikkumisest

Lisa küsimus

Lisa küsimus

Minu pakkumine

Reeglid

Pakkumise kirjelduse väli on mõeldud pakkumise detailsemaks lahti kirjutamiseks. Pikema teksti mugavaks sisestamiseks klikkige kasti paremal ülaservas oleval ikoonil.
Pakkumist tehes on keelatud postitada enda kontaktandmeid (nimi, telefon, aadress jne). Me jälgime ja analüüsime pakkumisi, et vältida pettuseid ja reeglite rikkumisi.
Rikkumise puhul kasutajakonto blokeeritakse.

 

Teisi töid samas valdkonnas

Valdkonnas "Üldehitus" on 30 aktiivset tööd

Kuuri lammutus

Asukoht: Pärnumaa
Aega jäänud: 2p 17h
Tehtud pakkumisi: 6

Põrandakütte torustiku ja kollektori paigaldus.

Asukoht: Harjumaa, Kurkse
Aega jäänud: 15p 17h
Tehtud pakkumisi: 4

Vanemad teated:

Vaata kõiki

Sellel veebilehel kasutatakse küpsiseid. Kasutamist jätkates nõustute küpsiste kasutamisega.

Sulge
 
Minu pakkumine

Reeglid

Pakkumise kirjelduse väli on mõeldud pakkumise detailsemaks lahti kirjutamiseks. Pikema teksti mugavaks sisestamiseks klikkige kasti paremal ülaservas oleval ikoonil.
Pakkumist tehes on keelatud postitada enda kontaktandmeid (nimi, telefon, aadress jne). Me jälgime ja analüüsime pakkumisi, et vältida pettuseid ja reeglite rikkumisi.
Rikkumise puhul kasutajakonto blokeeritakse.