+ Lisa oma töö      

Otsid ehitajat "Küttesüsteemid" valdkonnast?

Parima pakkumise ja teostaja leidmiseks lisa oma töö.

Hange on lõppenud!

Võitjaks osutus kasutaja ID 64660

Korraldaja hinnang tehtud tööle

5.0
14.07.2024
Töökiirus: 12345
Kvaliteet: 12345
Hind: 12345

Koos leidsime optimaalsed lahendused mis sobisid olemasoleva olukorraga. Ainus märkus, et koristama pidime ise pärast tööde lõppu kõvasti. - Madis K.

Näita pilte (1) Peida pildid

Enne:

Pärast:

  • IMG_20240627_211439.jpg

Küttesüsteemi ehitus

ID 91409

1112 vaatamist

Prindi

  • check Pakkumiste tegemine
    kuni 12.03.2024
  • check Võitja valik kuni
    19.03.2024
  • 3 Töö teostamine
    ja hinnang
Hanke lõpp: T, 12. märts, 2024
Maakond: Tartumaa
Linn: Tartu
Tööde algus: E, 18. märts, 2024 (Soovituslik)
Tööde lõpp: P, 30. juuni, 2024 (Soovituslik)
Ehitusmaterjalid: Töö tegija poolt
Soovin pakkumisi: Summa kogu projektile

Töö sisu

Renoveeritavas, osaliselt kasutuses eramajas Õhk vesi soojuspumba põhise küttetorustiku ehitus ja radiaatorite paigaldus.
Hoone on püstpalgist. Esimesel korrusel on mõned seinad krohvitud, mõned kaetud kipsplaadiga. Teisel korrusel on siseviimistlus alles tegemata (puitkarkassil seinad).
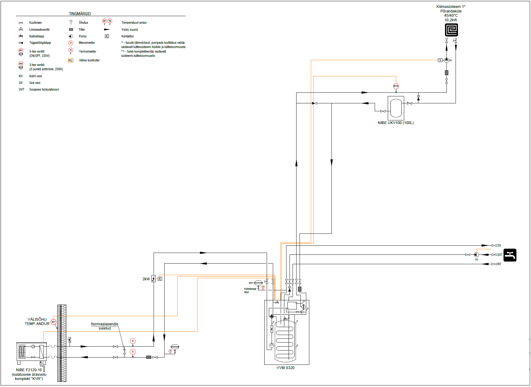
Olemas kütte-ja ventilatsiooniprojekt.
Hankele lisatud projekti joonised ja seletuskirjast väljavõte kütte osa kohta.

Selle hanke raames sooviks pakkumist järgnevatele töödele:
- Küttetorustiku paigaldus ja isoleerimine vastavalt projektile
- Radiaatorite paigaldus
- Põrandakütte kollektorite ja nendeni viiva torustiku paigaldus - põrandakütte kontuuride paigaldamine ei ole hanke osa.
- Vajalikud materjalid teostaja poolt

Võib teha ka pakkumise koos soojuspumba ja selle paigaldusega, kuid siis võiks selgelt eristada eeltoodud tööde maksumuse ja pumba ning paigalduse maksumuse.
Lisatud projekteerija spetsifikatsioon, kus on toodud näitlikud soojusvarustuse seadmed ja küttesüsteemi osised.

Pildid, video ja failid

Hanke korraldaja: eraisik ID52671

Pakkumised

Pakkumisi kokku: 6

Ettevõte Summa Käibemaks Lisatud Vestlus
Kasutaja ikoon ID64660
Pakkuja profiil Väike nool paremale
19 500€ KM lisandub KM lisandub 27.02.2024 Vestlus (22)

Pakkumise kirjeldus:

Õhk-vesi soojuspump Daikin boileriga 16kw. Nibe on maakütteks. Torustik teraspress kõik. Projekt on väga vigane.Nagu alati. Kõik materjalid on kvaliteetsed, kontrollitud aastaid. Hind sisaldab soojuspumpa paigaldusega, põrandakütte kollektorite paigaldust, radiaatorite paigaldust koos radiaatoritega. Kõik materjalid on uued. Garantii 2 aastat. 30 a ... Rohkem

Kasutaja ikoon ID74916
Pakkuja profiil Väike nool paremale
4 400€ Ei ole KMKR Ei ole KMKR 28.02.2024 Vestlus (14)

Pakkumise kirjeldus:

Tere

Pakkumine sisaldab radiaatoreid koos paigaldusega, radiaatorite torustiku koos paigaldusega, põrandakütte kollektoreid koos torude ühendusega. Paigaldus, survestus ja veehulkade seadistus.
Radiaatorid on valged plekkradiaatorid, radiaatorkütte torud teraspress torud, tehnoruumis ja mittenähtavad torud alupex (press liitmikega).
Pärast tööde ... Rohkem

Kasutaja ikoon ID73165
Pakkuja profiil Väike nool paremale
22 055€ KM lisandub KM lisandub 29.02.2024 Vestlus (0)

Pakkumise kirjeldus:

Pakkumine sisaldab:
- Soojuspumba Daikin Altherma 3 H HT 16kW 180L. integeeritud boileriga tarnet objektile
- Akupaaki 100L.
- Monoplokkpumba külmumiskaitsegrupi.
- Soojuspumba standart paigaldust ja häälestust objektil
- Soojuspumba gaasitorustiku vastavalt seadme suurusele kuni 3m
- Soojuspumba maaraami
- Andmesidekaablit sise- ja välisseadme ... Rohkem

Kasutaja ikoon ID76435
Pakkuja profiil Väike nool paremale
23 180€ Sisaldab KM Sisaldab KM 04.03.2024 Vestlus (0)

Pakkumise kirjeldus:

SP siseosa Bosch AWM-17 3930
SP väliosa Bosch CS7001iAW 13 OR-T 5120
HSM25/6 MM100 Pumbagrupp segistiga 500
Akumulatsioonipaak 100L 360
Paisupaagid (küte, vesi) 90
E ... Rohkem

Kasutaja ikoon ID65880
Pakkuja profiil Väike nool paremale
8 942,0€ KM lisandub KM lisandub 11.03.2024 Vestlus (10)

Pakkumise kirjeldus:

Tere,

Hinnad tehtud täpselt teie poolt nõutud töödele + materjal.
Hindade aluseks projekteerija spetsifikatsioon.

Selle hanke raames sooviks pakkumist järgnevatele töödele:
- Küttetorustiku paigaldus ja isoleerimine vastavalt projektile
- Radiaatorite paigaldus
- Põrandakütte kollektorite ja nendeni viiva torustiku paigaldus - põrandakü ... Rohkem

Kasutaja ikoon ID50618
Pakkuja profiil Väike nool paremale
6 700€ KM lisandub KM lisandub 11.03.2024 Vestlus (3)

Pakkumise kirjeldus:

Hind sisaldab:
- 11 Purmo radiaatorit, termostaati ja sulgelementi
- teraspress toru ja liiteid
- kinnitusvahendeid
- liiniseade ventiile
Hinnas pole toru isoleerimist(toa trasse ei isoleerita ja joonisel puudus viide).
Hinnas pole soojusandjaga ühenduatöid ega seadistamisi.

Valida võitjaks ainult siis kui olete kindlad tööde tellijad, siis me ... Rohkem

Küsimused hanke korraldajale

Küsimus: private ID64660   27.02.2024 08:56
Ütlen ausalt. Ei ole ma veel eramajade projekte näinud mis oleks tõsiselt võetav. Sellega sama.

Teavita reeglite rikkumisest

Korraldaja vastus: 27.02.2024 09:00

Ehk täpsustate? Kui teie arvates on projektiga midagi fundamentaalselt valesti, oleks endalgi hea teada, enne kui asjaga edasi läheme.

Teavita reeglite rikkumisest

Küsimus: private ID64660   27.02.2024 11:50
Ma ei saa seda infot jagada kahjuks ilma tööd omamata.

Teavita reeglite rikkumisest

Korraldaja vastus: 27.02.2024 12:12

Selge

Teavita reeglite rikkumisest

Lisa küsimus

Lisa küsimus

Minu pakkumine

Reeglid

Pakkumise kirjelduse väli on mõeldud pakkumise detailsemaks lahti kirjutamiseks. Pikema teksti mugavaks sisestamiseks klikkige kasti paremal ülaservas oleval ikoonil.
Pakkumist tehes on keelatud postitada enda kontaktandmeid (nimi, telefon, aadress jne). Me jälgime ja analüüsime pakkumisi, et vältida pettuseid ja reeglite rikkumisi.
Rikkumise puhul kasutajakonto blokeeritakse.

 

Teisi töid samas valdkonnas

Valdkonnas "Küttesüsteemid" on 2 aktiivset tööd

no-img Pilt puudub

Küttesüsteemi püstakute vahetus ja radiaatoritega ühendamine

Asukoht: Järvamaa, Paide
Aega jäänud: 3p 18h
Tehtud pakkumisi: 2

Cooper&Hunter Consol Inverter 18

Asukoht: Harjumaa, Tallinn
Aega jäänud: 18h 37 min
Tehtud pakkumisi: 1

Vanemad teated:

Vaata kõiki

Sellel veebilehel kasutatakse küpsiseid. Kasutamist jätkates nõustute küpsiste kasutamisega.

Sulge
 
Minu pakkumine

Reeglid

Pakkumise kirjelduse väli on mõeldud pakkumise detailsemaks lahti kirjutamiseks. Pikema teksti mugavaks sisestamiseks klikkige kasti paremal ülaservas oleval ikoonil.
Pakkumist tehes on keelatud postitada enda kontaktandmeid (nimi, telefon, aadress jne). Me jälgime ja analüüsime pakkumisi, et vältida pettuseid ja reeglite rikkumisi.
Rikkumise puhul kasutajakonto blokeeritakse.