+ Lisa oma töö      

Otsid ehitajat "Vundamenditööd" valdkonnast?

Parima pakkumise ja teostaja leidmiseks lisa oma töö.

Eramaja vundament

ID 89335

1096 vaatamist

Prindi

  • check Pakkumiste tegemine
    kuni 18.02.2024
  • check Võitja valik kuni
    25.02.2024
  • 3 Töö teostamine
    ja hinnang
Hanke lõpp: P, 18. veebruar, 2024
Maakond: Tartumaa
Muu asula: Ülenurme
Tööde algus: R, 01. märts, 2024 (Soovituslik)
Tööde lõpp: P, 31. märts, 2024 (Soovituslik)
Ehitusmaterjalid: Töö tegija poolt
Soovin pakkumisi: Summa kogu projektile

Töö sisu

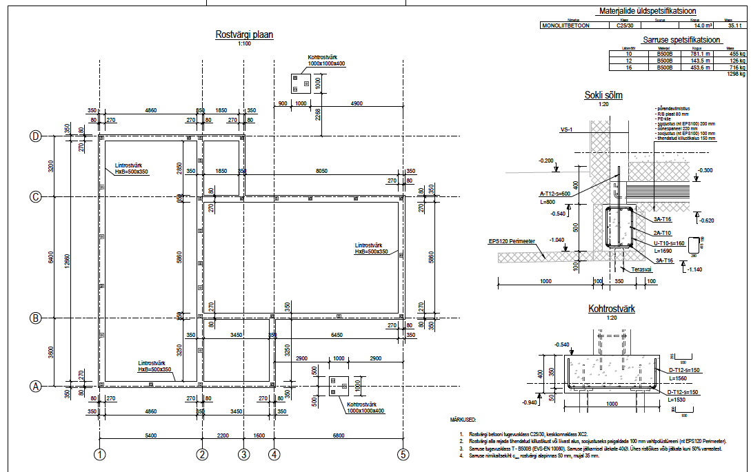
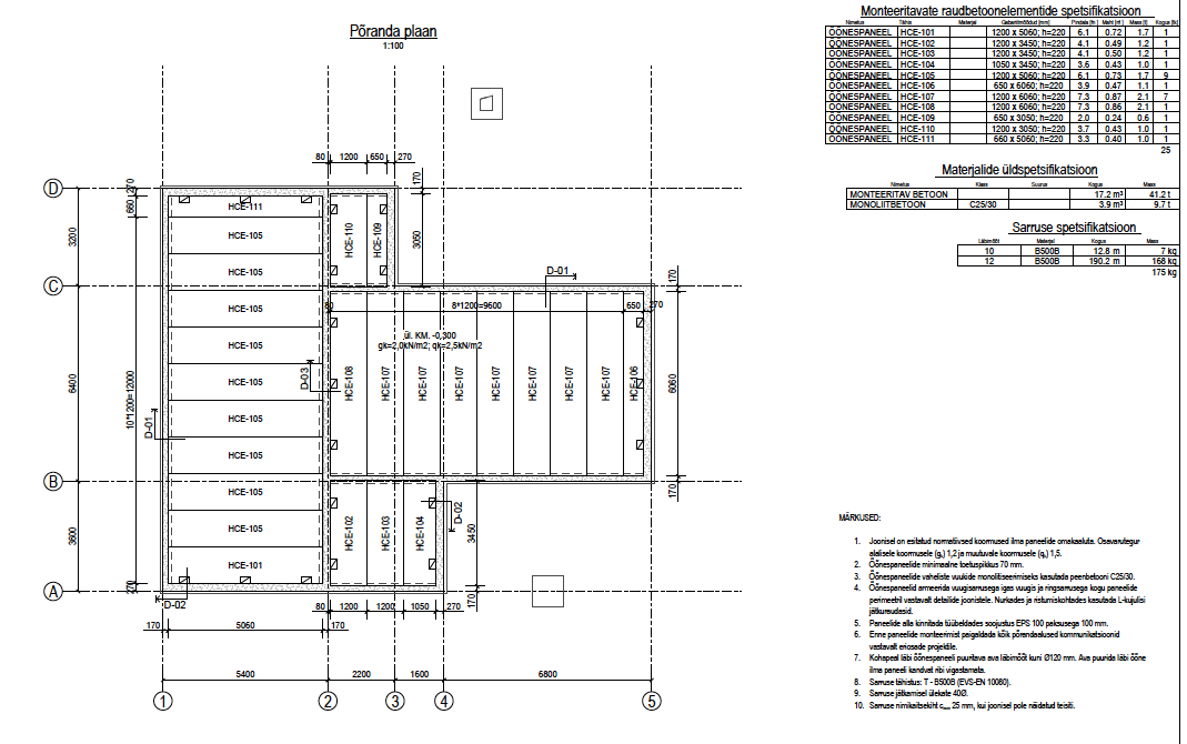
Eramaja vundamendi (209m2) ehitus koos kanalisatsiooni, vee ja maakaabli paigaldusega.

Pildid, video ja failid

Hanke korraldaja: eraisik ID79215

Pakkumised

Pakkumisi kokku: 4

Ettevõte Summa Käibemaks Lisatud Vestlus
Kasutaja ikoon ID57450
Pakkuja profiil Väike nool paremale
38 200€ KM lisandub KM lisandub 20.01.2024 Vestlus (0)

Pakkumise kirjeldus:

Hind vastavalt lähteülesandele. Hetkel lähtutud sellest, et tegemist vaiadele rajatud lintvundamendil, milles ujuv betoonpõrand.
Sobivusel võtke ühendust, tuleme läbi ning koostame detailse pakkumise.
Edukat hanget!

Kasutaja ikoon ID43596
Pakkuja profiil Väike nool paremale
35 500€ KM lisandub KM lisandub 22.01.2024 Vestlus (0)
Kasutaja ikoon ID65880
Pakkuja profiil Väike nool paremale
39 394€ KM lisandub KM lisandub 22.01.2024 Vestlus (0)

Pakkumise kirjeldus:

Tere.
Hind tehtud vundamendi ehitusele koos kanalisatsiooni, vee ja maakaabliga. Lisaks kaetudtööde aktid.

Kasutaja ikoon ID79499
Pakkuja profiil Väike nool paremale
37 000€ Sisaldab KM Sisaldab KM 05.02.2024 Vestlus (0)

Pakkumise kirjeldus:

Tere.
Pakkumine sisaldab nii tööd, kui materjali.

Küsimused hanke korraldajale

Küsimus: private ID67766   19.01.2024 22:04
Tere. Tegemist on lintvundamendiga või plaatvundamendiga .Parimat soovides

Teavita reeglite rikkumisest

Korraldaja vastus: 20.01.2024 15:32

Tere, tegemist on vaiade peale ehitatud lintvundamendiga.

Teavita reeglite rikkumisest

Lisa küsimus

Lisa küsimus

Minu pakkumine

Reeglid

Pakkumise kirjelduse väli on mõeldud pakkumise detailsemaks lahti kirjutamiseks. Pikema teksti mugavaks sisestamiseks klikkige kasti paremal ülaservas oleval ikoonil.
Pakkumist tehes on keelatud postitada enda kontaktandmeid (nimi, telefon, aadress jne). Me jälgime ja analüüsime pakkumisi, et vältida pettuseid ja reeglite rikkumisi.
Rikkumise puhul kasutajakonto blokeeritakse.

 

Vanemad teated:

Vaata kõiki

Sellel veebilehel kasutatakse küpsiseid. Kasutamist jätkates nõustute küpsiste kasutamisega.

Sulge
 
Minu pakkumine

Reeglid

Pakkumise kirjelduse väli on mõeldud pakkumise detailsemaks lahti kirjutamiseks. Pikema teksti mugavaks sisestamiseks klikkige kasti paremal ülaservas oleval ikoonil.
Pakkumist tehes on keelatud postitada enda kontaktandmeid (nimi, telefon, aadress jne). Me jälgime ja analüüsime pakkumisi, et vältida pettuseid ja reeglite rikkumisi.
Rikkumise puhul kasutajakonto blokeeritakse.