+ Lisa oma töö      

Otsid ehitajat "Siseviimistlustööd" valdkonnast?

Parima pakkumise ja teostaja leidmiseks lisa oma töö.

ZUCCHETI segistite ning vannisegisti käsidušiga VARUOSADE VAHETUS

ID 89247

311 vaatamist

Prindi

  • check Pakkumiste tegemine
    kuni 30.01.2024
  • check Võitja valik kuni
    06.02.2024
  • 3 Töö teostamine
    ja hinnang
Hanke lõpp: T, 30. jaanuar, 2024
Maakond: Harjumaa
Linn: Tallinn
Tööde algus: N, 04. aprill, 2024 (Soovituslik)
Tööde lõpp: N, 11. aprill, 2024 (Soovituslik)
Ehitusmaterjalid: Töö tellija poolt
Soovin pakkumisi: Summa kogu projektile

Töö sisu

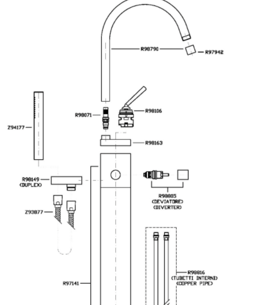
Varuosad on tellitud.
Vahetada tuleks ISY padrun ja kang kahel segistil.
Seina segisti kang, padrun ning kate.
Vannisegisti käsidušiga voolik, kang padruniga, kate, ümberlüliti ning hoidik.
Olemas on joonised.

Pildid, video ja failid

Hanke korraldaja: eraisik ID61068

Pakkumised

Pakkumisi kokku: 3

Ettevõte Summa Käibemaks Lisatud Vestlus
Kasutaja ikoon ID52402
Pakkuja profiil Väike nool paremale
250€ Sisaldab KM Sisaldab KM 17.01.2024 Vestlus (0)
Kasutaja ikoon ID38400
Pakkuja profiil Väike nool paremale
189€ Ei ole KMKR Ei ole KMKR 23.01.2024 Vestlus (0)

Pakkumise kirjeldus:

Tere.

Vahetan hankes nimetatud osad. Töö kiire ja korralik, saab vahetada niimoodi, et osasid ei kraabi.

Käibemaksu ei lisandu.

Tööle 2 aastane garantii.

Lisaküsimuste korral võtke ühendust vestlusaknas.

Tervitades,

Kasutaja ikoon ID52293
Pakkuja profiil Väike nool paremale
1 000€ Sisaldab KM Sisaldab KM 23.01.2024 Vestlus (0)

Küsimused hanke korraldajale

Hanke korraldajale ei ole veel küsimusi esitatud.

Lisa küsimus

Lisa küsimus

Minu pakkumine

Reeglid

Pakkumise kirjelduse väli on mõeldud pakkumise detailsemaks lahti kirjutamiseks. Pikema teksti mugavaks sisestamiseks klikkige kasti paremal ülaservas oleval ikoonil.
Pakkumist tehes on keelatud postitada enda kontaktandmeid (nimi, telefon, aadress jne). Me jälgime ja analüüsime pakkumisi, et vältida pettuseid ja reeglite rikkumisi.
Rikkumise puhul kasutajakonto blokeeritakse.

 

Teisi töid samas valdkonnas

Valdkonnas "Siseviimistlustööd" on 20 aktiivset tööd

Seinte pahteldus ja värvimine

Asukoht: Harjumaa, Türisalu
Aega jäänud: 2p 21h
Tehtud pakkumisi: 7

Korteri seinte ja lagede värvimine, osaline pahteldamine

Asukoht: Harjumaa, Tallinn
Aega jäänud: 21h 28 min
Tehtud pakkumisi: 5

Vanemad teated:

Vaata kõiki

Sellel veebilehel kasutatakse küpsiseid. Kasutamist jätkates nõustute küpsiste kasutamisega.

Sulge
 
Minu pakkumine

Reeglid

Pakkumise kirjelduse väli on mõeldud pakkumise detailsemaks lahti kirjutamiseks. Pikema teksti mugavaks sisestamiseks klikkige kasti paremal ülaservas oleval ikoonil.
Pakkumist tehes on keelatud postitada enda kontaktandmeid (nimi, telefon, aadress jne). Me jälgime ja analüüsime pakkumisi, et vältida pettuseid ja reeglite rikkumisi.
Rikkumise puhul kasutajakonto blokeeritakse.