+ Lisa oma töö      

Otsid ehitajat "Arhitektibürood" valdkonnast?

Parima pakkumise ja teostaja leidmiseks lisa oma töö.

Hange on lõppenud!

Võitjaks osutus kasutaja ID 52246

Rekonstrueeritud eramule majasisese vesi-kanal projekti koostamine

ID 85786

383 vaatamist

Prindi

  • check Pakkumiste tegemine
    kuni 02.09.2023
  • check Võitja valik kuni
    09.09.2023
  • 3 Töö teostamine
    ja hinnang
Hanke lõpp: L, 2. september, 2023
Maakond: Harjumaa
Linn: Tallinn
Tööde algus: N, 31. august, 2023 (Soovituslik)
Tööde lõpp: E, 11. september, 2023 (Soovituslik)
Ehitusmaterjalid: Töö tellija poolt
Soovin pakkumisi: Summa kogu projektile

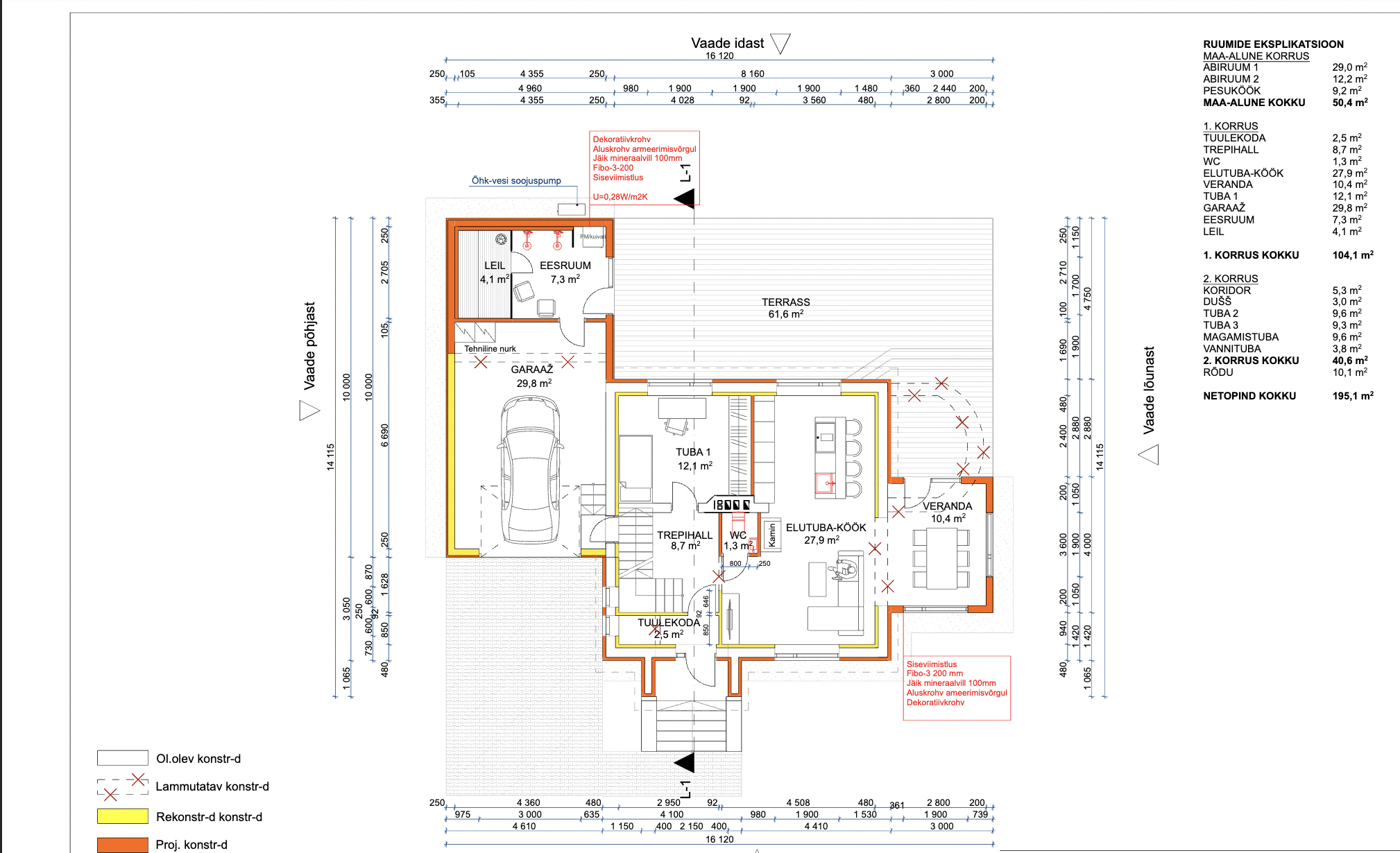
Töö sisu

Rekonstrueeritud eramule majasisese vesi-kanal projekti koostamine.
Rekonstrueerimisprojekt on olemas.

Pildid, video ja failid

Hanke korraldaja: eraisik ID55008

Pakkumised

Pakkumisi kokku: 5

Ettevõte Summa Käibemaks Lisatud Vestlus
Kasutaja ikoon ID63115
Pakkuja profiil Väike nool paremale
900€ KM lisandub KM lisandub 31.08.2023 Vestlus (0)

Pakkumise kirjeldus:

Hinnapakkumine sisaldab siseveevarustuse- ja sisekanalisatsioonisüsteemide põhiprojekti.
Ettemaksu ei soovi.
Vastutava isiku allkiri on hinna sees.

Veevarustuse pakkumine sisaldab vooluhulkade arvutamist, hoonesisese magistraalide ja san.seadmete ühendustorude projekteerimist, veemõõdusõlme projekteerimist, põhiseadmete mahuloetelu ja seletuskir ... Rohkem

Kasutaja ikoon ID48870
Pakkuja profiil Väike nool paremale
900€ Sisaldab KM Sisaldab KM 02.09.2023 Vestlus (6)

Pakkumise kirjeldus:

Tere
minu pakkumine sellele tööle, vee- ja kanalisatsioonitrassi projekt on 900 euro
Olen ehitusinsener tase 7
Omame MTR registreeringut:
EEP: arhitektuuri osa
hoonesisene või selle juurde kuuluv veevarustuse või kanalisatsioonisüsteem
konstruktsioonide osa
sisekliima tagamise süsteem
EEO: hoonesisene või selle juurde kuuluv veevarustuse või ... Rohkem

Kasutaja ikoon ID52246
Pakkuja profiil Väike nool paremale
700€ Ei ole KMKR Ei ole KMKR 02.09.2023 Vestlus (5)
Kasutaja ikoon ID75770
Pakkuja profiil Väike nool paremale
800€ Sisaldab KM Sisaldab KM 02.09.2023 Vestlus (0)

Pakkumise kirjeldus:

Tere!

Pakkumine vastavalt tellija lähteülesandele ja kehtivatele normidele hoone sisesteks töödeks

Kasutaja ikoon ID73479
Pakkuja profiil Väike nool paremale
1 100€ Sisaldab KM Sisaldab KM 02.09.2023 Vestlus (0)

Pakkumise kirjeldus:

Tere,

Hea meelega teostame tööd teie jaoks.tööd tehakse kvaliteetselt ja võimalikult kiiresti.Pakume 5 aastane garantii oma töödele.

See hind sisaldab kõiki nimekirjas olevaid soovitud tööd.
Spetsialisti tulek teie objektile, hinnapakkumise ja tööteostamise lepingu koostamine.

Minu firma tegeleb katuste, fassaadide ehitusega ning üldeh ... Rohkem

Küsimused hanke korraldajale

Hanke korraldajale ei ole veel küsimusi esitatud.

Lisa küsimus

Lisa küsimus

Minu pakkumine

Reeglid

Pakkumise kirjelduse väli on mõeldud pakkumise detailsemaks lahti kirjutamiseks. Pikema teksti mugavaks sisestamiseks klikkige kasti paremal ülaservas oleval ikoonil.
Pakkumist tehes on keelatud postitada enda kontaktandmeid (nimi, telefon, aadress jne). Me jälgime ja analüüsime pakkumisi, et vältida pettuseid ja reeglite rikkumisi.
Rikkumise puhul kasutajakonto blokeeritakse.

 

Teisi töid samas valdkonnas

Valdkonnas "Arhitektibürood" on 4 aktiivset tööd

no-img Pilt puudub

Ehitusprojekt

Asukoht: Pärnumaa, Lemmetsa
Aega jäänud: 2p 7h
Tehtud pakkumisi: 3

36 kohalise hooldekodu projekti koostamine

Asukoht: Pärnumaa, Pärnu
Aega jäänud: 29p 7h
Tehtud pakkumisi: 2

Vanemad teated:

Vaata kõiki

Sellel veebilehel kasutatakse küpsiseid. Kasutamist jätkates nõustute küpsiste kasutamisega.

Sulge
 
Minu pakkumine

Reeglid

Pakkumise kirjelduse väli on mõeldud pakkumise detailsemaks lahti kirjutamiseks. Pikema teksti mugavaks sisestamiseks klikkige kasti paremal ülaservas oleval ikoonil.
Pakkumist tehes on keelatud postitada enda kontaktandmeid (nimi, telefon, aadress jne). Me jälgime ja analüüsime pakkumisi, et vältida pettuseid ja reeglite rikkumisi.
Rikkumise puhul kasutajakonto blokeeritakse.