+ Lisa oma töö      

Otsid ehitajat "Üldehitus" valdkonnast?

Parima pakkumise ja teostaja leidmiseks lisa oma töö.

Hange on lõppenud!

Võitjaks osutus kasutaja ID 57475

Seinte ja põrandate lammutus

ID 85666

478 vaatamist

Prindi

  • check Pakkumiste tegemine
    kuni 31.08.2023
  • check Võitja valik kuni
    07.09.2023
  • 3 Töö teostamine
    ja hinnang
Hanke lõpp: N, 31. august, 2023
Maakond: Harjumaa
Linn: Tallinn
Tööde algus: E, 11. september, 2023 (Soovituslik)
Tööde lõpp: R, 15. september, 2023 (Soovituslik)
Ehitusmaterjalid: Töö tegija poolt
Soovin pakkumisi: Summa kogu projektile

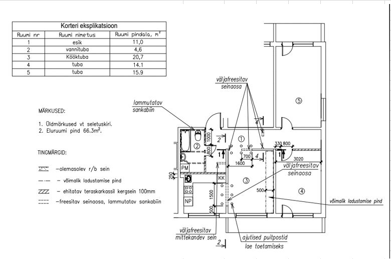
Töö sisu

Oleks vaja lammutada paneelmaja korteris seinad projekti alusel.
Pakkumine võiks sisaldada seinte freesimist, metalltalade paigaldust, vannitoa lammutust ja prügi utiliseerimist.
+ põrandate lammutus.

Pildid, video ja failid

Hanke korraldaja: eraisik ID71772

Pakkumised

Pakkumisi kokku: 5

Ettevõte Summa Käibemaks Lisatud Vestlus
Kasutaja ikoon ID73564
Pakkuja profiil Väike nool paremale
3 000€ Sisaldab KM Sisaldab KM 29.08.2023 Vestlus (4)
Kasutaja ikoon ID70306
Pakkuja profiil Väike nool paremale
4 800€ Sisaldab KM Sisaldab KM 29.08.2023 Vestlus (2)

Pakkumise kirjeldus:

Seinte freesimine,vannitoa lammutus,utiliseerimine ,tala paigaldus.

Kasutaja ikoon ID22919
Pakkuja profiil Väike nool paremale
3 700€ KM lisandub KM lisandub 30.08.2023 Vestlus (1)
Kasutaja ikoon ID57475
Pakkuja profiil Väike nool paremale
3 000€ KM lisandub KM lisandub 31.08.2023 Vestlus (2)

Pakkumise kirjeldus:

Tere,


Meie hind antud tööle koos jäätmete uliliseerimisega.
Töö kestvus 5-7 tööpäeva.
Tööga saame alustada kui annate meile 3 tööpäeva ette teada.
Arve tasudes töö eest lisandub hinnale km.
Lisaküsimustele vastan meeleldi!

Lp Timo

Kasutaja ikoon ID75948
Pakkuja profiil Väike nool paremale
3 330€ KM lisandub KM lisandub 31.08.2023 Vestlus (0)

Küsimused hanke korraldajale

Hanke korraldajale ei ole veel küsimusi esitatud.

Lisa küsimus

Lisa küsimus

Minu pakkumine

Reeglid

Pakkumise kirjelduse väli on mõeldud pakkumise detailsemaks lahti kirjutamiseks. Pikema teksti mugavaks sisestamiseks klikkige kasti paremal ülaservas oleval ikoonil.
Pakkumist tehes on keelatud postitada enda kontaktandmeid (nimi, telefon, aadress jne). Me jälgime ja analüüsime pakkumisi, et vältida pettuseid ja reeglite rikkumisi.
Rikkumise puhul kasutajakonto blokeeritakse.

 

Teisi töid samas valdkonnas

Valdkonnas "Üldehitus" on 30 aktiivset tööd

Kuuri lammutus

Asukoht: Pärnumaa
Aega jäänud: 2p 19h
Tehtud pakkumisi: 6

Põrandakütte torustiku ja kollektori paigaldus.

Asukoht: Harjumaa, Kurkse
Aega jäänud: 15p 19h
Tehtud pakkumisi: 4

Vanemad teated:

Vaata kõiki

Sellel veebilehel kasutatakse küpsiseid. Kasutamist jätkates nõustute küpsiste kasutamisega.

Sulge
 
Minu pakkumine

Reeglid

Pakkumise kirjelduse väli on mõeldud pakkumise detailsemaks lahti kirjutamiseks. Pikema teksti mugavaks sisestamiseks klikkige kasti paremal ülaservas oleval ikoonil.
Pakkumist tehes on keelatud postitada enda kontaktandmeid (nimi, telefon, aadress jne). Me jälgime ja analüüsime pakkumisi, et vältida pettuseid ja reeglite rikkumisi.
Rikkumise puhul kasutajakonto blokeeritakse.