+ Lisa oma töö      

Otsid ehitajat "Plaatimistööd" valdkonnast?

Parima pakkumise ja teostaja leidmiseks lisa oma töö.

Plaatimistööd eramus

ID 83761

481 vaatamist

Prindi

  • check Pakkumiste tegemine
    kuni 09.07.2023
  • check Võitja valik kuni
    16.07.2023
  • 3 Töö teostamine
    ja hinnang
Hanke lõpp: P, 9. juuli, 2023
Maakond: Harjumaa
Tööde algus: E, 10. juuli, 2023 (Soovituslik)
Tööde lõpp: P, 16. juuli, 2023
Ehitusmaterjalid: Töö tellija poolt
Soovin pakkumisi: Tüki- või ühikuhinda

Töö sisu

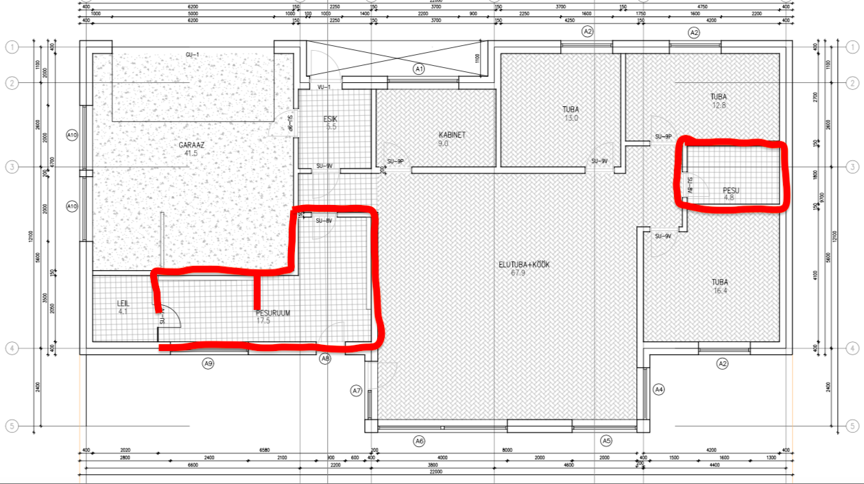
Uus maja, seinad krohvitud. Vajalik hüdro + plaatimine + vuuk.
Plaadid 60x60. Sama plaat põrandad ja seinad.
Põrandate ala joonisel näha, seinad, mis plaatimisele lähevad on punasega märgitud. Ruumide kõrgus ~2,9m
Kokku ~120m2

Pildid, video ja failid

Hanke korraldaja: ettevõte ID67703

Pakkumised

Pakkumisi kokku: 3

Ettevõte Summa Käibemaks Lisatud Vestlus
Kasutaja ikoon ID48307
Pakkuja profiil Väike nool paremale
6 000€ Ei ole KMKR Ei ole KMKR 08.07.2023 Vestlus (3)

Pakkumise kirjeldus:

Tere.
Materjalid lisanduvad. Alustamise aeg tuleks kooskõlastada.

Kasutaja ikoon ID65299
Pakkuja profiil Väike nool paremale
5 160€ KM lisandub KM lisandub 08.07.2023 Vestlus (6)

Pakkumise kirjeldus:

Tere.
Plaatimine 35€/m2
Hüdroisolatsioon 8€/m2

Plaatimistööde kogemus üle 10 aasta!

Kasutaja ikoon ID73479
Pakkuja profiil Väike nool paremale
7 000€ Sisaldab KM Sisaldab KM 09.07.2023 Vestlus (0)

Pakkumise kirjeldus:

Tere

Hea meelega teostame tööd teie jaoks.tööd tehakse kvaliteetselt ja võimalikult kiiresti.Pakume 5 aastane garantii oma töödele.

See hind sisaldab kõiki nimekirjas olevaid soovitud tööd.
Spetsialisti tulek teie objektile, hinnapakkumise ja tööteostamise lepingu koostamine.

Minu firma tegeleb katuste, fassaadide ehitusega ning üldehi ... Rohkem

Küsimused hanke korraldajale

Küsimus: private ID62715   09.07.2023 17:25
Tere, kas silikoonide paigaldus ja lõplik järelkoristus kuulub samuti pakkumist tehes hanke sisusse. Ja kas ehitusjärelvalve tuleb enne tööde üleandmis-vastuvõtmise akti allkirjastamist töid väga täpselt üle kontrollima. Ja veel, tööde maht on küllaltki suur antud ajavahemikule, kuna valmimistähtaeg on märgitud kohustulikuks. See eeldab plaatijate brigaadi pealetulekut objektile ca 3 meest. Plaaditavad ruumid on kõrged 2,9m. Tv!

Teavita reeglite rikkumisest

Korraldaja vastus: 09.07.2023 18:07

Tere
Silikoon ikka jh, konteiner objektil, jäägid sinna.
Mis tähendab väga täpselt? :)
Valmimisaeg - väga max 1 nädal saab nihkuda…

Teavita reeglite rikkumisest

Lisa küsimus

Lisa küsimus

Minu pakkumine

Reeglid

Pakkumise kirjelduse väli on mõeldud pakkumise detailsemaks lahti kirjutamiseks. Pikema teksti mugavaks sisestamiseks klikkige kasti paremal ülaservas oleval ikoonil.
Pakkumist tehes on keelatud postitada enda kontaktandmeid (nimi, telefon, aadress jne). Me jälgime ja analüüsime pakkumisi, et vältida pettuseid ja reeglite rikkumisi.
Rikkumise puhul kasutajakonto blokeeritakse.

 

Teisi töid samas valdkonnas

Valdkonnas "Plaatimistööd" on 2 aktiivset tööd

Trepikoja plaatimine

Asukoht: Tartumaa, Ülenurme
Aega jäänud: 4p 18h
Tehtud pakkumisi: 2

Pesuruumi plaatimine 12.6 m2

Asukoht: Tartumaa, Teedla
Aega jäänud: 1p 18h
Tehtud pakkumisi: 0

Vanemad teated:

Vaata kõiki

Sellel veebilehel kasutatakse küpsiseid. Kasutamist jätkates nõustute küpsiste kasutamisega.

Sulge
 
Minu pakkumine

Reeglid

Pakkumise kirjelduse väli on mõeldud pakkumise detailsemaks lahti kirjutamiseks. Pikema teksti mugavaks sisestamiseks klikkige kasti paremal ülaservas oleval ikoonil.
Pakkumist tehes on keelatud postitada enda kontaktandmeid (nimi, telefon, aadress jne). Me jälgime ja analüüsime pakkumisi, et vältida pettuseid ja reeglite rikkumisi.
Rikkumise puhul kasutajakonto blokeeritakse.