+ Lisa oma töö      

Otsid ehitajat "Ventilatsioonitööd" valdkonnast?

Parima pakkumise ja teostaja leidmiseks lisa oma töö.

Ventilatsiooni tööd

ID 67312

368 vaatamist

Prindi

  • check Pakkumiste tegemine
    kuni 19.11.2021
  • check Võitja valik kuni
    26.11.2021
  • 3 Töö teostamine
    ja hinnang
Hanke lõpp: R, 19. november, 2021
Maakond: Võrumaa
Linn: Võru
Tööde algus: R, 19. november, 2021 (Soovituslik)
Tööde lõpp: E, 31. jaanuar, 2022 (Soovituslik)
Ehitusmaterjalid: Töö tegija poolt
Soovin pakkumisi: Tüki- või ühikuhinda

Töö sisu

Soovin hinnapakkumist ventilatsiooni töödele. Hinnapakkumine peab sisaldama ventilatsiooni seaded, torustikku, paigaldust.
Materjalid võin ka ise tagada, aga palun tooge hinnad eraldi välja.
Ventilatsiooni agregaat peab olema soojustagastusega ja soovitavalt kamina funktsiooniga. Asjaga kiire, sest pikemad torud tuleb fermide vahele järgm nädala lõpus ära panna mida saavad ka kokkuleppel ehitajad vahele ära tõsta.

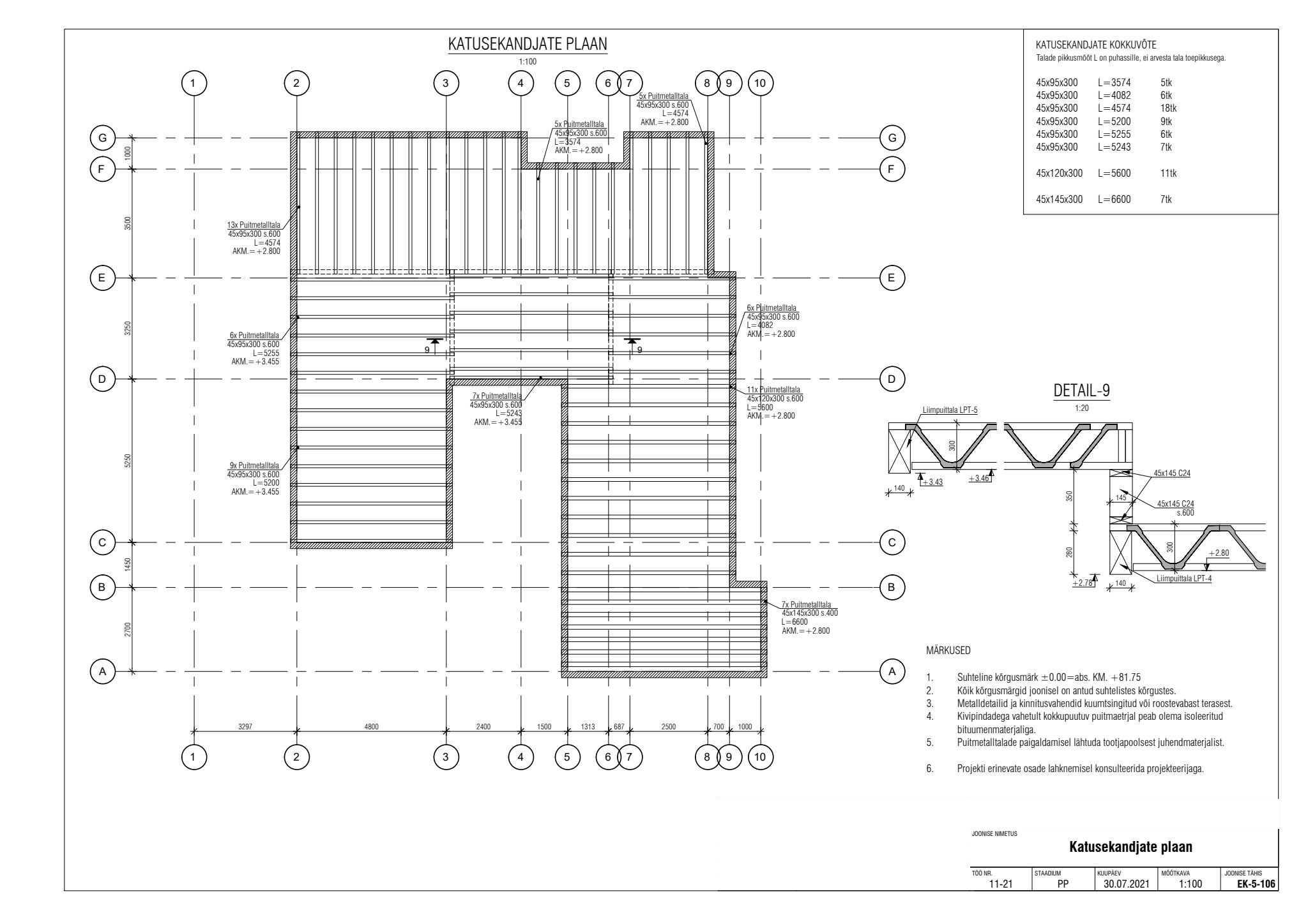
Pildid, video ja failid

Hanke korraldaja: eraisik ID62777

Pakkumised

Pakkumisi kokku: 0

Küsimused hanke korraldajale

Hanke korraldajale ei ole veel küsimusi esitatud.

Lisa küsimus

Lisa küsimus

Minu pakkumine

Reeglid

Pakkumise kirjelduse väli on mõeldud pakkumise detailsemaks lahti kirjutamiseks. Pikema teksti mugavaks sisestamiseks klikkige kasti paremal ülaservas oleval ikoonil.
Pakkumist tehes on keelatud postitada enda kontaktandmeid (nimi, telefon, aadress jne). Me jälgime ja analüüsime pakkumisi, et vältida pettuseid ja reeglite rikkumisi.
Rikkumise puhul kasutajakonto blokeeritakse.

 

Teisi töid samas valdkonnas

Valdkonnas "Ventilatsioonitööd" on 3 aktiivset tööd

Eramaja ventilatsioonitööd

Asukoht: Tartumaa, Soinaste
Aega jäänud: 4p 12h
Tehtud pakkumisi: 1

no-img Pilt puudub

Ventilatsiooni paigaldamine

Asukoht: Tartumaa, Tartu
Aega jäänud: 1p 12h
Tehtud pakkumisi: 0

Vanemad teated:

Vaata kõiki

Sellel veebilehel kasutatakse küpsiseid. Kasutamist jätkates nõustute küpsiste kasutamisega.

Sulge
 
Minu pakkumine

Reeglid

Pakkumise kirjelduse väli on mõeldud pakkumise detailsemaks lahti kirjutamiseks. Pikema teksti mugavaks sisestamiseks klikkige kasti paremal ülaservas oleval ikoonil.
Pakkumist tehes on keelatud postitada enda kontaktandmeid (nimi, telefon, aadress jne). Me jälgime ja analüüsime pakkumisi, et vältida pettuseid ja reeglite rikkumisi.
Rikkumise puhul kasutajakonto blokeeritakse.