+ Lisa oma töö      

Otsid ehitajat "Betoonitööd" valdkonnast?

Parima pakkumise ja teostaja leidmiseks lisa oma töö.

Vundamendi ehitus Raiste, Võrumaa

ID 64909

935 vaatamist

Prindi

  • check Pakkumiste tegemine
    kuni 08.10.2021
  • check Võitja valik kuni
    15.10.2021
  • 3 Töö teostamine
    ja hinnang
Hanke lõpp: R, 8. oktoober, 2021
Maakond: Võrumaa
Muu asula: Raiste
Tööde algus: K, 15. september, 2021 (Soovituslik)
Tööde lõpp: N, 30. september, 2021 (Soovituslik)
Ehitusmaterjalid: Töö tegija poolt
Soovin pakkumisi: Summa kogu projektile

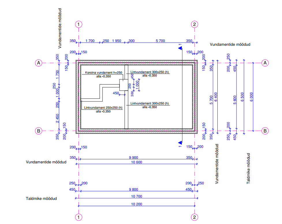
Töö sisu

Tööks on kõik mis on seotud vundamendi ehitusega, kaeve, ehitus, valamine, dokumentatsioon jne.
Lõpptulemuseks peab olema vundament koos vajaliku dokumentatsiooniga.
Töö alustamine esimesel võimalusel.

Pildid, video ja failid

Hanke korraldaja: eraisik ID64460

Pakkumised

Pakkumisi kokku: 3

Ettevõte Summa Käibemaks Lisatud Vestlus
Kasutaja ikoon ID39436
Pakkuja profiil Väike nool paremale
15 000€ Sisaldab KM Sisaldab KM 08.09.2021 Vestlus (0)

Pakkumise kirjeldus:

Ainult tööraha. Materjalid maksab tellija. või ostame meie aga materjali raha on ettemaksuga 5000€

Kasutaja ikoon ID33904
Pakkuja profiil Väike nool paremale
14 565€ Sisaldab KM Sisaldab KM 08.10.2021 Vestlus (0)

Pakkumise kirjeldus:

Tere!
Pakkumine vastavalt hankele ja sisaldab tööraha.

Aigar

Kasutaja ikoon ID49870
Pakkuja profiil Väike nool paremale
12 000€ KM lisandub KM lisandub 08.10.2021 Vestlus (0)

Pakkumise kirjeldus:

Saame alustada oktoobri lõpus, nov. Alguses

Küsimused hanke korraldajale

Küsimus: private ID44458   03.10.2021 10:14
Tere.

Kas plaatvundement ei oleks mõeldav?

Tänan.

Teavita reeglite rikkumisest

Korraldaja vastus: 03.10.2021 15:39

Tere

Ei ole.

Teavita reeglite rikkumisest

Küsimus: private ID49870   08.10.2021 10:46
Kunaseks võiks valmis olla

Teavita reeglite rikkumisest

Korraldaja vastus: 08.10.2021 11:00

Töö peaks valmis saama enne, kui on liiga külm kivi ladumiseks.

Teavita reeglite rikkumisest

Lisa küsimus

Lisa küsimus

Minu pakkumine

Reeglid

Pakkumise kirjelduse väli on mõeldud pakkumise detailsemaks lahti kirjutamiseks. Pikema teksti mugavaks sisestamiseks klikkige kasti paremal ülaservas oleval ikoonil.
Pakkumist tehes on keelatud postitada enda kontaktandmeid (nimi, telefon, aadress jne). Me jälgime ja analüüsime pakkumisi, et vältida pettuseid ja reeglite rikkumisi.
Rikkumise puhul kasutajakonto blokeeritakse.

 

Teisi töid samas valdkonnas

Valdkonnas "Betoonitööd" on 5 aktiivset tööd

Betoonist platsi valamine väljas.

Asukoht: Harjumaa, Luige
Aega jäänud: 18h 26 min
Tehtud pakkumisi: 4

Betoonpõranda valu

Asukoht: Harjumaa, Jõelähtme
Aega jäänud: 2p 18h
Tehtud pakkumisi: 3

Vanemad teated:

Vaata kõiki

Sellel veebilehel kasutatakse küpsiseid. Kasutamist jätkates nõustute küpsiste kasutamisega.

Sulge
 
Minu pakkumine

Reeglid

Pakkumise kirjelduse väli on mõeldud pakkumise detailsemaks lahti kirjutamiseks. Pikema teksti mugavaks sisestamiseks klikkige kasti paremal ülaservas oleval ikoonil.
Pakkumist tehes on keelatud postitada enda kontaktandmeid (nimi, telefon, aadress jne). Me jälgime ja analüüsime pakkumisi, et vältida pettuseid ja reeglite rikkumisi.
Rikkumise puhul kasutajakonto blokeeritakse.