+ Lisa oma töö      

Otsid ehitajat "Plaatimistööd" valdkonnast?

Parima pakkumise ja teostaja leidmiseks lisa oma töö.

Plaatimine eramajas

ID 64297

389 vaatamist

Prindi

  • check Pakkumiste tegemine
    kuni 07.09.2021
  • check Võitja valik kuni
    14.09.2021
  • 3 Töö teostamine
    ja hinnang
Hanke lõpp: T, 7. september, 2021
Maakond: Harjumaa
Linn: Tallinn
Tööde algus: K, 01. september, 2021 (Soovituslik)
Tööde lõpp: P, 12. detsember, 2021
Ehitusmaterjalid: Töö tellija poolt
Soovin pakkumisi: Summa kogu projektile

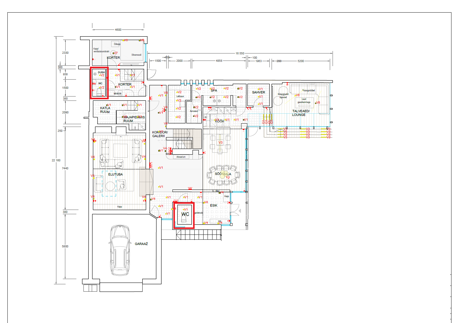
Töö sisu

Pesu- ja tualettruumide põrandate ja seinte plaatimine, sh aurusaun.

Pildid, video ja failid

Hanke korraldaja: eraisik ID47045

Pakkumised

Pakkumisi kokku: 0

Küsimused hanke korraldajale

Hanke korraldajale ei ole veel küsimusi esitatud.

Lisa küsimus

Lisa küsimus

Minu pakkumine

Reeglid

Pakkumise kirjelduse väli on mõeldud pakkumise detailsemaks lahti kirjutamiseks. Pikema teksti mugavaks sisestamiseks klikkige kasti paremal ülaservas oleval ikoonil.
Pakkumist tehes on keelatud postitada enda kontaktandmeid (nimi, telefon, aadress jne). Me jälgime ja analüüsime pakkumisi, et vältida pettuseid ja reeglite rikkumisi.
Rikkumise puhul kasutajakonto blokeeritakse.

 

Teisi töid samas valdkonnas

Valdkonnas "Plaatimistööd" on 2 aktiivset tööd

Trepikoja plaatimine

Asukoht: Tartumaa, Ülenurme
Aega jäänud: 4p 16h
Tehtud pakkumisi: 2

Pesuruumi plaatimine 12.6 m2

Asukoht: Tartumaa, Teedla
Aega jäänud: 1p 16h
Tehtud pakkumisi: 0

Vanemad teated:

Vaata kõiki

Sellel veebilehel kasutatakse küpsiseid. Kasutamist jätkates nõustute küpsiste kasutamisega.

Sulge
 
Minu pakkumine

Reeglid

Pakkumise kirjelduse väli on mõeldud pakkumise detailsemaks lahti kirjutamiseks. Pikema teksti mugavaks sisestamiseks klikkige kasti paremal ülaservas oleval ikoonil.
Pakkumist tehes on keelatud postitada enda kontaktandmeid (nimi, telefon, aadress jne). Me jälgime ja analüüsime pakkumisi, et vältida pettuseid ja reeglite rikkumisi.
Rikkumise puhul kasutajakonto blokeeritakse.