+ Lisa oma töö      

Otsid ehitajat "Korstnatööd" valdkonnast?

Parima pakkumise ja teostaja leidmiseks lisa oma töö.

Korstnalõõride renoveerimine

ID 62427

375 vaatamist

Prindi

  • check Pakkumiste tegemine
    kuni 08.08.2021
  • check Võitja valik kuni
    17.08.2021
  • 3 Töö teostamine
    ja hinnang
Hanke lõpp: P, 8. august, 2021
Maakond: Harjumaa
Linn: Tallinn
Tööde algus: R, 09. juuli, 2021 (Soovituslik)
Tööde lõpp: R, 31. detsember, 2021
Ehitusmaterjalid: Töö tegija poolt
Soovin pakkumisi: Summa kogu projektile

Töö sisu

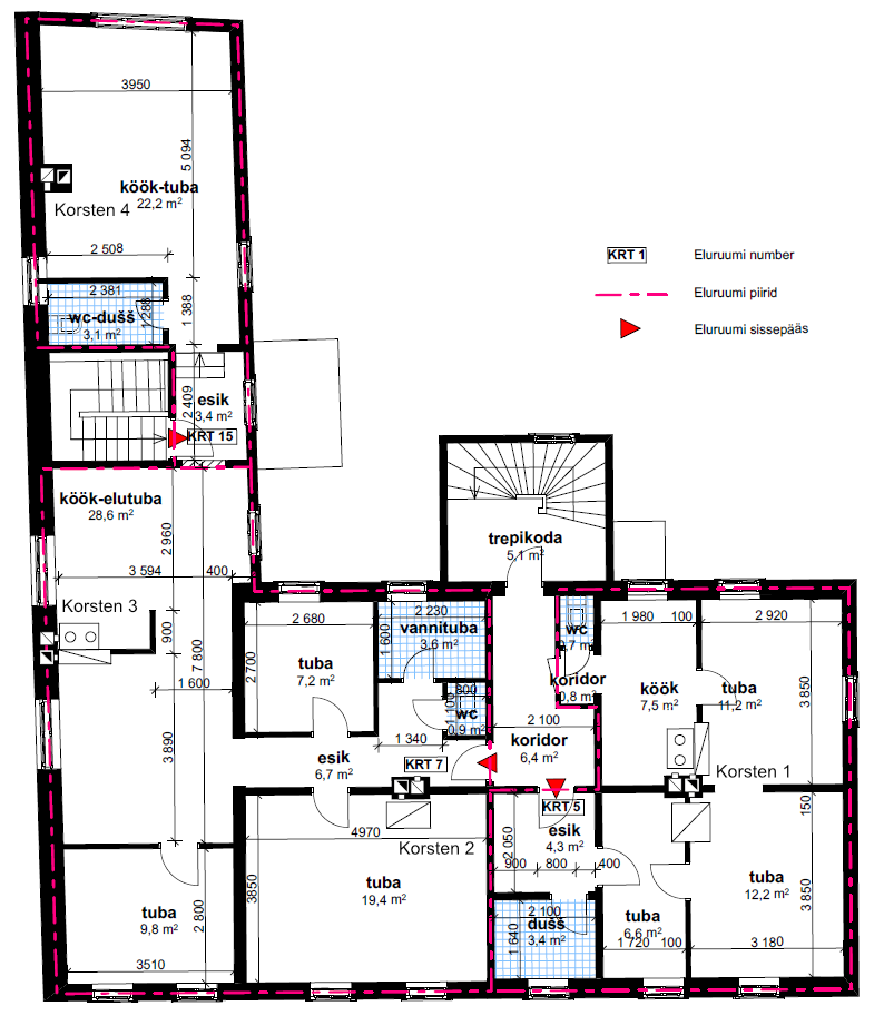
1910. a. ehitatud majal on kokku 4 tellistest laotud korstent, igas neist kaks umbes 25x25 cm läbilõikega lõõri, üks suitsule, teine ventilatsioonile. Kõik küttekolded on puuküttega, suitsugaaside väljundtoru mõõdud teadmata. Kolmel korstnal on lõõride vaheline vahesein hõre ning vajab renoveerimist mis peab valmis saama hiljemalt 31.12.2021.

Korstnate andmed on järgmised:

Korsten 1, korterid 1 ja 5:
Kõrgus keldris asuvast puhastusluugist ca 10,5m
I korrusel vuolukivist salvestav kamin, ehitatud 2021.
II korrusel ahi ja pliit + soemüür, ehitatud 1931.
Ventilatsioon: I korrusel 1 ava, II korrusel 1 ava

Korsten 2, korterid 4 ja 7:
Kõrgus keldris asuvast puhastusluugist ca 10,5m
I korrusel ahi, ehitatud 1990nendatel.
II korrusel Tulikivi salvestav kamin, ehitatud sajandivahetusel.
Ventilatsioon:
I korrusel 2 ava kumbki eri korterisse, II korrusel 1 ava

Korsten 3, korterid 7 ja 12:
Kõrgus keldris asuvast puhastusluugist ca 9,5m
I korrusel kamin ja pliit + soemüür, ehitatud sajandivahetusel.
II korrusel pliit + soemüür, ehitatud sajandivahetusel.

Korsten 4 ei vajavat renoveerimist.

Kõik ventilatsioonilõõrid on eelnevalt olnud kasutuses suitsulõõridena ja seetõttu kohati pigitunud. Videod korstende 2 ja 3 ventilatsioonilõõridest näete siit jagatud kaustast: https://drive.google.com/drive/folders/1lXv_Odrvas0_gOLdJcobdVmo7cNrpDPY?usp=sharing , üks video neis lisatud ka siia. Suitsuga video juures on suitsupomm pandud suitsulõõri põhja ja katusel kaetud suitsulõõri ots 90% ulatuses kinni ning filmitud ventilatsioonilõõri. Videotes on näha, et konkreetset auku lõõride vahel ei ole, suitsu immitseb ventilatsioonilõõri tõenäoliselt vuukide vahelt pea kogu korstna ulatuses.

Palun tehke hinnapakkumine kolme korstnalõõri renoveerimiseks.

Pildid, video ja failid

Hanke korraldaja: eraisik ID63376

Pakkumised

Pakkumisi kokku: 1

Ettevõte Summa Käibemaks Lisatud Vestlus
Kasutaja ikoon ID41269
Pakkuja profiil Väike nool paremale
7 200€ Sisaldab KM Sisaldab KM 09.07.2021 Vestlus (2)

Pakkumise kirjeldus:

Pakkumises eeltööd ja seguga renoveerimine. Soovitaks ka ventlõõrid renoveerida parema tulemuse saamiseks hinna lisa 2400.

Garantii 36kuud.

Küsimused hanke korraldajale

Hanke korraldajale ei ole veel küsimusi esitatud.

Lisa küsimus

Lisa küsimus

Minu pakkumine

Reeglid

Pakkumise kirjelduse väli on mõeldud pakkumise detailsemaks lahti kirjutamiseks. Pikema teksti mugavaks sisestamiseks klikkige kasti paremal ülaservas oleval ikoonil.
Pakkumist tehes on keelatud postitada enda kontaktandmeid (nimi, telefon, aadress jne). Me jälgime ja analüüsime pakkumisi, et vältida pettuseid ja reeglite rikkumisi.
Rikkumise puhul kasutajakonto blokeeritakse.

 

Teisi töid samas valdkonnas

Valdkonnas "Korstnatööd" on 2 aktiivset tööd

Kordtnapitsi ladumine

Asukoht: Läänemaa
Aega jäänud: 4p 18h
Tehtud pakkumisi: 4

Korstnahülsi paigaldus

Asukoht: Harjumaa, Tallinn
Aega jäänud: 17p 18h
Tehtud pakkumisi: 0

Vanemad teated:

Vaata kõiki

Sellel veebilehel kasutatakse küpsiseid. Kasutamist jätkates nõustute küpsiste kasutamisega.

Sulge
 
Minu pakkumine

Reeglid

Pakkumise kirjelduse väli on mõeldud pakkumise detailsemaks lahti kirjutamiseks. Pikema teksti mugavaks sisestamiseks klikkige kasti paremal ülaservas oleval ikoonil.
Pakkumist tehes on keelatud postitada enda kontaktandmeid (nimi, telefon, aadress jne). Me jälgime ja analüüsime pakkumisi, et vältida pettuseid ja reeglite rikkumisi.
Rikkumise puhul kasutajakonto blokeeritakse.