+ Lisa oma töö      

Otsid ehitajat "Torutööd" valdkonnast?

Parima pakkumise ja teostaja leidmiseks lisa oma töö.

Hange on lõppenud!

Võitjaks osutus kasutaja ID 47773

Korraldaja hinnang tehtud tööle

5.0
10.08.2021
Töökiirus: 12345
Kvaliteet: 12345
Hind: 12345

Veeühendused Raplamaal

ID 61683

924 vaatamist

Prindi

  • check Pakkumiste tegemine
    kuni 02.07.2021
  • check Võitja valik kuni
    09.07.2021
  • 3 Töö teostamine
    ja hinnang
Hanke lõpp: R, 2. juuli, 2021
Maakond: Raplamaa
Tööde algus: E, 05. juuli, 2021 (Soovituslik)
Tööde lõpp: P, 08. august, 2021 (Soovituslik)
Ehitusmaterjalid: Töö tegija poolt
Soovin pakkumisi: Summa kogu projektile

Töö sisu

Veetoru viia pumbast saunani (ca 5 m, siseruumis) ja kraanikausi ühendus. On olemas ühendamata toru, mis tuleb tõenäoliselt välja vahetada.
WC kraanikausi veeühendus.
Katkise veetoru osa (ca 15 cm) asendamine (PEM-toru?).

Pildid, video ja failid

Hanke korraldaja: eraisik ID52832

Pakkumised

Pakkumisi kokku: 2

Ettevõte Summa Käibemaks Lisatud Vestlus
Kasutaja ikoon ID15371
Pakkuja profiil Väike nool paremale
350€ Sisaldab KM Sisaldab KM 02.07.2021 Vestlus (0)

Pakkumise kirjeldus:

Tere.
Hinnapakkumine vastavalt kirjeldusele.
Käibemaksu hinnale ei lisandu.
Lisaküsimused on oodatud.

Parimat.
Indrek

Kasutaja ikoon ID47773
Pakkuja profiil Väike nool paremale
325€ Ei ole KMKR Ei ole KMKR 02.07.2021 Vestlus (0)

Pakkumise kirjeldus:

Pakkumine tehtud hankes kirjeldatud töödele (töö+materjal), KÄIBEMAKSU ei lisandu. Kasutame kvaliteetset Alupex toru+pressliitmikke. Töö kiire ja korralik ning garantiiga. Töö eest tasumine arve alusel sularahas peale töö lõpetamist kohapeal.
Sujuva koostööni !

Küsimused hanke korraldajale

Küsimus: private ID47773   18.06.2021 19:15
Tere! Mis mõõdus see Alupex toru (valge toru) on : 16 või 20 mm ? Pildil see kollane toru mis lae all kulgeb tuleb ilmselt välja vahetada. Asukoht täpsemalt (aadressi siin avaldada ei tohi) aga kas Rapla või Kohila või Kivi-Vigala , transpordikulu on küsimus ? WC valamu ühendamine soe-külm vaja vedada kui kaugelt, segisti olemas ?

Teavita reeglite rikkumisest

Korraldaja vastus: 18.06.2021 19:41

Tere!
Asukoht on Kehtna vallas, (maamaja). Toru on arvatavasti 16 mm; me sõidame sinna uue nädala alguses, siis saab kontrollida. Kollane toru tuleb, jah, ilmselt välja vahetada. WC-s on segisti soe-külm, aga ühendada vaja ainult külm vesi, sealtsamast (ca 0,5 m).

Teavita reeglite rikkumisest

Küsimus: private ID47773   18.06.2021 20:44
Palve selline, kui lähete kohapeale, mõõtke kõik torud ja ühendused üle, ning tehke igast asjandusest mis ühendamist vajab pilte (valamud, pumbaühendused jne.), saab teha täpsema pakkumise. Aitäh!

Teavita reeglite rikkumisest

Korraldaja vastus: 21.06.2021 16:36

Tere!
Mõõdud on sellised.
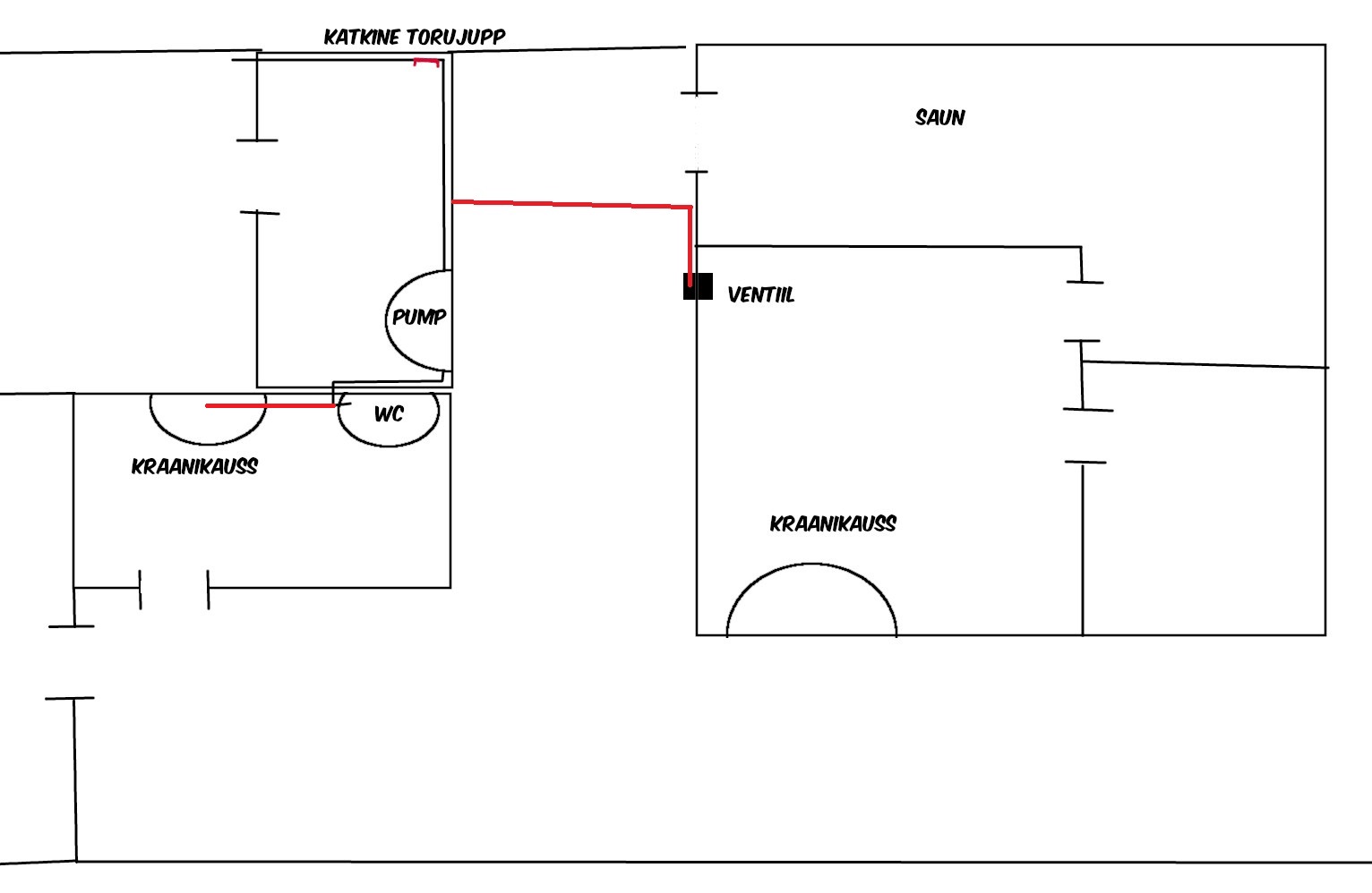
Katkine torujupp pumbaruumis: läbimõõt 2 cm.
WC veetorust kraanini 50 cm.
Pumbaruumist saunani 3, 75 m, saun kraanikausini 3 m. Varem paigaldatud toru kõrgus 170 cm. Sauna ventiil kolmveerand tolli.
Lisasin ka pilte ja väikese plaani.
Me lõpetame eelmise omaniku poolelijäänud töid, kui kohapeal selgub, et veel midagi on vaja teha, siis saame ka vastavalt rohkem maksta.

Teavita reeglite rikkumisest

Küsimus: private ID47773   21.06.2021 17:04
Kas see katkine torujupp pumbaruumis on see valge Alupex toru nurga sees 1. pildil ?
Sellest pesumasina ventiilist on vaja vesi vedada kuhu - rohelisele valamule ? Selle segisti torud on vast seina sees sinna naljalt ei ühenda, vaja kõik laiali lammutada või uus segisti panna valamu külge.
Püüdke joonisele ära märkida kust kuhu on vaja vesi vedada ja mis hetke seisuga olemas on...

Teavita reeglite rikkumisest

Korraldaja vastus: 21.06.2021 22:33

Jah, katkine torujupp on esimesel pildil, praegu klambritega kinni pandud.
Sauna mineva toru võib ühendada ainult ventiiliga, mitte vedada valamule, sest me ise ka ei tea, mis seal seina sees on.
Hetkeseisuga saunas vett üldse ei ole (toru on pumbaga ühendamata), WC-s on vesi loputuskastis, aga segistiga on ühendamata.

Teavita reeglite rikkumisest

Lisa küsimus

Lisa küsimus

Minu pakkumine

Reeglid

Pakkumise kirjelduse väli on mõeldud pakkumise detailsemaks lahti kirjutamiseks. Pikema teksti mugavaks sisestamiseks klikkige kasti paremal ülaservas oleval ikoonil.
Pakkumist tehes on keelatud postitada enda kontaktandmeid (nimi, telefon, aadress jne). Me jälgime ja analüüsime pakkumisi, et vältida pettuseid ja reeglite rikkumisi.
Rikkumise puhul kasutajakonto blokeeritakse.

 

Teisi töid samas valdkonnas

Valdkonnas "Torutööd" on 2 aktiivset tööd

Kaarhalli soojaku torustiku renoveerimine

Asukoht: Harjumaa, Saue
Aega jäänud: 19h 40 min
Tehtud pakkumisi: 4

Köögi äravoolu paigaldus

Asukoht: Harjumaa, Tallinn
Aega jäänud: 4p 19h
Tehtud pakkumisi: 2

Vanemad teated:

Vaata kõiki

Sellel veebilehel kasutatakse küpsiseid. Kasutamist jätkates nõustute küpsiste kasutamisega.

Sulge
 
Minu pakkumine

Reeglid

Pakkumise kirjelduse väli on mõeldud pakkumise detailsemaks lahti kirjutamiseks. Pikema teksti mugavaks sisestamiseks klikkige kasti paremal ülaservas oleval ikoonil.
Pakkumist tehes on keelatud postitada enda kontaktandmeid (nimi, telefon, aadress jne). Me jälgime ja analüüsime pakkumisi, et vältida pettuseid ja reeglite rikkumisi.
Rikkumise puhul kasutajakonto blokeeritakse.