+ Lisa oma töö      

Otsid ehitajat "Vundamenditööd" valdkonnast?

Parima pakkumise ja teostaja leidmiseks lisa oma töö.

Vundament 1,5 korrusega puitsuvila jaoks

ID 54883

2001 vaatamist

Prindi

  • check Pakkumiste tegemine
    kuni 19.11.2020
  • check Võitja valik kuni
    26.11.2020
  • 3 Töö teostamine
    ja hinnang
Hanke lõpp: N, 19. november, 2020
Maakond: Harjumaa
Muu asula: Laitse
Tööde algus: T, 01. detsember, 2020 (Soovituslik)
Tööde lõpp: R, 30. aprill, 2021
Ehitusmaterjalid: Töö tegija poolt
Soovin pakkumisi: Summa kogu projektile

Töö sisu

Tere!
Harjumaa, Saue vald asub väike krunt, muld on siin pigem savine

Vesi ja elekter olemas, vaja ehitada vundament. Manusesse lisan dokumentatsiooni. Ehitusluba olemas,

Pakkuge palun hinda a) eraisikule b) firmale, eks vaatame

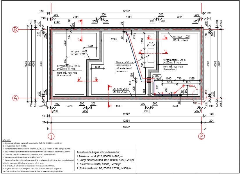
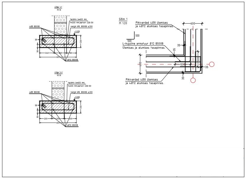
Pildid, video ja failid

Hanke korraldaja: ettevõte ID51357

Pakkumised

Pakkumisi kokku: 5

Ettevõte Summa Käibemaks Lisatud Vestlus
Kasutaja ikoon ID34553
Pakkuja profiil Väike nool paremale
16 668€ Sisaldab KM Sisaldab KM 27.10.2020 Vestlus (0)
Kasutaja ikoon ID57167
Pakkuja profiil Väike nool paremale
14 880€ KM lisandub KM lisandub 02.11.2020 Vestlus (0)
Kasutaja ikoon ID57033
Pakkuja profiil Väike nool paremale
15 680€ Ei ole KMKR Ei ole KMKR 19.11.2020 Vestlus (0)
Kasutaja ikoon ID50669
Pakkuja profiil Väike nool paremale
15 300€ KM lisandub KM lisandub 19.11.2020 Vestlus (0)

Pakkumise kirjeldus:

Tere. Pakkumine vundamendle. Kopatööd, Killustikualus, lint vundament, fibo seinad, tagasitäide, soojustus, põrand.

Kasutaja ikoon ID52402
Pakkuja profiil Väike nool paremale
15 000€ Ei ole KMKR Ei ole KMKR 19.11.2020 Vestlus (0)

Pakkumise kirjeldus:

Pakkumine hankes kirjeldatud töödele.

Küsimused hanke korraldajale

Küsimus: private ID57167   21.10.2020 08:13
Teil üles laetud 2 erinevate mõõtudega vundamenti. Kumb on siis õige, mis töösse läheb

Teavita reeglite rikkumisest

Korraldaja vastus: 21.10.2020 09:22

Tere! Issand, vabandan, seal on jah vana enne laienduse joonis - palun ignoreerige seda väiksemat. Töösse läheb ikka suurem "uhkem" vundament :)

Tänan, et juhtisite tähelepanu! Nii kiire oli :)

Teavita reeglite rikkumisest

Küsimus: private ID35170   08.11.2020 10:08
Tere.
Kas vesi kanal ja elektri kaabel vaja majja tehnoruumi viia ja väljakaeve ning tagasitäide ka ikka teha või need juba tehtud.

Teavita reeglite rikkumisest

Korraldaja vastus: 08.11.2020 19:41

Tere!

Igati aktuualne küsimus :)

Vundamendist vaja lihtsalt teha “liidestus”. Otsene ühendus tuleb hiljem.

Edu!

Teavita reeglite rikkumisest

Lisa küsimus

Lisa küsimus

Minu pakkumine

Reeglid

Pakkumise kirjelduse väli on mõeldud pakkumise detailsemaks lahti kirjutamiseks. Pikema teksti mugavaks sisestamiseks klikkige kasti paremal ülaservas oleval ikoonil.
Pakkumist tehes on keelatud postitada enda kontaktandmeid (nimi, telefon, aadress jne). Me jälgime ja analüüsime pakkumisi, et vältida pettuseid ja reeglite rikkumisi.
Rikkumise puhul kasutajakonto blokeeritakse.

 

Vanemad teated:

Vaata kõiki

Sellel veebilehel kasutatakse küpsiseid. Kasutamist jätkates nõustute küpsiste kasutamisega.

Sulge
 
Minu pakkumine

Reeglid

Pakkumise kirjelduse väli on mõeldud pakkumise detailsemaks lahti kirjutamiseks. Pikema teksti mugavaks sisestamiseks klikkige kasti paremal ülaservas oleval ikoonil.
Pakkumist tehes on keelatud postitada enda kontaktandmeid (nimi, telefon, aadress jne). Me jälgime ja analüüsime pakkumisi, et vältida pettuseid ja reeglite rikkumisi.
Rikkumise puhul kasutajakonto blokeeritakse.