+ Lisa oma töö      

Otsid ehitajat "Vannitubade remont" valdkonnast?

Parima pakkumise ja teostaja leidmiseks lisa oma töö.

Vannitoa remont

ID 54373

720 vaatamist

Prindi

  • check Pakkumiste tegemine
    kuni 22.10.2020
  • check Võitja valik kuni
    29.10.2020
  • 3 Töö teostamine
    ja hinnang
Hanke lõpp: N, 22. oktoober, 2020
Maakond: Harjumaa
Linn: Tallinn
Tööde algus: E, 19. oktoober, 2020 (Soovituslik)
Tööde lõpp: P, 25. oktoober, 2020 (Soovituslik)
Ehitusmaterjalid: Töö tellija poolt
Soovin pakkumisi: Summa kogu projektile

Töö sisu

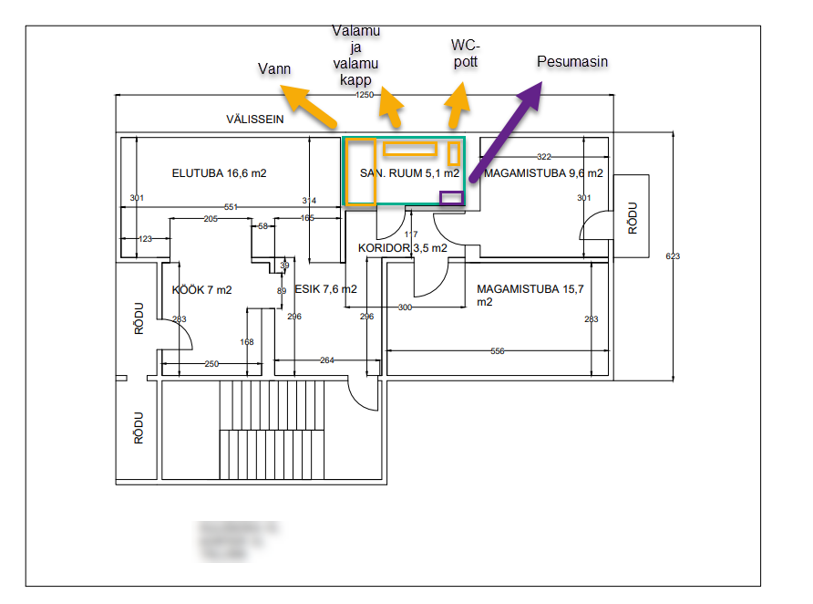
Soov oleks remontida ära 5,1 ruutmeetrine vannituba kolmetoalises paneelmaja korteris.
Vannitoa ja WC vaheline sein on osaliselt juba eemaldatud, kuid WC alale on eelmine omanik ehitanud väikese sauna. Soov oleks loobuda saunast ja suurendada selle arvelt vannitoa pinda.
Planeeritavad tööd:
- sauna ja vanade plaatide demontaaž ja utiliseerimine
-dušinurga asemel paigaldada vann
- niiskustõke koos täieliku plaatimisega
- torutööd
-põrandasoojustuse paigaldus koos plaatimisega

Sealjuures jäävad välja materjalid ja elektritööd.

Pildid, video ja failid

Hanke korraldaja: eraisik ID57312

Pakkumised

Pakkumisi kokku: 6

Ettevõte Summa Käibemaks Lisatud Vestlus
Kasutaja ikoon ID56525
Pakkuja profiil Väike nool paremale
4 600€ Sisaldab KM Sisaldab KM 23.09.2020 Vestlus (0)

Pakkumise kirjeldus:

Hind koos materjaliga

Kasutaja ikoon ID57407
Pakkuja profiil Väike nool paremale
4 300€ Sisaldab KM Sisaldab KM 28.09.2020 Vestlus (0)
Kasutaja ikoon ID56387
Pakkuja profiil Väike nool paremale
3 500€ Sisaldab KM Sisaldab KM 11.10.2020 Vestlus (0)

Pakkumise kirjeldus:

Tere, pakkumine sisaldab järgmisi töid:

Sauna, plaatide ja vaheseina eemaldust ning utiliseerimist ning aluspinna ettevalmistusi. Torutöid, hüdroisolatsiooni paigaldust põrandale ja seintele. Seinte ning põranda plaatimist, vuukimist ning silikoonimist. Kogu sisustuse paigaldust.
Tasumine etapiti kolmes osas. Ettemaksu ei soovi.

Parimatega,
M ... Rohkem

Kasutaja ikoon ID47549
Pakkuja profiil Väike nool paremale
5 100€ KM lisandub KM lisandub 12.10.2020 Vestlus (0)
Kasutaja ikoon ID3527
Pakkuja profiil Väike nool paremale
3 300€ KM lisandub KM lisandub 15.10.2020 Vestlus (0)

Pakkumise kirjeldus:

Tere!

Omame pikaajalist kogemust ehitus ja siseviimistlus valdkonnas, seega töö kiire ja kvaliteetne. Tehtud töödele anname grantii!
Objekti anname üle puhtana!

Lugupidamisega,
JM

Kasutaja ikoon ID47001
Pakkuja profiil Väike nool paremale
3 600€ Ei ole KMKR Ei ole KMKR 16.10.2020 Vestlus (0)

Pakkumise kirjeldus:

Pakume "võtmed kätte" lahendust.
Hinna sees on järgmised tööd:
* demontaaž;
* santehnilised tööd vannitoas;
* niiskustõke;
* põrandasoojustuse paigaldus;
* vannitoa plaatimine, vuukimine, silikoonomine ning santehnika paigaldus ja ühendamine, vannitoamööbli paigaldus;
* vannitoa ripplae paigaldus;
*kogu ehitusprahi utiliseerimine;
* mat ... Rohkem

Küsimused hanke korraldajale

Küsimus: private ID56387   22.09.2020 18:02
Tere, teate te äkki kas majal on vana malm püstik ja vana torustik? Et kas vesi tuleb liita vana torustikuga? Kas vaja ka ukseavasid vm kinni ehitada või uksi paigaldada? Kas ripplagi ja ventilatsioon vaja ka ehitada? Paigaldada ainult vann või ka kõik muu sisustus?

Parimatega,
Marek

Teavita reeglite rikkumisest

Korraldaja vastus:
Hanke korraldaja ei ole küsimusele veel vastanud

Küsimus: private ID47784   23.09.2020 09:36
Tere mis linnaosas asub, mittmes korrus kas on teada mis materjlist on seinad keraamiliste platide all.

Teavita reeglite rikkumisest

Korraldaja vastus:
Hanke korraldaja ei ole küsimusele veel vastanud

Lisa küsimus

Lisa küsimus

Minu pakkumine

Reeglid

Pakkumise kirjelduse väli on mõeldud pakkumise detailsemaks lahti kirjutamiseks. Pikema teksti mugavaks sisestamiseks klikkige kasti paremal ülaservas oleval ikoonil.
Pakkumist tehes on keelatud postitada enda kontaktandmeid (nimi, telefon, aadress jne). Me jälgime ja analüüsime pakkumisi, et vältida pettuseid ja reeglite rikkumisi.
Rikkumise puhul kasutajakonto blokeeritakse.

 

Teisi töid samas valdkonnas

Valdkonnas "Vannitubade remont" on 3 aktiivset tööd

Vannitoa ja Wc kapitaalremont

Asukoht: Harjumaa, Tallinn
Aega jäänud: 1p 16h
Tehtud pakkumisi: 4

Vannitoa ehitamine

Asukoht: Harjumaa, Tallinn
Aega jäänud: 15p 16h
Tehtud pakkumisi: 4

Vanemad teated:

Vaata kõiki

Sellel veebilehel kasutatakse küpsiseid. Kasutamist jätkates nõustute küpsiste kasutamisega.

Sulge
 
Minu pakkumine

Reeglid

Pakkumise kirjelduse väli on mõeldud pakkumise detailsemaks lahti kirjutamiseks. Pikema teksti mugavaks sisestamiseks klikkige kasti paremal ülaservas oleval ikoonil.
Pakkumist tehes on keelatud postitada enda kontaktandmeid (nimi, telefon, aadress jne). Me jälgime ja analüüsime pakkumisi, et vältida pettuseid ja reeglite rikkumisi.
Rikkumise puhul kasutajakonto blokeeritakse.