+ Lisa oma töö      

Otsid ehitajat "Vundamenditööd" valdkonnast?

Parima pakkumise ja teostaja leidmiseks lisa oma töö.

Lintvundamendi ehitus

ID 51981

1945 vaatamist

Prindi

  • check Pakkumiste tegemine
    kuni 14.06.2020
  • check Võitja valik kuni
    21.06.2020
  • 3 Töö teostamine
    ja hinnang
Hanke lõpp: P, 14. juuni, 2020
Maakond: Saaremaa
Muu asula: Saaremaa vald, Kiratsi küla
Tööde algus: K, 17. juuni, 2020 (Soovituslik)
Tööde lõpp: K, 08. juuli, 2020 (Soovituslik)
Ehitusmaterjalid: Töö tegija poolt
Soovin pakkumisi: Summa kogu projektile

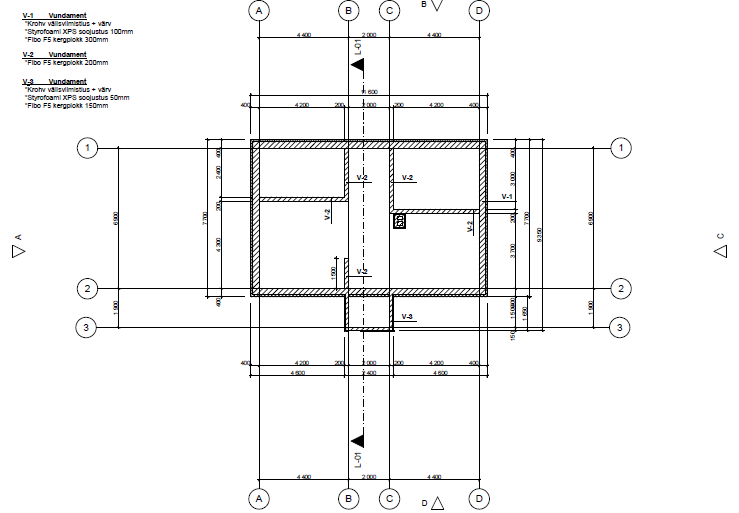
Töö sisu

Elumaja lintvundament:
betoontaldmik 200x600 mm
Fibo5 300 mm
sokli vertikaalne soojustus XPS 100 mm
põrandaalune soojustus EPS100 150 mm
betoonpõrand 80 mm põrandakütte torustik
vee- ja kanalisatsioonitorustik


Vundament ehitatakse vana vundamendi asukohale. Vundamendi kõrgus sõltub, kui sügaval paekivi vastu tuleb.

Pildid, video ja failid

Hanke korraldaja: eraisik ID55142

Pakkumised

Pakkumisi kokku: 5

Ettevõte Summa Käibemaks Lisatud Vestlus
Kasutaja ikoon ID55399
Pakkuja profiil Väike nool paremale
12 000€ Sisaldab KM Sisaldab KM 01.06.2020 Vestlus (0)

Pakkumise kirjeldus:

Tööraha.

Kasutaja ikoon ID55607
Pakkuja profiil Väike nool paremale
12 500€ Sisaldab KM Sisaldab KM 11.06.2020 Vestlus (0)
Kasutaja ikoon ID53687
Pakkuja profiil Väike nool paremale
19 666,8€ KM lisandub KM lisandub 11.06.2020 Vestlus (0)

Pakkumise kirjeldus:

1. Eramu vundamendi ehitus (killustikust alusele h=200mm ,vundamendi taldmik armeeritud betoonist 600x200, peale 3 rida Fibo 5 300, 200, 150mm, peale soojustus 100mm XPS) Vundamendialust pinda kokku ca 93m². Hind kokku 9321,19.-

2. Põrandaalunsed kommunikatsioonid (vesi, kanal, küte torustike rajamine põranda alla). Hind kokku 2300.-

3. Betoonp ... Rohkem

Kasutaja ikoon ID47122
Pakkuja profiil Väike nool paremale
13 400€ Sisaldab KM Sisaldab KM 14.06.2020 Vestlus (0)

Pakkumise kirjeldus:

Töö koos materjaliga.
Oleme aastate jookusl ehitanud väga palju vundamente.
Anname töödele 5aastase garantii

Kasutaja ikoon ID55635
Pakkuja profiil Väike nool paremale
12 500€ Sisaldab KM Sisaldab KM 14.06.2020 Vestlus (0)

Pakkumise kirjeldus:

Summa kogu projektile.
Töödele garantii.

Küsimused hanke korraldajale

Hanke korraldajale ei ole veel küsimusi esitatud.

Lisa küsimus

Lisa küsimus

Minu pakkumine

Reeglid

Pakkumise kirjelduse väli on mõeldud pakkumise detailsemaks lahti kirjutamiseks. Pikema teksti mugavaks sisestamiseks klikkige kasti paremal ülaservas oleval ikoonil.
Pakkumist tehes on keelatud postitada enda kontaktandmeid (nimi, telefon, aadress jne). Me jälgime ja analüüsime pakkumisi, et vältida pettuseid ja reeglite rikkumisi.
Rikkumise puhul kasutajakonto blokeeritakse.

 

Vanemad teated:

Vaata kõiki

Sellel veebilehel kasutatakse küpsiseid. Kasutamist jätkates nõustute küpsiste kasutamisega.

Sulge
 
Minu pakkumine

Reeglid

Pakkumise kirjelduse väli on mõeldud pakkumise detailsemaks lahti kirjutamiseks. Pikema teksti mugavaks sisestamiseks klikkige kasti paremal ülaservas oleval ikoonil.
Pakkumist tehes on keelatud postitada enda kontaktandmeid (nimi, telefon, aadress jne). Me jälgime ja analüüsime pakkumisi, et vältida pettuseid ja reeglite rikkumisi.
Rikkumise puhul kasutajakonto blokeeritakse.