+ Lisa oma töö      

Otsid ehitajat "Vundamenditööd" valdkonnast?

Parima pakkumise ja teostaja leidmiseks lisa oma töö.

Eramu vundamendi ehitus

ID 124263

1771 vaatamist

Prindi

  • check Pakkumiste tegemine
    kuni 25.10.2025
  • check Võitja valik kuni
    01.11.2025
  • 3 Töö teostamine
    ja hinnang
Hanke lõpp: L, 25. oktoober, 2025
Maakond: Pärnumaa
Linn: Pärnu
Tööde lõpp: Kokkuleppel
Ehitusmaterjalid: Töö tegija poolt
Soovin pakkumisi: Summa kogu projektile

Töö sisu

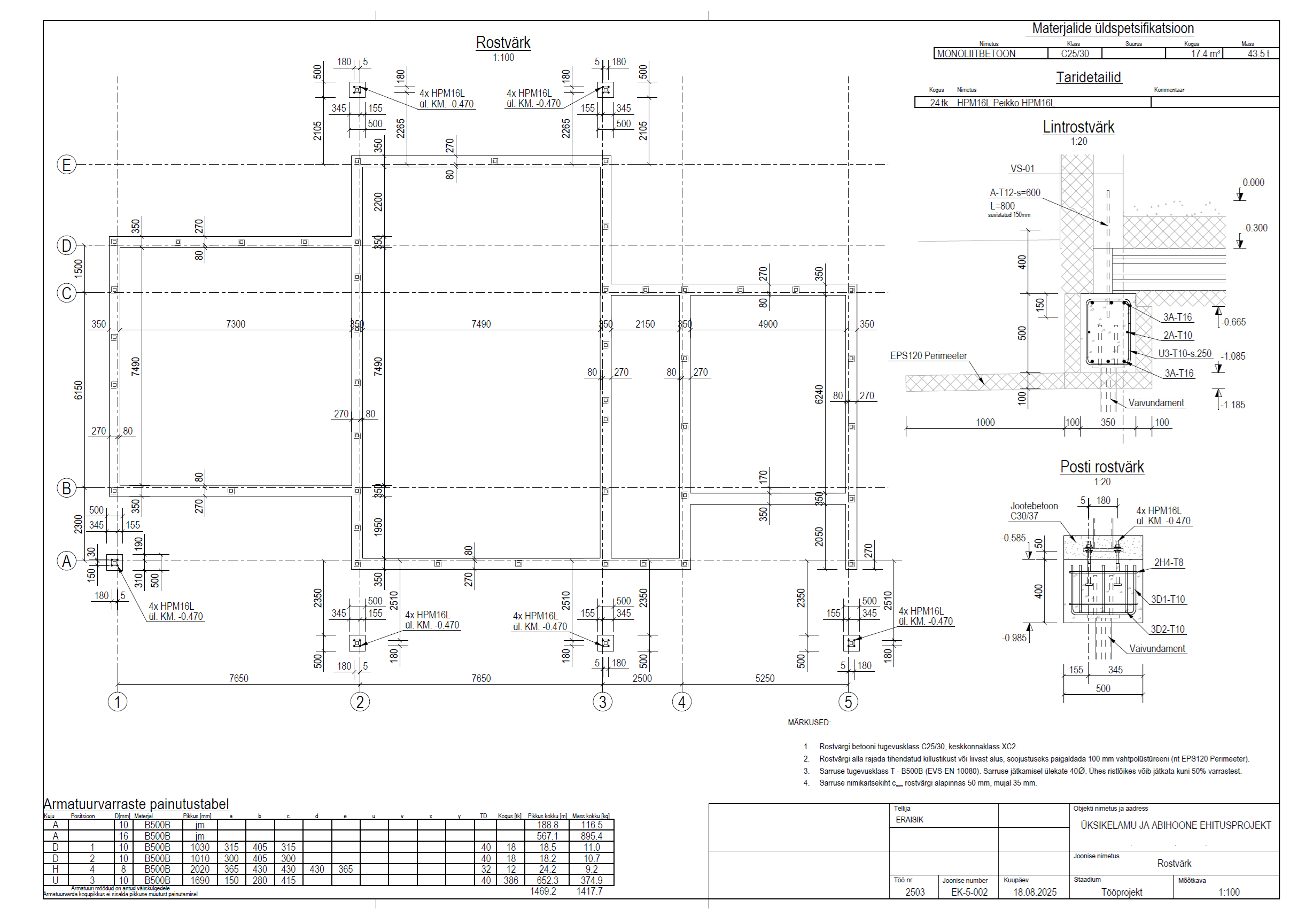
Töö teostamine vastavalt projektile, sh aluspõhi, rostvärk (betoonitööd), EPS jms. Kui võimalik, siis ka õõnespaneelid. Projekti vaiatööd on teostatud.

Pildid, video ja failid

Hanke korraldaja: eraisik ID67642

Pakkumised

Pakkumisi kokku: 2

Ettevõte Summa Käibemaks Lisatud Vestlus
Kasutaja ikoon ID87168
Pakkuja profiil Väike nool paremale
36 000€ Sisaldab KM Sisaldab KM 26.09.2025 Vestlus (2)

Pakkumise kirjeldus:

Tööde sisu vastavalt projektile:

Aluspõhja ettevalmistus (liiv, killustik, tihendamine, geotekstiil).

Rostvärgi betoneerimine (C25/30, kogumaht ca 43,5 m³), sh armeerimine, raketise ehitus, betooni pumpamine ja viimistlus.

Soojustus EPS 120 Perimeter ja hüdroisolatsioon (mastiks, vajalikud materjalid).

Lisavariant: õõnespaneelide tarne ja ... Rohkem

Kasutaja ikoon ID83819
Pakkuja profiil Väike nool paremale
17 500€ Ei ole KMKR Ei ole KMKR 25.10.2025 Vestlus (6)

Pakkumise kirjeldus:

Tere. Tegeleme materjaliga. Võtmed kätte teenus. Saame alustada 3. novembril 2025.

Küsimused hanke korraldajale

Küsimus: private ID612   26.09.2025 11:51
kas vundamendisisene väljakaeve tehtud?
Kui paljuga arvestada tagasitäidet?

Teavita reeglite rikkumisest

Korraldaja vastus:
Hanke korraldaja ei ole küsimusele veel vastanud

Küsimus: private ID612   26.09.2025 12:16
Nägin juba pildilt

Teavita reeglite rikkumisest

Korraldaja vastus: 26.09.2025 12:17

OK, saab korraldada täiendava väljakaeve.

Teavita reeglite rikkumisest

Lisa küsimus

Lisa küsimus

Minu pakkumine

Reeglid

Pakkumise kirjelduse väli on mõeldud pakkumise detailsemaks lahti kirjutamiseks. Pikema teksti mugavaks sisestamiseks klikkige kasti paremal ülaservas oleval ikoonil.
Pakkumist tehes on keelatud postitada enda kontaktandmeid (nimi, telefon, aadress jne). Me jälgime ja analüüsime pakkumisi, et vältida pettuseid ja reeglite rikkumisi.
Rikkumise puhul kasutajakonto blokeeritakse.

 

Vanemad teated:

Vaata kõiki

Sellel veebilehel kasutatakse küpsiseid. Kasutamist jätkates nõustute küpsiste kasutamisega.

Sulge
 
Minu pakkumine

Reeglid

Pakkumise kirjelduse väli on mõeldud pakkumise detailsemaks lahti kirjutamiseks. Pikema teksti mugavaks sisestamiseks klikkige kasti paremal ülaservas oleval ikoonil.
Pakkumist tehes on keelatud postitada enda kontaktandmeid (nimi, telefon, aadress jne). Me jälgime ja analüüsime pakkumisi, et vältida pettuseid ja reeglite rikkumisi.
Rikkumise puhul kasutajakonto blokeeritakse.