+ Lisa oma töö      

Otsid ehitajat "Vannitubade remont" valdkonnast?

Parima pakkumise ja teostaja leidmiseks lisa oma töö.

Vannitoa sise- ja torutööd

ID 124258

1085 vaatamist

Prindi

  • check Pakkumiste tegemine
    kuni 09.10.2025
  • check Võitja valik kuni
    16.10.2025
  • 3 Töö teostamine
    ja hinnang
Hanke lõpp: N, 9. oktoober, 2025
Maakond: Lääne-Virumaa
Muu asula: Kõrveküla
Tööde lõpp: Kokkuleppel
Ehitusmaterjalid: Töö tegija poolt
Soovin pakkumisi: Summa kogu projektile

Töö sisu

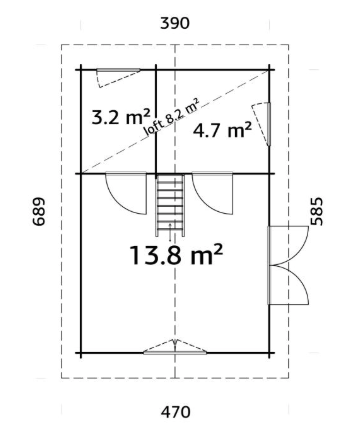
Soojustatud Palmako freespalkmaja 3,2 m2 tualettruum vajab sisetöid:
Seinte ja põranda hüdroisolatsioon (võib vajada põranda valamist),
elektripõrandakütte paigaldus,
vajadusel põranda plaatimine,
veetorustiku ja sooja vee boileri paigaldus,
WC-poti, dušialuse, duši, tualettruumi kraani ja kraanikausi, köögi kraani ja kraanikausi paigaldus.

Pildid, video ja failid

Hanke korraldaja: eraisik ID94041

Pakkumised

Pakkumisi kokku: 1

Ettevõte Summa Käibemaks Lisatud Vestlus
Kasutaja ikoon ID65365
Pakkuja profiil Väike nool paremale
9 951€ Sisaldab KM Sisaldab KM 07.10.2025 Vestlus (2)

Küsimused hanke korraldajale

Hanke korraldajale ei ole veel küsimusi esitatud.

Lisa küsimus

Lisa küsimus

Minu pakkumine

Reeglid

Pakkumise kirjelduse väli on mõeldud pakkumise detailsemaks lahti kirjutamiseks. Pikema teksti mugavaks sisestamiseks klikkige kasti paremal ülaservas oleval ikoonil.
Pakkumist tehes on keelatud postitada enda kontaktandmeid (nimi, telefon, aadress jne). Me jälgime ja analüüsime pakkumisi, et vältida pettuseid ja reeglite rikkumisi.
Rikkumise puhul kasutajakonto blokeeritakse.

 

Teisi töid samas valdkonnas

Valdkonnas "Vannitubade remont" on 3 aktiivset tööd

Vannitoa ja Wc kapitaalremont

Asukoht: Harjumaa, Tallinn
Aega jäänud: 1p 14h
Tehtud pakkumisi: 4

Vannitoa ehitamine

Asukoht: Harjumaa, Tallinn
Aega jäänud: 15p 14h
Tehtud pakkumisi: 4

Vanemad teated:

Vaata kõiki

Sellel veebilehel kasutatakse küpsiseid. Kasutamist jätkates nõustute küpsiste kasutamisega.

Sulge
 
Minu pakkumine

Reeglid

Pakkumise kirjelduse väli on mõeldud pakkumise detailsemaks lahti kirjutamiseks. Pikema teksti mugavaks sisestamiseks klikkige kasti paremal ülaservas oleval ikoonil.
Pakkumist tehes on keelatud postitada enda kontaktandmeid (nimi, telefon, aadress jne). Me jälgime ja analüüsime pakkumisi, et vältida pettuseid ja reeglite rikkumisi.
Rikkumise puhul kasutajakonto blokeeritakse.