+ Lisa oma töö      

Otsid ehitajat "Üldehitus" valdkonnast?

Parima pakkumise ja teostaja leidmiseks lisa oma töö.

Elektri- ja torustikutööde pakkumine renoveeritavasse korterisse

ID 123385

445 vaatamist

Prindi

  • check Pakkumiste tegemine
    kuni 13.09.2025
  • check Võitja valik kuni
    20.09.2025
  • 3 Töö teostamine
    ja hinnang
Hanke lõpp: L, 13. september, 2025
Maakond: Pärnumaa
Muu asula: Varbla
Tööde lõpp: Kokkuleppel
Ehitusmaterjalid: Töö tegija poolt
Soovin pakkumisi: Summa kogu projektile

Töö sisu

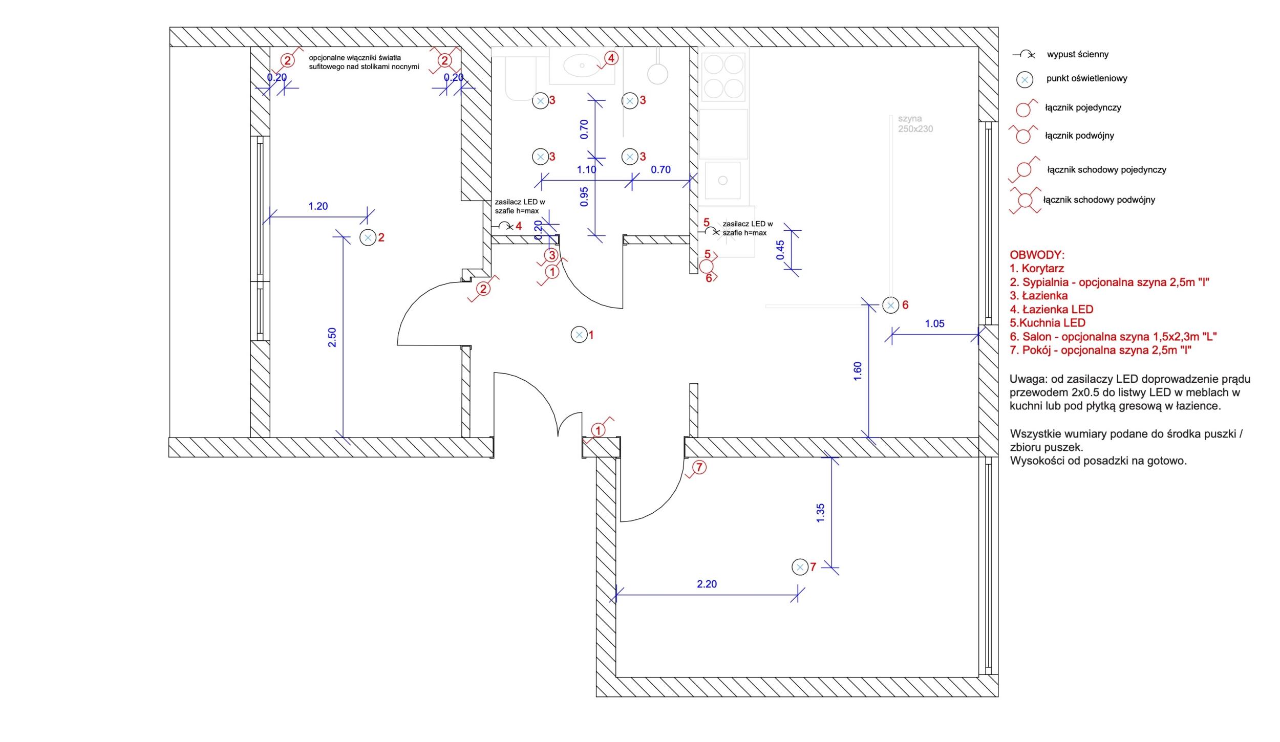
Kirjeldus: Otsin elektritööde ja torustikutööde tegijat renoveeritavasse korterisse (umbes 50 m²). Töö hulka kuuluvad uue elektrijuhtmestiku paigaldamine (sh pistikud, valgustid, lülitid vastavalt plaanile), vee- ja kanalisatsioonitorustiku uuendamine. Lisaks vajalik põrandakatte ettevalmistus ja osaline seinte parandus. Kaasas on plaanid ja fotod (vt lisatud failid). Palun saatke pakkumine koos ajakavaga ja ligikaudse hinnaga. Töö asukoht: [lisa linn/piirkond]. Võimalus läbirääkimisteks.

Pildid, video ja failid

Hanke korraldaja: eraisik ID93669

Pakkumised

Pakkumisi kokku: 0

Küsimused hanke korraldajale

Küsimus: private ID93527   10.09.2025 21:56
Minu soovitus, tehke kaks eraldi hange. Elektritöödele ja veevärgi töödele. Nii on suurem tõenäosus leida teostaja

Teavita reeglite rikkumisest

Korraldaja vastus:
Hanke korraldaja ei ole küsimusele veel vastanud

Lisa küsimus

Lisa küsimus

Minu pakkumine

Reeglid

Pakkumise kirjelduse väli on mõeldud pakkumise detailsemaks lahti kirjutamiseks. Pikema teksti mugavaks sisestamiseks klikkige kasti paremal ülaservas oleval ikoonil.
Pakkumist tehes on keelatud postitada enda kontaktandmeid (nimi, telefon, aadress jne). Me jälgime ja analüüsime pakkumisi, et vältida pettuseid ja reeglite rikkumisi.
Rikkumise puhul kasutajakonto blokeeritakse.

 

Teisi töid samas valdkonnas

Valdkonnas "Üldehitus" on 36 aktiivset tööd

Kuuri lammutus

Asukoht: Harjumaa, Kangru
Aega jäänud: 2p 11h
Tehtud pakkumisi: 9

Terrass ehitus3×2m aiamaja ette ja kõrvale

Asukoht: Harjumaa, Keila-Joa
Aega jäänud: 11h 31 min
Tehtud pakkumisi: 5

Vanemad teated:

Vaata kõiki

Sellel veebilehel kasutatakse küpsiseid. Kasutamist jätkates nõustute küpsiste kasutamisega.

Sulge
 
Minu pakkumine

Reeglid

Pakkumise kirjelduse väli on mõeldud pakkumise detailsemaks lahti kirjutamiseks. Pikema teksti mugavaks sisestamiseks klikkige kasti paremal ülaservas oleval ikoonil.
Pakkumist tehes on keelatud postitada enda kontaktandmeid (nimi, telefon, aadress jne). Me jälgime ja analüüsime pakkumisi, et vältida pettuseid ja reeglite rikkumisi.
Rikkumise puhul kasutajakonto blokeeritakse.