+ Lisa oma töö      

Otsid ehitajat "Üldehitus" valdkonnast?

Parima pakkumise ja teostaja leidmiseks lisa oma töö.

Elektripaigaldus ilma lõpp-osadeta + kliimaseadme ettevalmistus

ID 122217

741 vaatamist

Prindi

  • check Pakkumiste tegemine
    kuni 27.08.2025
  • check Võitja valik kuni
    03.09.2025
  • 3 Töö teostamine
    ja hinnang
Hanke lõpp: K, 27. august, 2025
Maakond: Pärnumaa
Muu asula: Varbla
Tööde lõpp: Kokkuleppel
Ehitusmaterjalid: Töö tegija poolt
Soovin pakkumisi: Summa kogu projektile

Töö sisu

Pealkiri
Elektripaigaldus ilma lõpp‑osadeta + kliimaseadme ettevalmistus (korter)

Kirjeldus
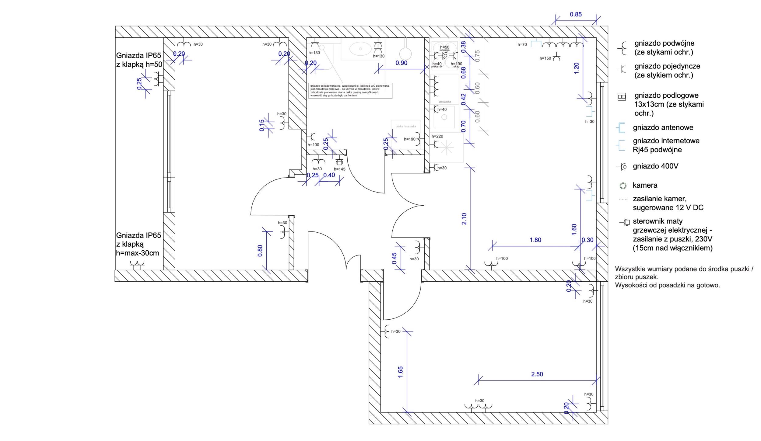
Otsin teostajat elektritöödele jooniste alusel (pistikud, valgustus, nõrkvool) ning kliimaseadme ettevalmistusele. Lõpp‑osad (pistikupesad, lülitid, raamid, valgustid, RJ45/TV paneelid) paigaldan ise – palun hinnata ilma selle osata.

Olukord objektil:

Põrand enne tasanduskihti; plaanis põrandaküte. Kõrgused joonistel on “valmis põrandast”.
Seinad/laed toorviimistluses; teatud kohas sooned ja läbiviigud.
Nõutav kaablitrasside märgistus ja foto­dokumentatsioon enne tasandusvalu.
Tööde maht:

Kaabeldus ja karbid vastavalt joonistele:
pistikupesad: sh IP65, 400 V, põrandapesad, köögi AGD, kaamerate toide;
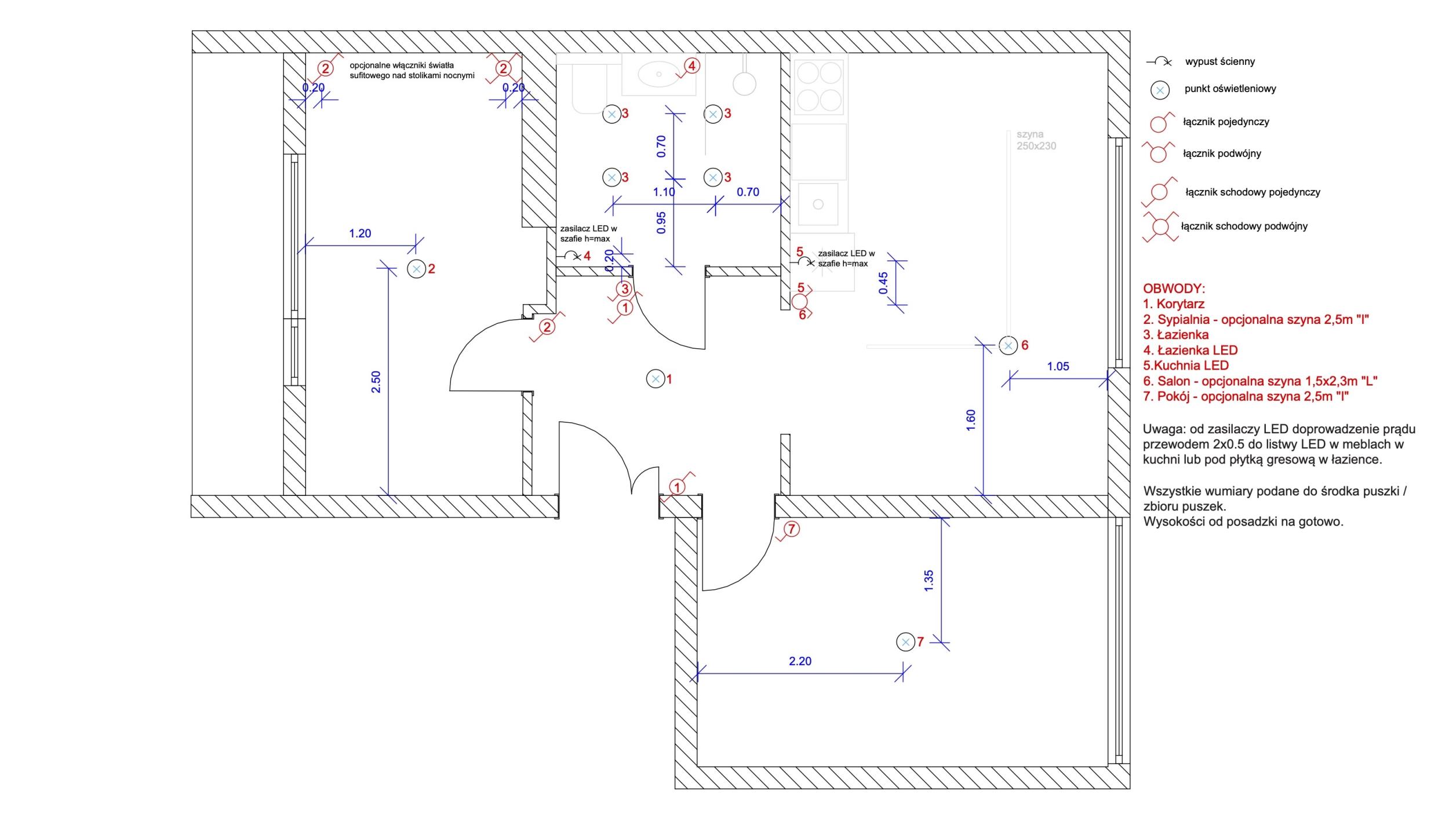
valgustus: lae- ja seinaväljundid, 1/2/trepp‑lülitid, punktid öökappide kohal;
nõrkvool: kahekordsed RJ45, TV.
LED: toiteallikad kapis h=max, 2x0,5 juhtmed mööblisse paigaldatud LED‑liistudele.
Kliima: toiteväljavõtted sise‑/välisüksustele, kondensaadi trassid kanalisatsiooni, läbiviigud.
Jaotuskilp: paigaldus peaukse kohale (ukse peale), min 5–6 rida (~72–96 moodulit) + 20–30% varu; pealüliti, SPD T2 (või 1+2), RCD/RCBO, MCB, valikuline AFDD; PE/N siinid; koht nõrkvoolule või kõrval mini‑IT kapile.
Lisatööd: soonimine, läbiviigud, karpide paigaldus, parandustööd; mõõtmised, protokollid, skeem ja trasside fotod.
Koordineerimine:

Põrandaküttega (pärast torude paigaldust soonimist ei tehta); lävepakkude ja dilatatsioonide ületused torudes/peslites.
Kontroll mööblilahenduste ja “ukse/ukse esise” pistikute kõrguste osas.
Materjalid/hinnastus:

Palun kaks varianti: A) töö + materjal (ilma lõpp‑osadeta); B) ainult töö.
Nõuded pakkujale
Elektritööde ja mõõtmiste pädevus; kogemus korteriobjektidel ja kliimaseadmete ettevalmistusel.
Mõõdistusprotokollid ja jaotuskilbi ühekriipsuskeem.
Tähtaegadest kinnipidamine ja fotodokumentatsioon enne valu.
Lisad
PDF‑joonised: pistikupunktid, valgustus, kliima (propositsioon).
2–4 fotot objekti seisust.
Eelarve ja hindamiskriteeriumid
Esitage detailne kalkulatsioon: kilp, kaabeldus/karbid, kliima ettevalmistus, soonimine/viimistlus, mõõtmised/protokollid, sõidukulud.
Lisage teostusaeg ja meeskonna saadavus, garantii tingimused.
Hindamine: pakkumise komplektsus ja ajakava, materjalide kvaliteet/standardid, kogemus, hind ja garantii.
Tähtaeg
Algus: kokkuleppel (palun märkida varaseim aeg).
Teostusaeg: palun näidata päevades/nädalates.
Palun saatke pakkumised ja tehnilised küsimused Hange.ee kaudu. Joonised/fotod kättesaadavad; objekti külastus võimalik pärast esmast valikut.

Pildid, video ja failid

Hanke korraldaja: eraisik ID93174

Pakkumised

Pakkumisi kokku: 1

Ettevõte Summa Käibemaks Lisatud Vestlus
Kasutaja ikoon ID87168
Pakkuja profiil Väike nool paremale
6 500€ Ikoon kell Ei ole KMKR Ei ole KMKR 27.08.2025 Vestlus (0)

Pakkumise kirjeldus:

Tööde sisu:
Teostame kaabelduse ja karpide paigalduse (pistikud sh IP65, 400 V, põrandapesad, köök, kaamerate toide, nõrkvool, LED toitekaablid). Paigaldame jaotuskilbi (5–6 rida, 72–96 moodulit, pealüliti, SPD, RCD/RCBO, MCB, PE/N siinid, nõrkvoolu eraldi lahendus). Valmistame ette kliimaseadme paigalduseks vajalikud toiteväljavõtted sise- ja ... Rohkem

Küsimused hanke korraldajale

Hanke korraldajale ei ole veel küsimusi esitatud.

Lisa küsimus

Lisa küsimus

Minu pakkumine

Reeglid

Pakkumise kirjelduse väli on mõeldud pakkumise detailsemaks lahti kirjutamiseks. Pikema teksti mugavaks sisestamiseks klikkige kasti paremal ülaservas oleval ikoonil.
Pakkumist tehes on keelatud postitada enda kontaktandmeid (nimi, telefon, aadress jne). Me jälgime ja analüüsime pakkumisi, et vältida pettuseid ja reeglite rikkumisi.
Rikkumise puhul kasutajakonto blokeeritakse.

 

Teisi töid samas valdkonnas

Valdkonnas "Üldehitus" on 27 aktiivset tööd

Maja värvimine

Asukoht: Harjumaa, Saue
Aega jäänud: 2p 10h
Tehtud pakkumisi: 5

Terassi õlitamine, 13,7 ruutu

Asukoht: Harjumaa, Saue
Aega jäänud: 5p 10h
Tehtud pakkumisi: 5

Vanemad teated:

Vaata kõiki

Sellel veebilehel kasutatakse küpsiseid. Kasutamist jätkates nõustute küpsiste kasutamisega.

Sulge
 
Minu pakkumine

Reeglid

Pakkumise kirjelduse väli on mõeldud pakkumise detailsemaks lahti kirjutamiseks. Pikema teksti mugavaks sisestamiseks klikkige kasti paremal ülaservas oleval ikoonil.
Pakkumist tehes on keelatud postitada enda kontaktandmeid (nimi, telefon, aadress jne). Me jälgime ja analüüsime pakkumisi, et vältida pettuseid ja reeglite rikkumisi.
Rikkumise puhul kasutajakonto blokeeritakse.