+ Lisa oma töö      

Otsid ehitajat "Üldehitus" valdkonnast?

Parima pakkumise ja teostaja leidmiseks lisa oma töö.

Eramu juurdeehitus ja renoveerimine

ID 112487

1584 vaatamist

Prindi

  • check Pakkumiste tegemine
    kuni 27.04.2025
  • check Võitja valik kuni
    04.05.2025
  • 3 Töö teostamine
    ja hinnang
Hanke lõpp: P, 27. aprill, 2025
Maakond: Harjumaa
Muu asula: Laulasmaa
Tööde lõpp: Kokkuleppel
Ehitusmaterjalid: Töö tegija poolt
Soovin pakkumisi: Summa kogu projektile

Töö sisu

Palun tutvuge hankedokumentidega. Kõik projektidega seotud täiendava materjali saan saata eraldi, kuid põhiline info on avaldatud. Vastan meeleldi lisaküsimustele.

Pildid, video ja failid

Hanke korraldaja: eraisik ID67135

Pakkumised

Pakkumisi kokku: 1

Ettevõte Summa Käibemaks Lisatud Vestlus
Kasutaja ikoon ID52293
Pakkuja profiil Väike nool paremale
54 000€ Sisaldab KM Sisaldab KM 01.04.2025 Vestlus (0)

Pakkumise kirjeldus:

Tere
Juhul kui soovite meid valida hanke võitjaks peaks eelnevalt kokku leppima makse tingimustes
Tänud

Küsimused hanke korraldajale

Küsimus: private ID52293   28.03.2025 21:47
Tere
Mida täpsemalt ja mis mahtu on vaja teha
Et mitte hinnapakkumises eksida
Tänud

Teavita reeglite rikkumisest

Korraldaja vastus: 01.04.2025 00:18

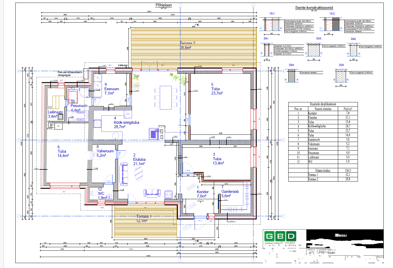
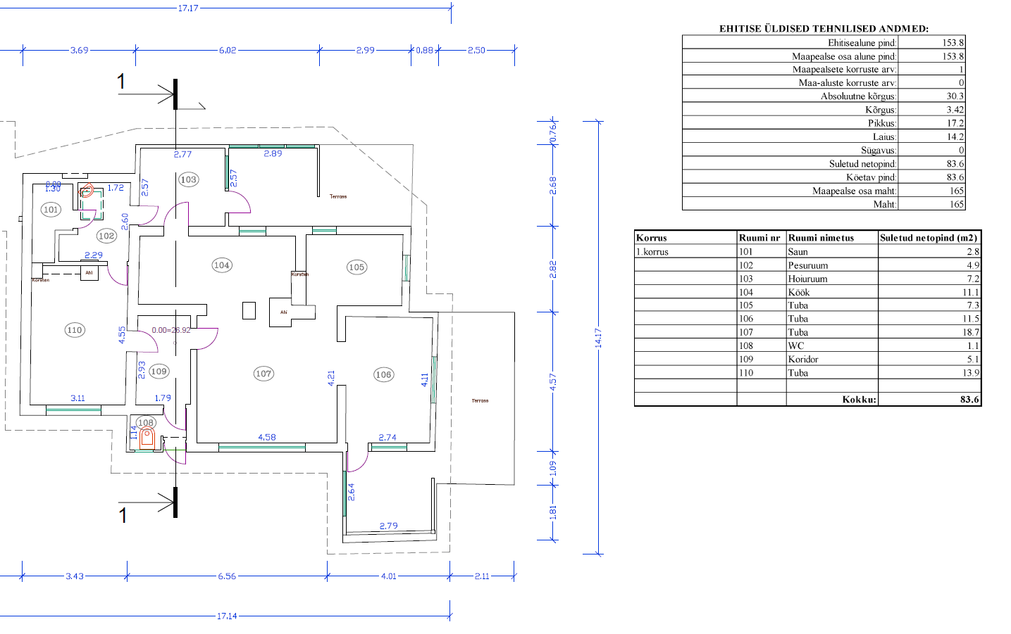
Tere. Lisasin olemasoleva hoone projekti, et oleks võimalik võrrelda olemasolevat ja planeeritavat. Hoone laieneb jooniste vaates põhja ja ida suunas järgnevalt: olemasoleva hoone põhja jääva terrassi lõpuni ning idasse jääva terrassi lõpuni. Kirdesse jääv katuse pool uue projekti järgi (söögituba kuni köögini ja tuba 5 kohal) tõstetakse ning ehitatakse katuslagi. Tuba 6 seinad ja lagi on täielikult nõuetekohaselt soojustatud, samuti maja esimene külg kuni esiukseni. Kogu ülejäänud maja tuleb soojustada ning valada betoonpõrandad kogu mjas v.a WC ja leiliruum. Tööde täpsem kirjeldus on lisatud pakkumiskutsesse ja hinnajaotustabelisse.

Teavita reeglite rikkumisest

Küsimus: private ID31957   06.04.2025 13:09
Tere,

Tänan Teid personaalse kutse eest.
Kas antud töödeks on ehitusluba olemas?
Kas konstruktiivne projekt on olemas? Kui ei ole, kas tehakse?
Millal on planeeritud reaalne tööde teostamine?

Parimate soovidega

Teavita reeglite rikkumisest

Korraldaja vastus: 06.04.2025 13:35

Tere,

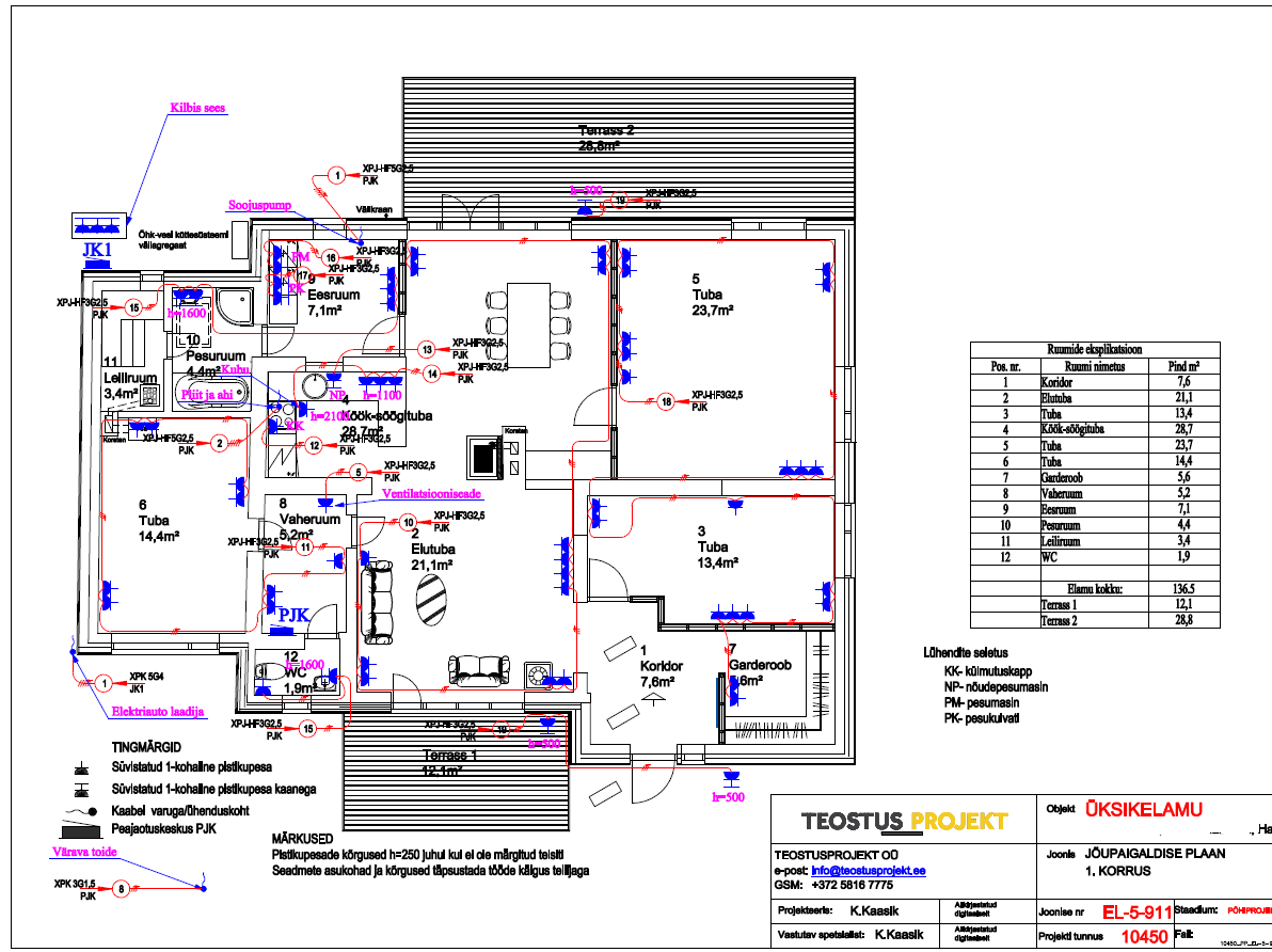
Ehitusluba on olemas, konstruktiivne projekt on juurdeehituse katuse osale, ülejäänud ehitisele on eelprojekt. Lisaks on eriprojektid (elekter, vent, küte, vesi, kanalisatsioon).
Tööde teostamine võiks alata esimesel võimalusel, kuid jääda siiski selle aasta hooaja sisse.

Lugupidamisega

Teavita reeglite rikkumisest

Küsimus: private ID31957   06.04.2025 20:37
Tere,

Täpsustaks üle ka mõned detailid veel, mis on seoses hankekutsega.
- MTR vastutav isik on meil insener 7 tase. Objektil ta reaalselt ei viibi. Kas see on hanke seisukohast probleem?
- Varasemate objektide puhul, mis puudutab eriosasid, on järelvalvetel olnud nõue, et elektritööde puhul peab olema elektrikul pädevustunnistus, kes töid teostab. Teiste eriosade puhul on aksepteeritud ehitusettevõtte poolset MTR-i olemasolu.

Parimate soovidega

Teavita reeglite rikkumisest

Korraldaja vastus: 07.04.2025 09:00

Tere
- Tase 7 ei pea tööde ajal reaalselt objektil viibima ning piisab kui ta on kursis toimuvaga ja omab mingit kontrollfunktsiooni, seega see ei ole probleemiks.
- Kui nii on, siis ma ei vaidle.

Lugupidamisega

Teavita reeglite rikkumisest

Lisa küsimus

Lisa küsimus

Minu pakkumine

Reeglid

Pakkumise kirjelduse väli on mõeldud pakkumise detailsemaks lahti kirjutamiseks. Pikema teksti mugavaks sisestamiseks klikkige kasti paremal ülaservas oleval ikoonil.
Pakkumist tehes on keelatud postitada enda kontaktandmeid (nimi, telefon, aadress jne). Me jälgime ja analüüsime pakkumisi, et vältida pettuseid ja reeglite rikkumisi.
Rikkumise puhul kasutajakonto blokeeritakse.

 

Teisi töid samas valdkonnas

Valdkonnas "Üldehitus" on 42 aktiivset tööd

no-img Pilt puudub

Majal terrassi vahetus

Asukoht: Harjumaa, Tallinn
Aega jäänud: 8h 49 min
Tehtud pakkumisi: 5

Valamu paigaldus

Asukoht: Harjumaa, Tallinn
Aega jäänud: 8h 49 min
Tehtud pakkumisi: 4

Vanemad teated:

Vaata kõiki

Sellel veebilehel kasutatakse küpsiseid. Kasutamist jätkates nõustute küpsiste kasutamisega.

Sulge
 
Minu pakkumine

Reeglid

Pakkumise kirjelduse väli on mõeldud pakkumise detailsemaks lahti kirjutamiseks. Pikema teksti mugavaks sisestamiseks klikkige kasti paremal ülaservas oleval ikoonil.
Pakkumist tehes on keelatud postitada enda kontaktandmeid (nimi, telefon, aadress jne). Me jälgime ja analüüsime pakkumisi, et vältida pettuseid ja reeglite rikkumisi.
Rikkumise puhul kasutajakonto blokeeritakse.