+ Lisa oma töö      

Otsid ehitajat "Ehitusekspertiis" valdkonnast?

Parima pakkumise ja teostaja leidmiseks lisa oma töö.

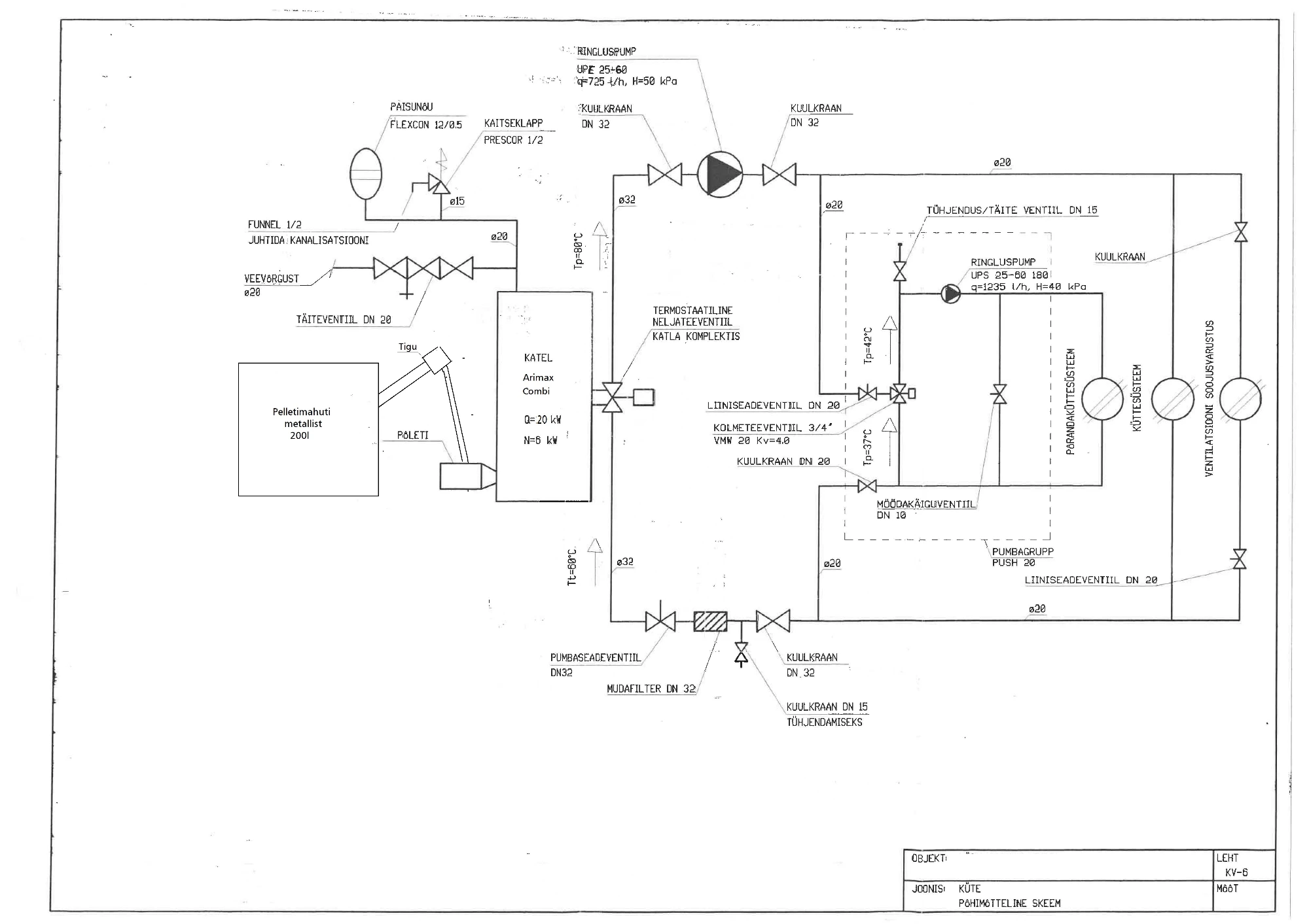
Küttesüsteemi eksperthinnang 90-date eramaja pelletiküttele.

ID 108526

1132 vaatamist

Prindi

  • check Pakkumiste tegemine
    kuni 08.01.2025
  • check Võitja valik kuni
    15.01.2025
  • 3 Töö teostamine
    ja hinnang
Hanke lõpp: K, 8. jaanuar, 2025
Maakond: Harjumaa
Muu asula: Viimsi
Tööde lõpp: Kokkuleppel
Ehitusmaterjalid: Töö tegija poolt
Soovin pakkumisi: Summa kogu projektile

Töö sisu

Kasutusloa taotluseks 90-ndate lõpus valminud majale. On vaja küttesüsteem lisada küttesüsteemide portaali ja esitada eksperthinnang. Projekt ja teostusjoonised on tehtud selle aja nõutele vastavalt ja selle aja pädevustunnistust omavate inseneride poolt. Kaetud tööde akte siis ei nõutud.

Pildid, video ja failid

Hanke korraldaja: eraisik ID77684

Pakkumised

Pakkumisi kokku: 0

Küsimused hanke korraldajale

Hanke korraldajale ei ole veel küsimusi esitatud.

Lisa küsimus

Lisa küsimus

Minu pakkumine

Reeglid

Pakkumise kirjelduse väli on mõeldud pakkumise detailsemaks lahti kirjutamiseks. Pikema teksti mugavaks sisestamiseks klikkige kasti paremal ülaservas oleval ikoonil.
Pakkumist tehes on keelatud postitada enda kontaktandmeid (nimi, telefon, aadress jne). Me jälgime ja analüüsime pakkumisi, et vältida pettuseid ja reeglite rikkumisi.
Rikkumise puhul kasutajakonto blokeeritakse.

 

Vanemad teated:

Vaata kõiki

Sellel veebilehel kasutatakse küpsiseid. Kasutamist jätkates nõustute küpsiste kasutamisega.

Sulge
 
Minu pakkumine

Reeglid

Pakkumise kirjelduse väli on mõeldud pakkumise detailsemaks lahti kirjutamiseks. Pikema teksti mugavaks sisestamiseks klikkige kasti paremal ülaservas oleval ikoonil.
Pakkumist tehes on keelatud postitada enda kontaktandmeid (nimi, telefon, aadress jne). Me jälgime ja analüüsime pakkumisi, et vältida pettuseid ja reeglite rikkumisi.
Rikkumise puhul kasutajakonto blokeeritakse.