+ Lisa oma töö      

Otsid ehitajat "Vundamenditööd" valdkonnast?

Parima pakkumise ja teostaja leidmiseks lisa oma töö.

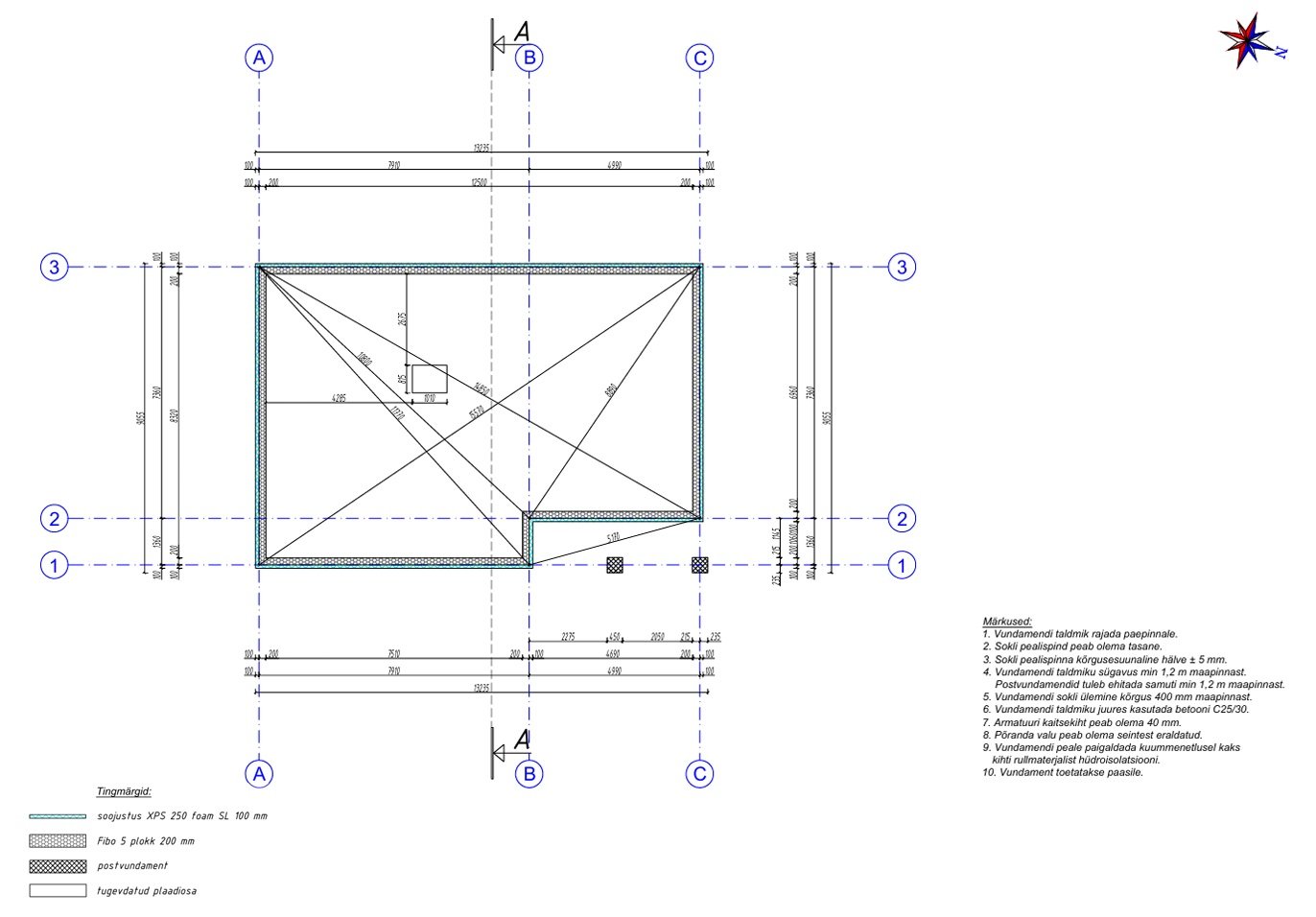
Eramu lintvundament

ID 107002

1768 vaatamist

Prindi

  • check Pakkumiste tegemine
    kuni 19.11.2024
  • check Võitja valik kuni
    26.11.2024
  • 3 Töö teostamine
    ja hinnang
Hanke lõpp: T, 19. november, 2024
Maakond: Raplamaa
Muu asula: Loone
Tööde lõpp: R, 20. detsember, 2024
Ehitusmaterjalid: Töö tegija poolt
Soovin pakkumisi: Summa kogu projektile

Pildid, video ja failid

Hanke korraldaja: eraisik ID85936

Pakkumised

Pakkumisi kokku: 4

Ettevõte Summa Käibemaks Lisatud Vestlus
Kasutaja ikoon ID69073
Pakkuja profiil Väike nool paremale
10 000€ Ei ole KMKR Ei ole KMKR 13.11.2024 Vestlus (2)

Pakkumise kirjeldus:

Lintvundamendi ehitus. Hind võib varieeruda +/- 1000€ vastavalt saadavate materjalide hinnale.

Kasutaja ikoon ID82196
Pakkuja profiil Väike nool paremale
8 000€ KM lisandub KM lisandub 19.11.2024 Vestlus (0)

Pakkumise kirjeldus:

Tere!

Meie pakkumine teie soovitud töödele.
Lugupidamisega,
R&P

Kasutaja ikoon ID86585
Pakkuja profiil Väike nool paremale
5 000€ Sisaldab KM Sisaldab KM 19.11.2024 Vestlus (0)
Kasutaja ikoon ID35170
Pakkuja profiil Väike nool paremale
4 000€ Sisaldab KM Sisaldab KM 19.11.2024 Vestlus (0)

Pakkumise kirjeldus:

Tere.
Pakkumine sisaldab väljakaevet ja killustikust taldmiku ehitust .
Lisandub trasside ehitus 100.- euri meeter

Küsimused hanke korraldajale

Küsimus: private ID35170   17.11.2024 12:42
Tere.
Kas võib teha ka pakkumise väljakaeve trassitööd ja killustikualusele.

Teavita reeglite rikkumisest

Korraldaja vastus: 17.11.2024 13:26

Jah, palun.

Teavita reeglite rikkumisest

Küsimus: private ID50594   19.11.2024 20:02
Tere,

Soovite pakkumist mahamärkimisest kuni plaadi valuni?

Saame koostada eelarvestuses täpse pakkumise!

Lgp. Taivo

Teavita reeglite rikkumisest

Korraldaja vastus: 19.11.2024 22:43

Jah, palun.

Teavita reeglite rikkumisest

Lisa küsimus

Lisa küsimus

Minu pakkumine

Reeglid

Pakkumise kirjelduse väli on mõeldud pakkumise detailsemaks lahti kirjutamiseks. Pikema teksti mugavaks sisestamiseks klikkige kasti paremal ülaservas oleval ikoonil.
Pakkumist tehes on keelatud postitada enda kontaktandmeid (nimi, telefon, aadress jne). Me jälgime ja analüüsime pakkumisi, et vältida pettuseid ja reeglite rikkumisi.
Rikkumise puhul kasutajakonto blokeeritakse.

 

Vanemad teated:

Vaata kõiki

Sellel veebilehel kasutatakse küpsiseid. Kasutamist jätkates nõustute küpsiste kasutamisega.

Sulge
 
Minu pakkumine

Reeglid

Pakkumise kirjelduse väli on mõeldud pakkumise detailsemaks lahti kirjutamiseks. Pikema teksti mugavaks sisestamiseks klikkige kasti paremal ülaservas oleval ikoonil.
Pakkumist tehes on keelatud postitada enda kontaktandmeid (nimi, telefon, aadress jne). Me jälgime ja analüüsime pakkumisi, et vältida pettuseid ja reeglite rikkumisi.
Rikkumise puhul kasutajakonto blokeeritakse.