+ Lisa oma töö      

Otsid ehitajat "Siseviimistlustööd" valdkonnast?

Parima pakkumise ja teostaja leidmiseks lisa oma töö.

Vanni asendamine dussiga

ID 103353

2295 vaatamist

Prindi

  • check Pakkumiste tegemine
    kuni 08.11.2024
  • check Võitja valik kuni
    15.11.2024
  • 3 Töö teostamine
    ja hinnang
Hanke lõpp: R, 8. november, 2024
Maakond: Harjumaa
Linn: Tallinn
Tööde lõpp: E, 30. september, 2024
Ehitusmaterjalid: Töö tegija poolt
Soovin pakkumisi: Summa kogu projektile

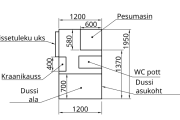
Töö sisu

Vaja on vannituba ehitada ümber dussiga pesuruumiks koos kraanikausi, WC potiga-ga ja soojavee boileriga.
Vanni (istevann) välja viimine, utileerimine, ehitusparaht j.n.e.
Vanniga seinetes uued keraamilised plaadid seina
Dussi osas libisemisvastaste plaatidega trapiga põrand, seinas klapptool ja käepide tõusmise hõlbustamiseks.
Sooja ja külmavee torustik kraanikausi, dussi ja WC juurde,
Pesumasinale kanalisatsiooni äravoolu sisend ja vee ühendus.
Kanalisatsiooni torustik läheb alla keldrisse ja üles pööningule/katusele on vaja viia kanalisatsiooni tuulutus klapp.
kanalisatsioonitorustiku viimine keldri põranda tasapinda, ühendamine keldris.

Oreinteeruv materjalide nimekiri:
Nimetus kogus
Dussi klapptool 1
Dussi kardin 1
Dussi kardina kinnitid 1
Dussi kardina toru 1
WC Pott 1
Kapp valamuga 1
Valamu segisti 1
Sifoon 1
Termostaadiga dussi segisti 1
Ventilaator kardinate ja taimeriga 1
Soojavee boiler 1
Dussialuse sifoon 1
Toru 110x1000 8
Põlv 110x45 kraadi 2
Kolmik 110/75 1
Kolmik 110/110 1
Toru 75x1000 2
Põlv 75x45 kraadi 2
Kanalisatsiooni tuulutusotsik 110 1
Vee torustik ca 12m 1
Vee torustiku liitmikud 1
põranda plaadid 1
Seina plaadid 1
Segu 1
Vuugitäide 1
Lisatarvikud ja materjalid

Pildid, video ja failid

Hanke korraldaja: eraisik ID84897

Pakkumised

Pakkumisi kokku: 6

Ettevõte Summa Käibemaks Lisatud Vestlus
Kasutaja ikoon ID82349
Pakkuja profiil Väike nool paremale
2 500€ Sisaldab KM Sisaldab KM 03.09.2024 Vestlus (0)
Kasutaja ikoon ID78600
Pakkuja profiil Väike nool paremale
8 400€ KM lisandub KM lisandub 02.10.2024 Vestlus (0)
Kasutaja ikoon ID85299
Pakkuja profiil Väike nool paremale
9 864€ Ei ole KMKR Ei ole KMKR 08.10.2024 Vestlus (0)
Kasutaja ikoon ID52293
Pakkuja profiil Väike nool paremale
4 500€ Sisaldab KM Sisaldab KM 09.10.2024 Vestlus (0)

Pakkumise kirjeldus:

Tere
Juhul kui soovite meid valida hanke võitjaks peaks eelnevalt kokku leppima makse tingimustes
Tänud

Kasutaja ikoon ID30846
Pakkuja profiil Väike nool paremale
4 800€ KM lisandub KM lisandub 09.10.2024 Vestlus (0)

Pakkumise kirjeldus:

Tere!
Hinnapakkumine hankes sisalduvatele töödele koos vajaminevate materjalidega. Sisaldab ka tööde järgset koristust, koristus- ja lammutusjäätmete utililiseerimist ja hanketasu.
Kogemusi antud töödega üle 20 aasta. Tehtud töödele garantii.
Ettemaksu ei soovi. Tasumine kahes osas vastavalt kokkuleppele.

Parimat soovides,
Taavi

Kasutaja ikoon ID70952
Pakkuja profiil Väike nool paremale
2 900€ Ikoon kell Ei ole KMKR Ei ole KMKR 08.11.2024 Vestlus (2)

Pakkumise kirjeldus:

Tere,

Pakkummine ilma materjalita ainult töörahale . Väga raske on hinnata kulu ning mida vaja on ning kui suures mahus kuna puuduvad m2 jne.Samuti on eri tootjad ja ka hinnad.
Nii ,on hetkel kõige lihtsam teha.
Kõigile töödele anname garantii 2 aastat.

Tervitades

Küsimused hanke korraldajale

Küsimus: private ID86257   31.10.2024 20:49
mitmes korrus? ja rajoon

Teavita reeglite rikkumisest

Korraldaja vastus: 31.10.2024 21:31

1 korrus, eramaja, Nõmme linnaosa

Teavita reeglite rikkumisest

Lisa küsimus

Lisa küsimus

Minu pakkumine

Reeglid

Pakkumise kirjelduse väli on mõeldud pakkumise detailsemaks lahti kirjutamiseks. Pikema teksti mugavaks sisestamiseks klikkige kasti paremal ülaservas oleval ikoonil.
Pakkumist tehes on keelatud postitada enda kontaktandmeid (nimi, telefon, aadress jne). Me jälgime ja analüüsime pakkumisi, et vältida pettuseid ja reeglite rikkumisi.
Rikkumise puhul kasutajakonto blokeeritakse.

 

Teisi töid samas valdkonnas

Valdkonnas "Siseviimistlustööd" on 24 aktiivset tööd

Seinte värvimine

Asukoht: Harjumaa, Tallinn
Aega jäänud: 1h 46 min
Tehtud pakkumisi: 7

Seinte pahteldus ja värvimine

Asukoht: Harjumaa, Türisalu
Aega jäänud: 3p 1h
Tehtud pakkumisi: 7

Vanemad teated:

Vaata kõiki

Sellel veebilehel kasutatakse küpsiseid. Kasutamist jätkates nõustute küpsiste kasutamisega.

Sulge
 
Minu pakkumine

Reeglid

Pakkumise kirjelduse väli on mõeldud pakkumise detailsemaks lahti kirjutamiseks. Pikema teksti mugavaks sisestamiseks klikkige kasti paremal ülaservas oleval ikoonil.
Pakkumist tehes on keelatud postitada enda kontaktandmeid (nimi, telefon, aadress jne). Me jälgime ja analüüsime pakkumisi, et vältida pettuseid ja reeglite rikkumisi.
Rikkumise puhul kasutajakonto blokeeritakse.